GM Service Manual Online
For 1990-2009 cars only
Makes
🢒
Cadillac
🢒
2006
🢒
DTS
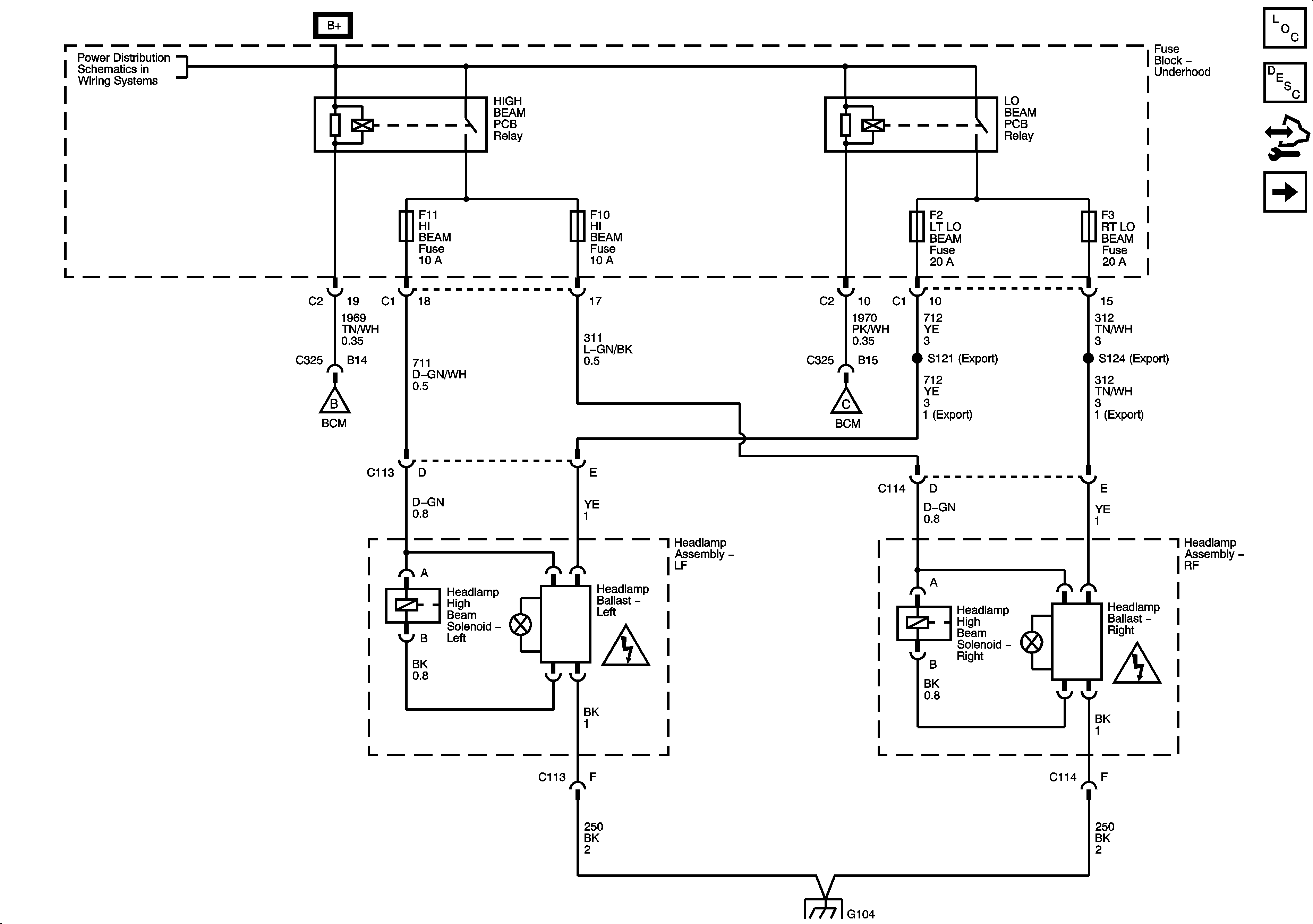
🢒 Headlamps
Headlamps
Headlamps
Master Electrical Component List
Exterior Lighting Systems Description and Operation
Control Module References
Headlamp Switch
Underhood Fuse Block B+ Bus
Headlamp Switch
Headlamp Switch
Lighting Systems Schematic Icons
Lighting Systems Schematic Icons
G104