GM Service Manual Online
For 1990-2009 cars only
Makes
🢒
Cadillac
🢒
2006
🢒
DTS
🢒 w/o A45
w/o A45
w/o A45
Master Electrical Component List
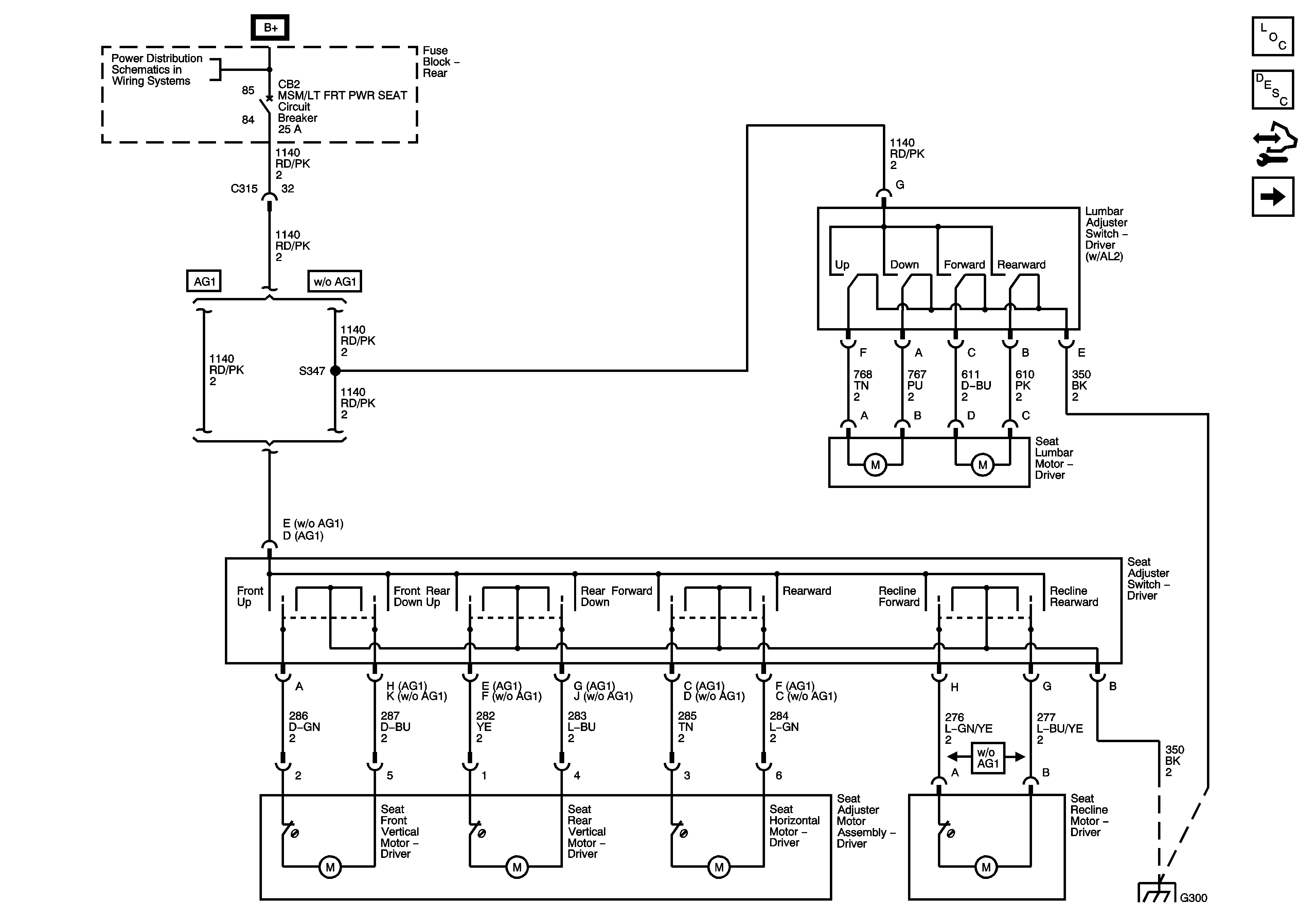
Power Seats System Description and Operation
Control Module References
w/A45
Rear Fuse Block B+ Bus
G300