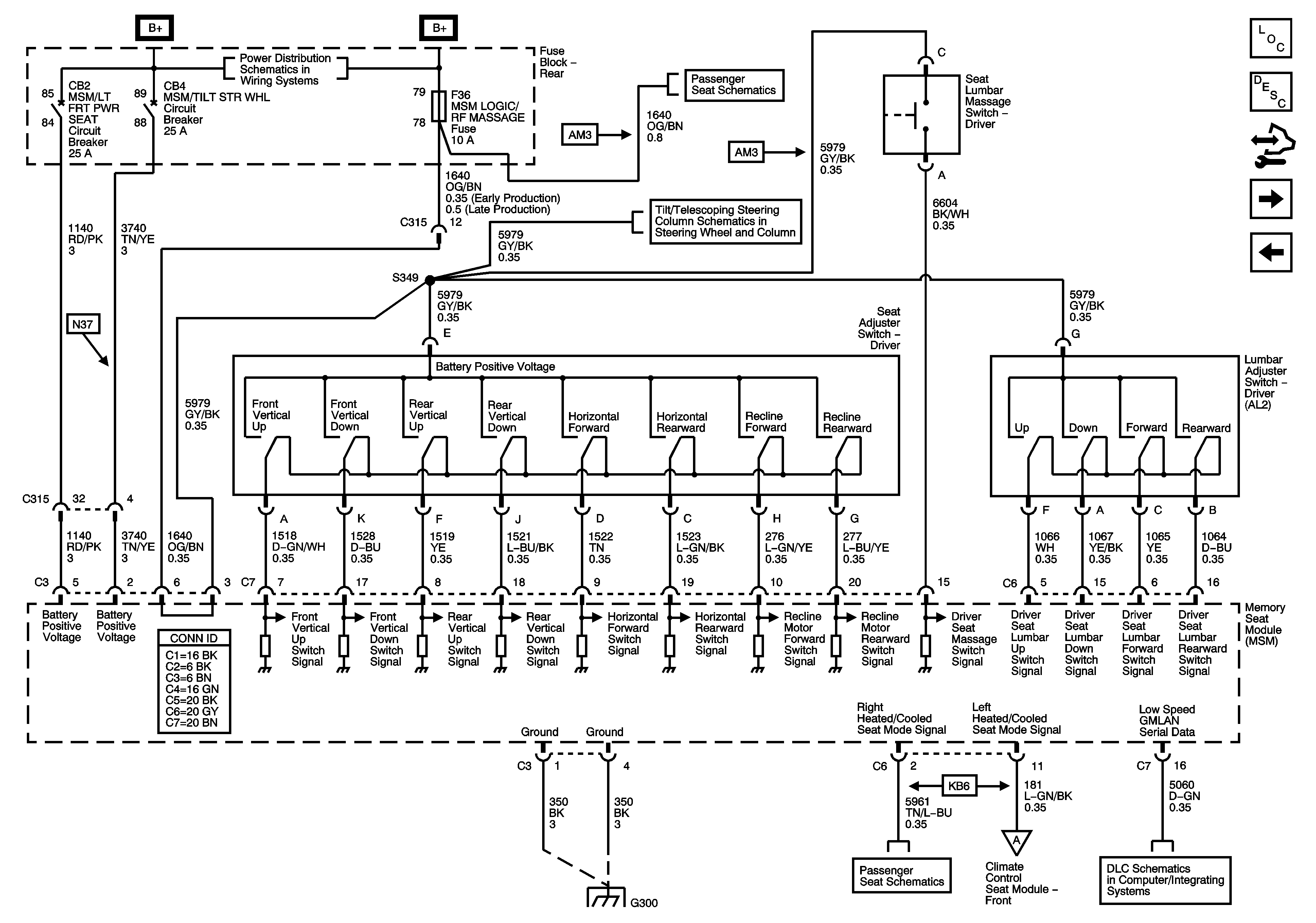
GM Service Manual Online
For 1990-2009 cars only
Makes
🢒
Cadillac
🢒
2006
🢒
DTS
🢒 w/A45
w/A45
w/A45
Master Electrical Component List
Memory Seats Description and Operation
Control Module References
Position Sensors
w/o A45
Rear Fuse Block B+ Bus
w/ AM3
Tilt/Telescoping N37
G300
Passenger Heated and Cooled Seat KB6
Heated and Cooled Seat KB6
DLC Power, Ground, and Low Speed GMLAN