GM Service Manual Online
For 1990-2009 cars only
Makes
🢒
Cadillac
🢒
2007
🢒
DTS
🢒
Engine
🢒
Cruise Control
🢒 Cruise Control Schematics
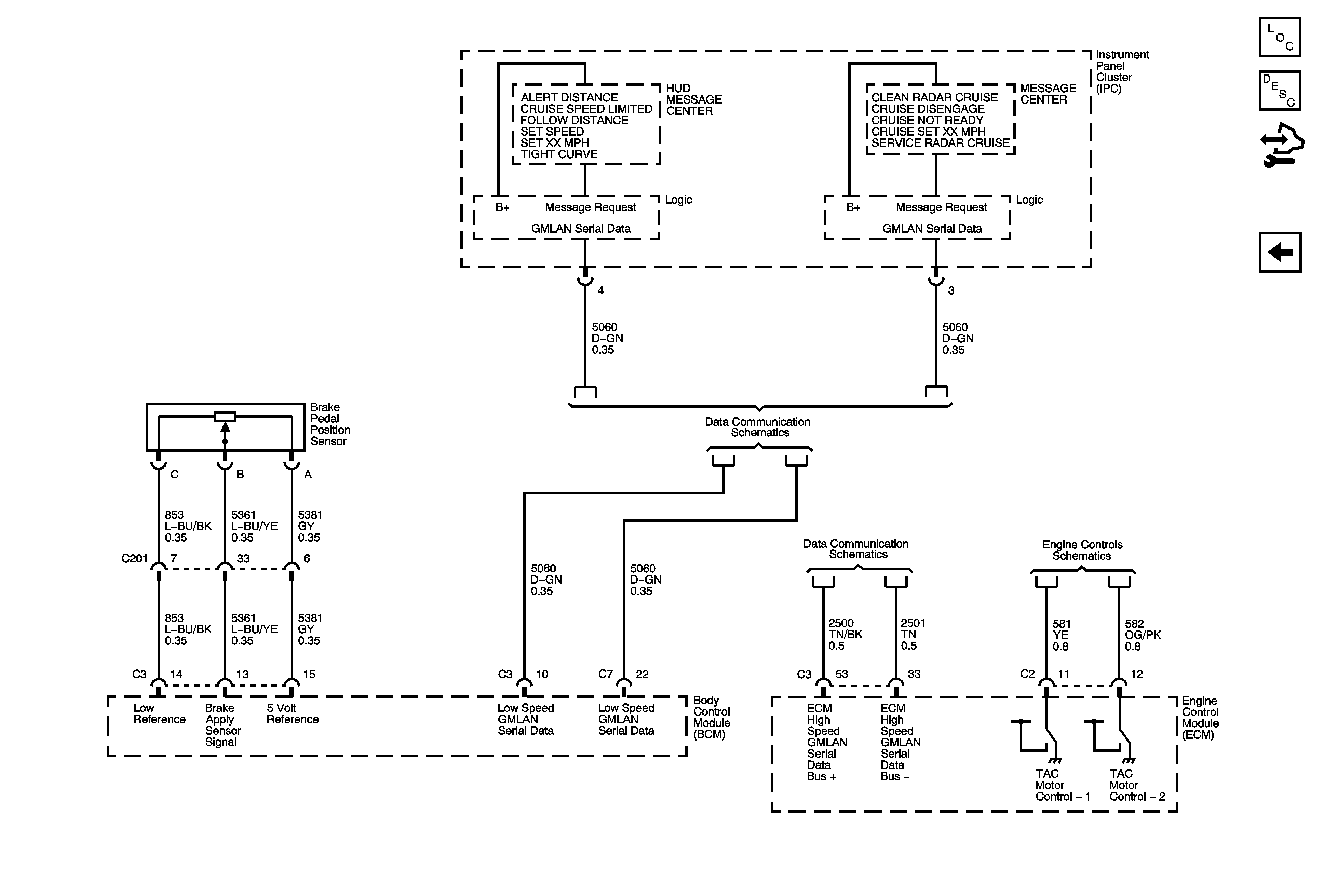
Figure
1:
Cruise Control ON/OFF Switch
Master Electrical Component List
Cruise Control Description and Operation (Conventional Cruise Control)
Control Module References
Distance Sensing Cruise Control Module
High Speed Serial Data
Cruise Control Schematic Icons
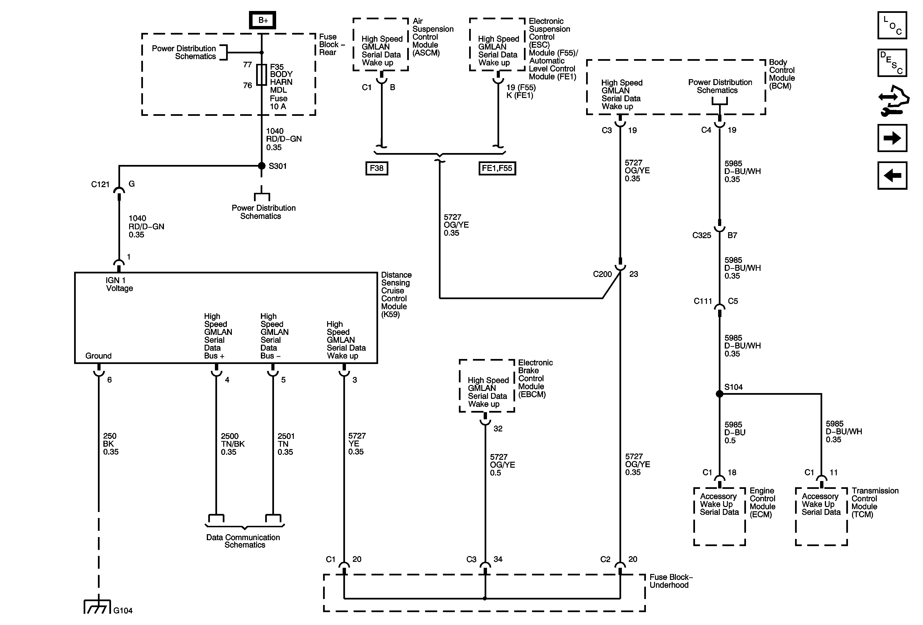
Figure
2:
Distance Sensing Cruise Control Module
Master Electrical Component List
Cruise Control Description and Operation (Adaptive Cruise Control)
Control Module References
Indicators
ON/OFF Switch
Rear Fuse Block B+
Rear Fuse Block - AIRBAG, OBJ SNSR, ONSTAR/S-BAND, BODY HARN MDL Fuses
Rear Fuse Block - IGN SWTCH, STR/WHL ILLUM Fuses
G104
High Speed Serial Data
Figure
3:
Indicators
Master Electrical Component List
Cruise Control Description and Operation (Conventional Cruise Control)
Control Module References
Distance Sensing Cruise Control Module
Power, Ground and Low Speed GMLAN
High Speed Serial Data
Engine Data Sensors, APP and Throttle Body Assembly