GM Service Manual Online
For 1990-2009 cars only
Makes
🢒
Cadillac
🢒
2007
🢒
DTS
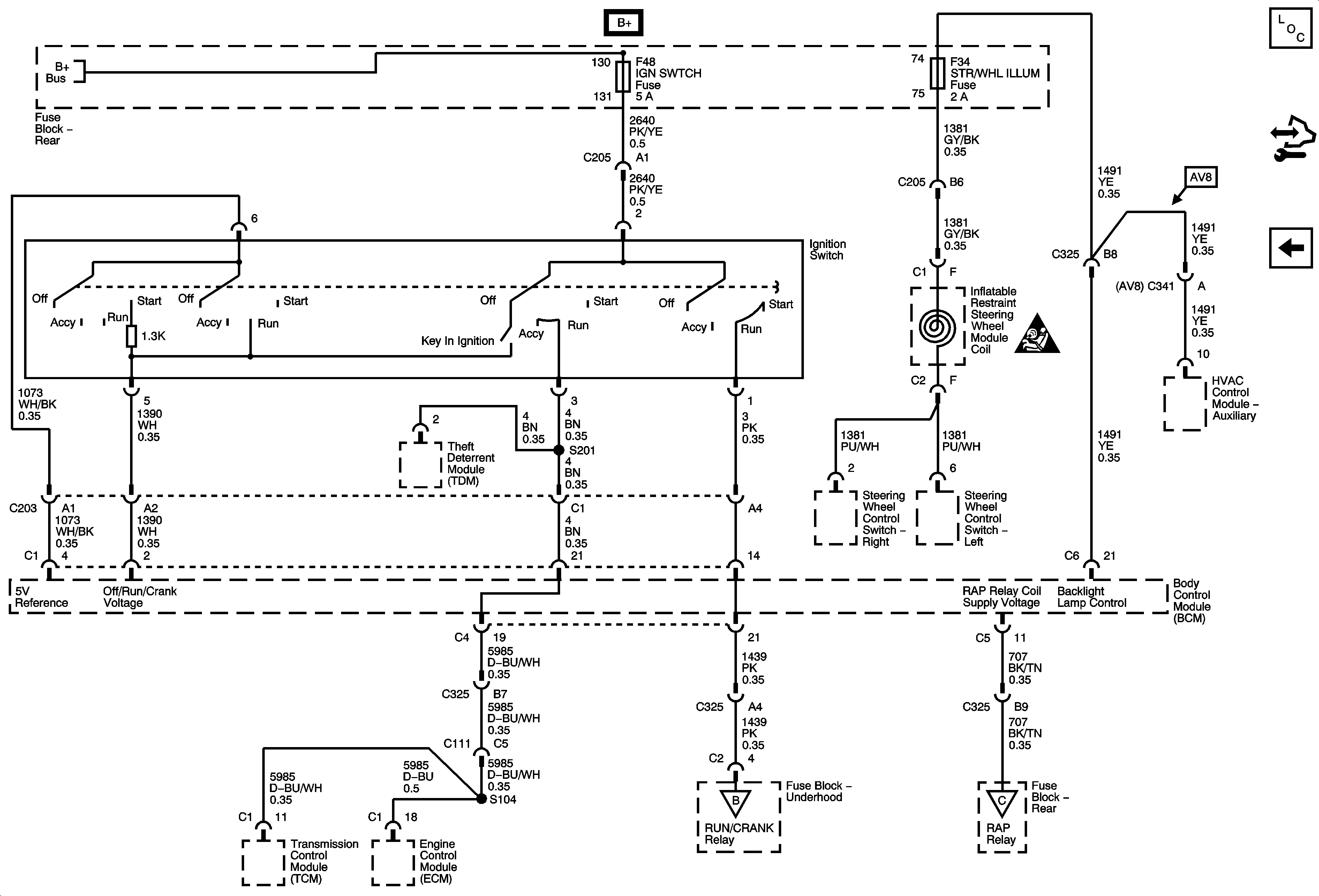
🢒 Rear Fuse Block- IGN SWTCH, STR/WHL ILLUM Fuses
Rear Fuse Block- IGN SWTCH, STR/WHL ILLUM Fuses
Rear Fuse Block - IGN SWITCH, STR/WHL/ILLUM Fuses
Rear Fuse Block - RUN Relay, REAR HVAC, HTD STR, HTD/COOL/IGN3, BCM LOGIC Fuses
Rear Fuse Block B+
RUN/CRANK Relay, TRANS IGN 3, AIRBAG IGN 3, HVAC/IPC, ECM IGN 3 Fuses
Rear Fuse Block - RAP Relay, CTSY/RF TRN, S/ROOF, SHFTR SOL, RAP, REAR SEAT LUM Fuses
Power and Grounding Schematic Icons