GM Service Manual Online
For 1990-2009 cars only
Makes
🢒
Cadillac
🢒
2007
🢒
DTS
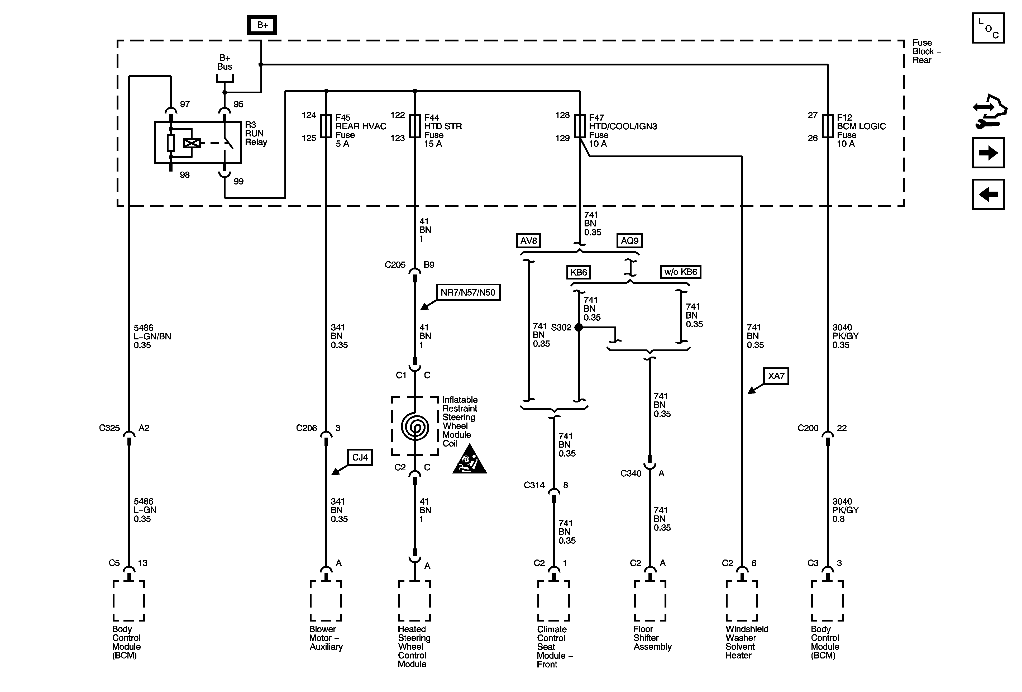
🢒 Rear Fuse Block - RUN Relay, REAR HVAC, HTD STR, HTD/COOL/IGN3, BCM LOGIC Fuses
Rear Fuse Block - RUN Relay, REAR HVAC, HTD STR, HTD/COOL/IGN3, BCM LOGIC Fuses
Rear Fuse Block - RUN Relay, RR HVAC, HTD STR, HTD/COOL SEAT, BCM LOGIC Fuses
Rear Fuse Block - IGN SWTCH, STR/WHL ILLUM Fuses
Rear Fuse Block - REAR HTD/SEAT, HTD/COOL, DDM, PDM, RDO, AMP, NAV Fuses
Rear Fuse Block B+
Power and Grounding Schematic Icons