GM Service Manual Online
For 1990-2009 cars only
Makes
🢒
Cadillac
🢒
2007
🢒
DTS
🢒
Diagnostic Navigation
🢒
Vehicle Diagnostic Information
🢒 Starting and Charging Schematics
Figure
1:
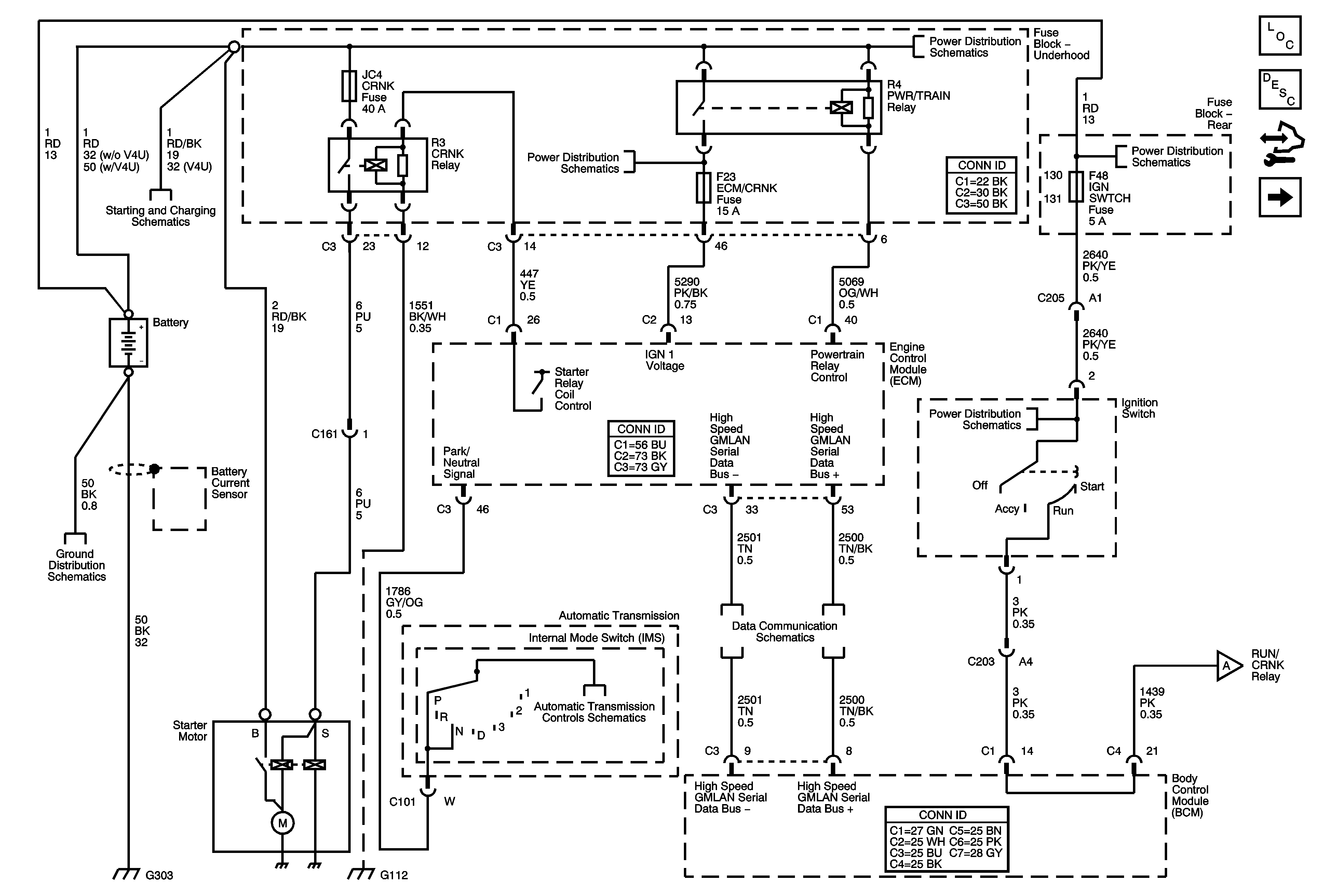
Starting 1 of 2
Master Electrical Component List
Starting System Description and Operation
Control Module References
Starting Schematic 2 of 2
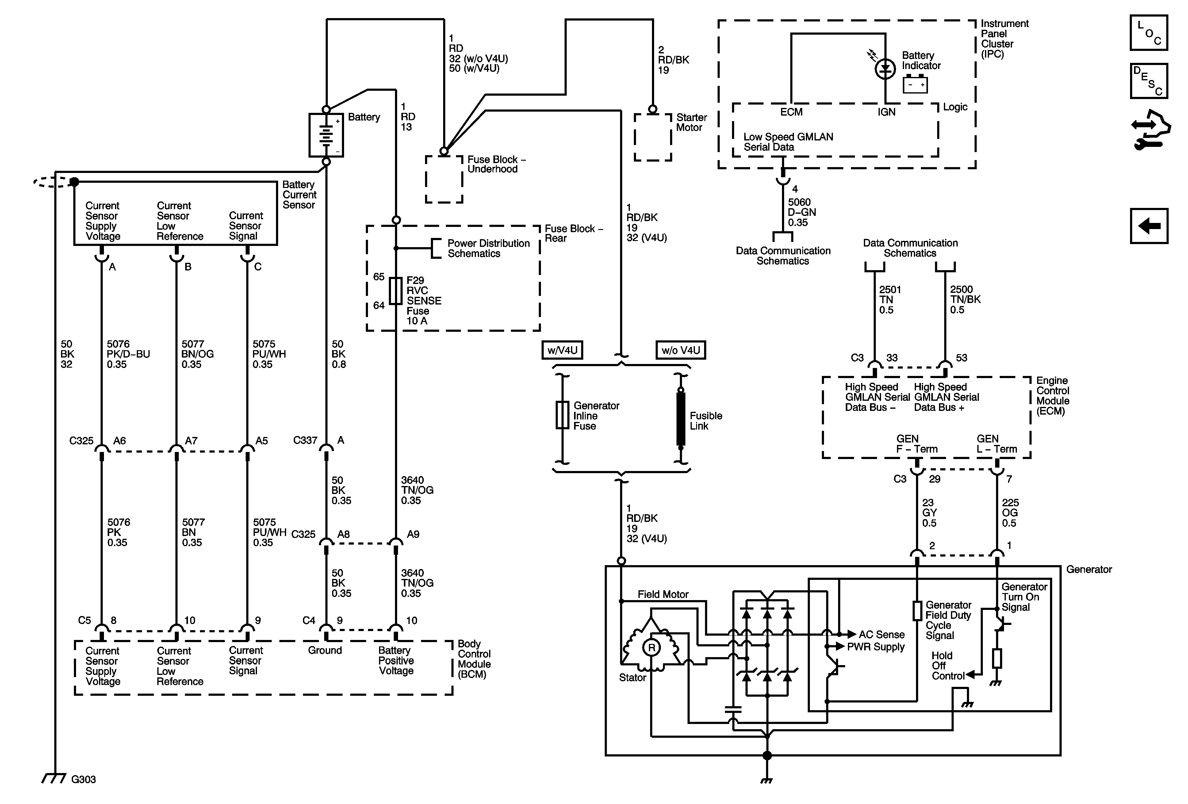
Charging Schematic
Underhood Fuse Block B+
Underhood Fuse Block B+
Rear Fuse Block B+
G101, G110, G111, G114, G115, G302, G303, G306, G307
Rear Fuse Block - IGN SWTCH, STR/WHL ILLUM Fuses
High Speed Serial Data
TCM Power and Ground
G101, G110, G111, G114, G115, G302, G303, G306, G307
Starting Schematic 2 of 2
Figure
2:
Starting 2 of 2
Master Electrical Component List
Starting System Description and Operation
Control Module References
Charging Schematic
Starting Schematic 1 of 2
Starting Schematic 1 of 2
Underhood Fuse Block B+
RUN/CRANK Relay, TRANS IGN 3, AIRBAG IGN 3, HVAC/IPC, ECM IGN 3 Fuses
G100, G112
Figure
3:
Charging
Master Electrical Component List
Charging System Description and Operation
Control Module References
Starting Schematic 2 of 2
Rear Fuse Block B+
Power, Ground and Low Speed GMLAN
High Speed Serial Data
G101, G110, G111, G114, G115, G302, G303, G306, G307