GM Service Manual Online
For 1990-2009 cars only
Makes
🢒
Cadillac
🢒
2007
🢒
DTS
🢒
Body Systems
🢒
Wipers and Washers
🢒 Wiper/Washer Schematics
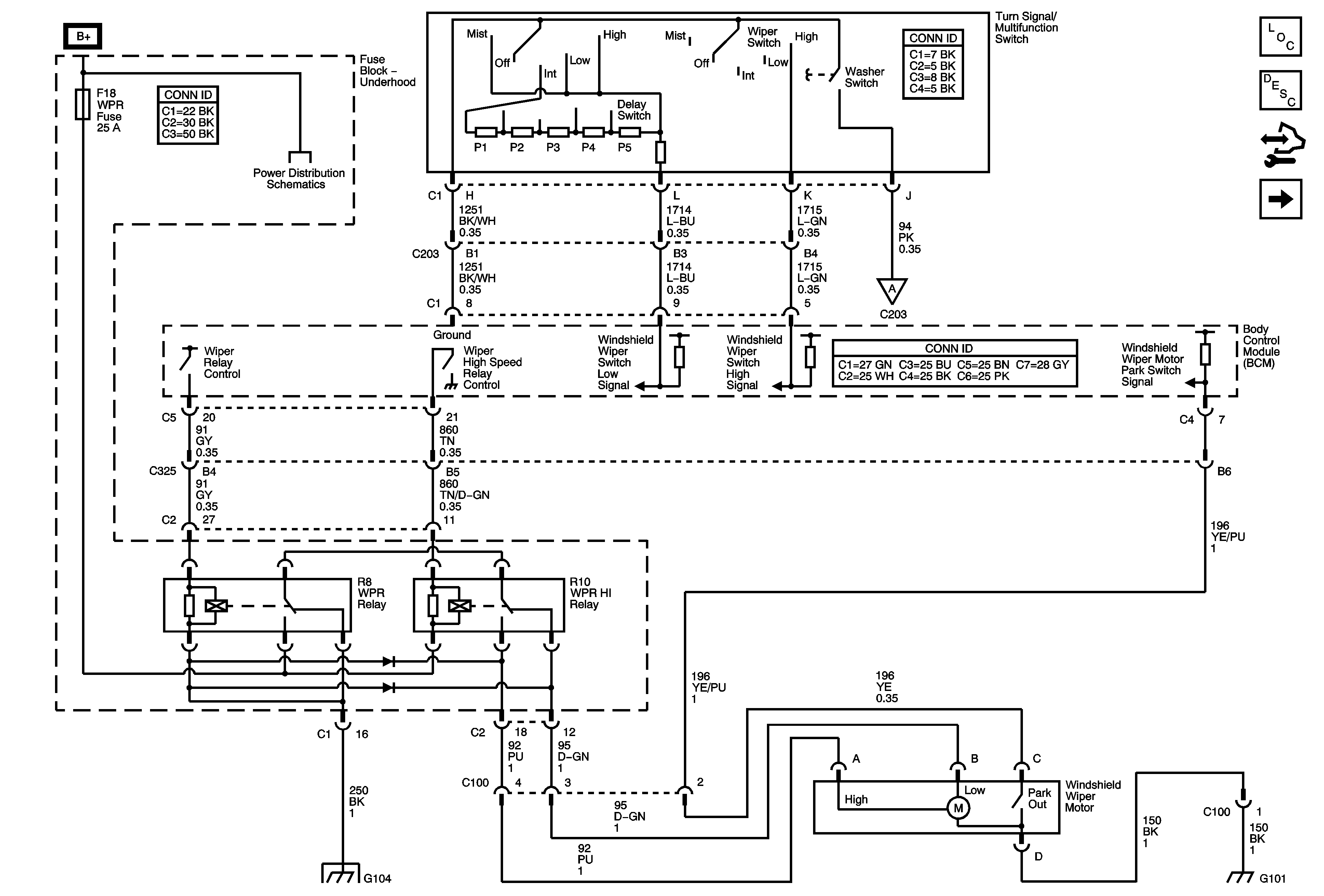
Figure
1:
Wiper System Power and Ground
Master Electrical Component List
Wiper/Washer System Description and Operation (Wipers and Washers)
Control Module References
Outside Moisture Sensor and Windshield Washer Solvent Heater
Underhood Fuse Block B+
Outside Moisture Sensor and Windshield Washer Solvent Heater
G104
G101, G110, G111, G114, G115, G302, G303, G306, G307
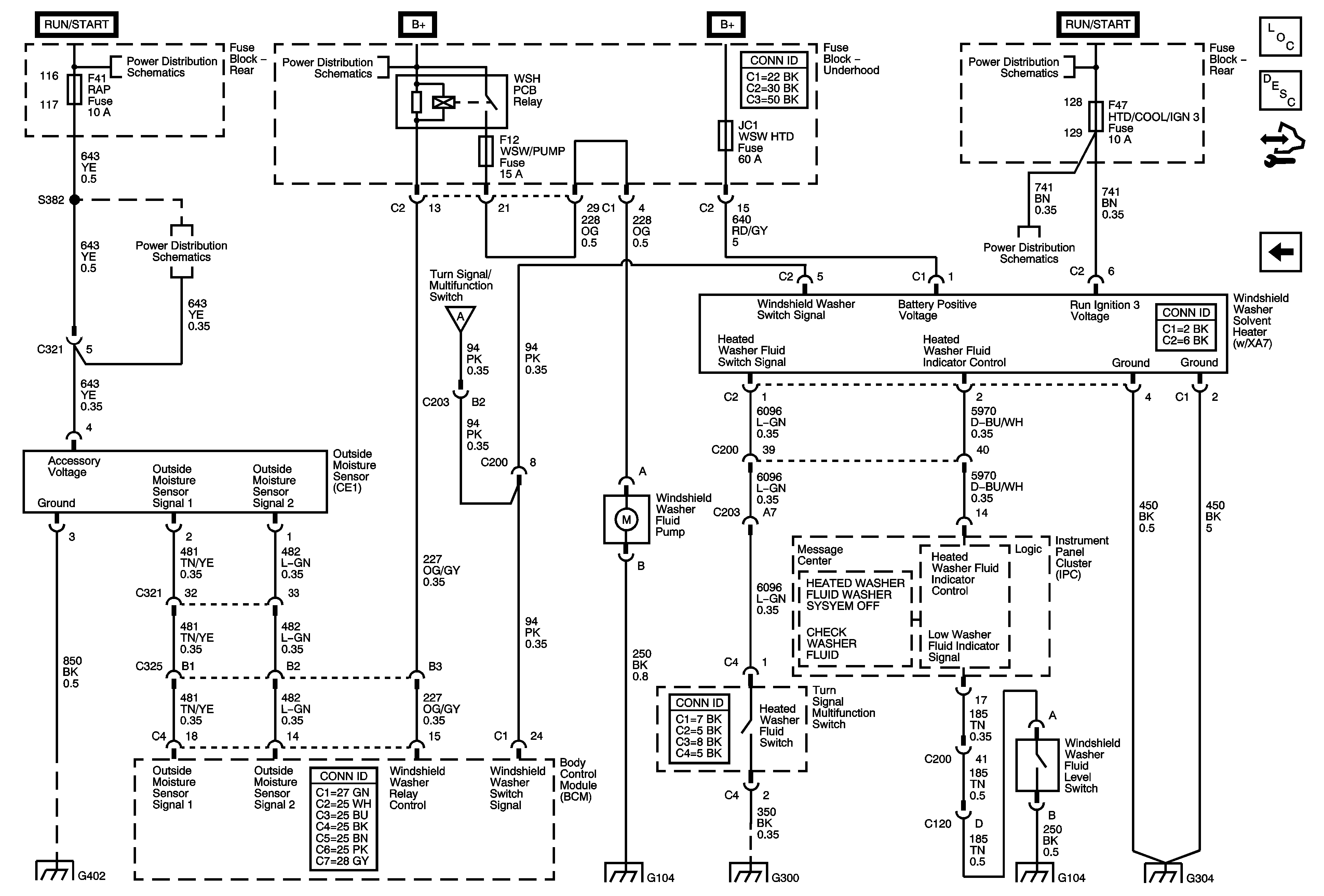
Figure
2:
Outside Moisture Sensor and Windshield Washer Solvent Heater
Master Electrical Component List
Wiper/Washer System Description and Operation (Heated Washer System)
Control Module References
Wiper System Power and Ground
Rear Fuse Block B+
Underhood Fuse Block B+
Rear Fuse Block - RAP Relay, CTSY/RF TRN, S/ROOF, SHFTR SOL, RAP, REAR SEAT LUM Fuses
Rear Fuse Block B+
Rear Fuse Block - RUN Relay, REAR HVAC, HTD STR, HTD/COOL/IGN3, BCM LOGIC Fuses
Wiper System Power and Ground
G402
G104
G300
G104
G304