GM Service Manual Online
For 1990-2009 cars only
Makes
🢒
Cadillac
🢒
2007
🢒
DTS
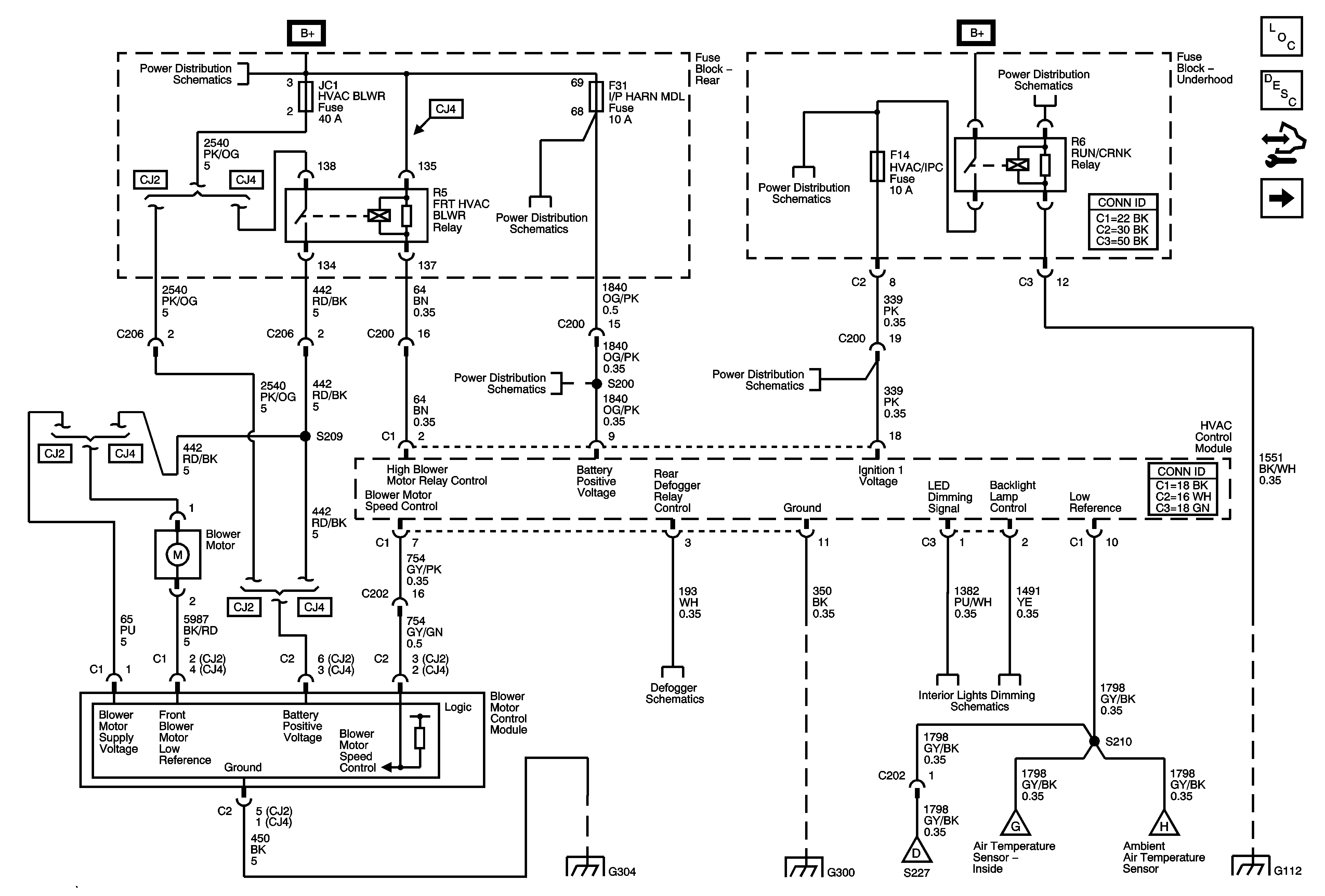
🢒 Power, Ground, Blower Motor Control
Power, Ground, Blower Motor Control
Power, Ground, Blower Motor Controls
Master Electrical Component List
Air Temperature Description and Operation
Control Module References
Mode and Air Temperature Controls
Rear Fuse Block B+
Rear Fuse Block - PRK LAMP, RT PRK LAMP (Export), EXP LIC LAMP Relays, I/P HARN MDL, LT PRK LAMP, RT PRK LAMP Fuses
Underhood Fuse Block B+
RUN/CRANK Relay, TRANS IGN 3, AIRBAG IGN 3, HVAC/IPC, ECM IGN 3 Fuses
Rear Fuse Block - PRK LAMP, RT PRK LAMP (Export), EXP LIC LAMP Relays, I/P HARN MDL, LT PRK LAMP, RT PRK LAMP Fuses
RUN/CRANK Relay, TRANS IGN 3, AIRBAG IGN 3, HVAC/IPC, ECM IGN 3 Fuses
Defogger Schematics
G304
G300
Hazard, Headlamp, Driver Information Display Switches, Ashtray, HVAC Control Module, Radio, Clock
Mode and Air Temperature Controls
Air Temperature Sensors
Air Temperature Sensors
G100, G112