GM Service Manual Online
For 1990-2009 cars only
Makes
🢒
Cadillac
🢒
2007
🢒
DTS
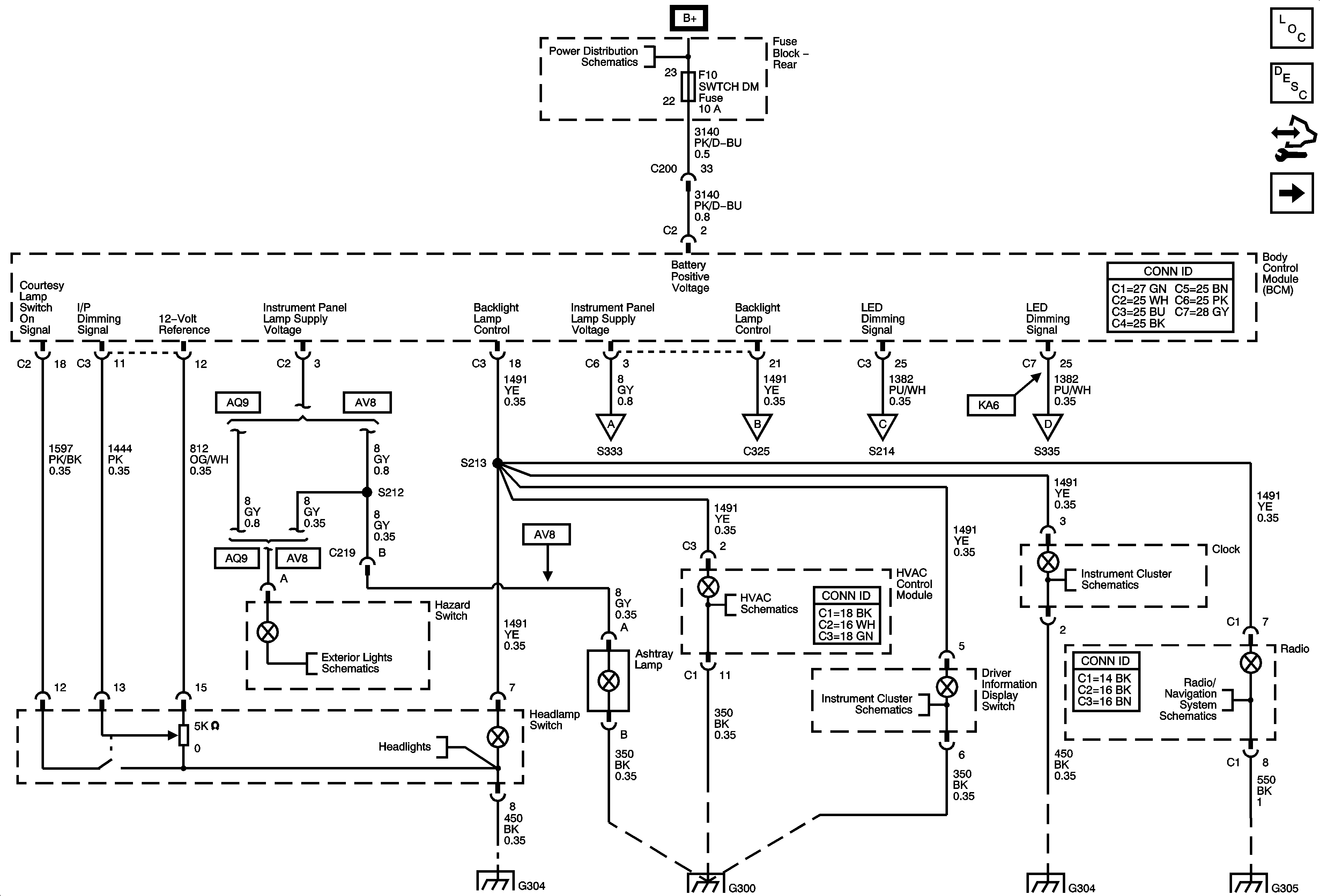
🢒 Hazard, Headlamp, Driver Information Display Switches, Ashtray, HVAC Control Module, Radio, Clock
Hazard, Headlamp, Driver Information Display Switches, Ashtray, HVAC Control Module, Radio, Clock
Hazard, Headlamp, Driver Information Display Switches, Ashtray, HVAC Control Module, Radio, Clock
Interior Lighting Systems Description and Operation
Window, Traction Control, Sun Shade, Sunroof Switches, Reverse Lockout Solenoid, Garage Door Opener, Rear Compartment Courtesy Lamp
Rear Fuse Block B+
Window, Traction Control, Sun Shade, Sunroof Switches, Reverse Lockout Solenoid, Garage Door Opener, Rear Compartment Courtesy Lamp
HVAC Control Module, Steering Wheel, Heated Seat KA6, Telltale Assembly Info Center
HVAC Control Module, Steering Wheel, Heated Seat KA6, Telltale Assembly Info Center
HVAC Control Module, Steering Wheel, Heated Seat KA6, Telltale Assembly Info Center
Front Turn Signal/Hazard Lamps
Headlamp Switch
G304
G300
Power, Ground, Blower Motor Control
Inflatable Restraint I/P Module Indicator, Telltale Assembly Info Center, Driver Information Display
Power, Ground, Clock
Power, Ground, Digital Radio Receiver (U2K), Antennas
G304
G305