GM Service Manual Online
For 1990-2009 cars only
Makes
🢒
Cadillac
🢒
2007
🢒
DTS
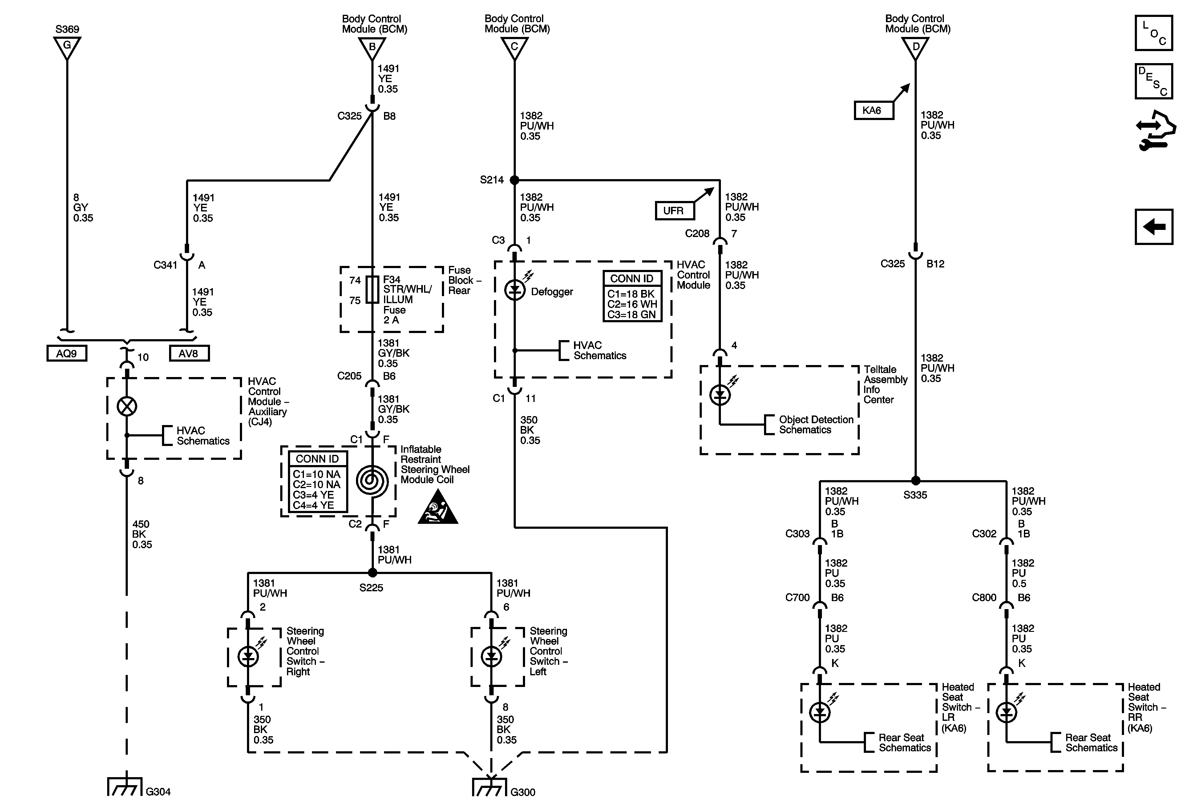
🢒 HVAC Control Module, Steering Wheel, Heated Seat KA6, Telltale Assembly Info Center
HVAC Control Module, Steering Wheel, Heated Seat KA6, Telltale Assembly Info Center
HVAC Control Module, Steering Wheel, Heated Seat (KA6), Telltale Assembly Info Center
Interior Lighting Systems Description and Operation
Window, Heated Seat, Seat Lumbar Switches
Window, Traction Control, Sun Shade, Sunroof Switches, Reverse Lockout Solenoid, Garage Door Opener, Rear Compartment Courtesy Lamp
Hazard, Headlamp, Driver Information Display Switches, Ashtray, HVAC Control Module, Radio, Clock
Hazard, Headlamp, Driver Information Display Switches, Ashtray, HVAC Control Module, Radio, Clock
Hazard, Headlamp, Driver Information Display Switches, Ashtray, HVAC Control Module, Radio, Clock
Auxiliary HVAC CJ4
Power, Ground, Blower Motor Control
Lighting Systems Schematic Icons
G304
G300
Front Park Assist UFR
Left Rear Heated Seat Switch w/ KA6
Right Rear Heated Seat Switch w/ KA6