GM Service Manual Online
For 1990-2009 cars only
Makes
🢒
Cadillac
🢒
2007
🢒
DTS
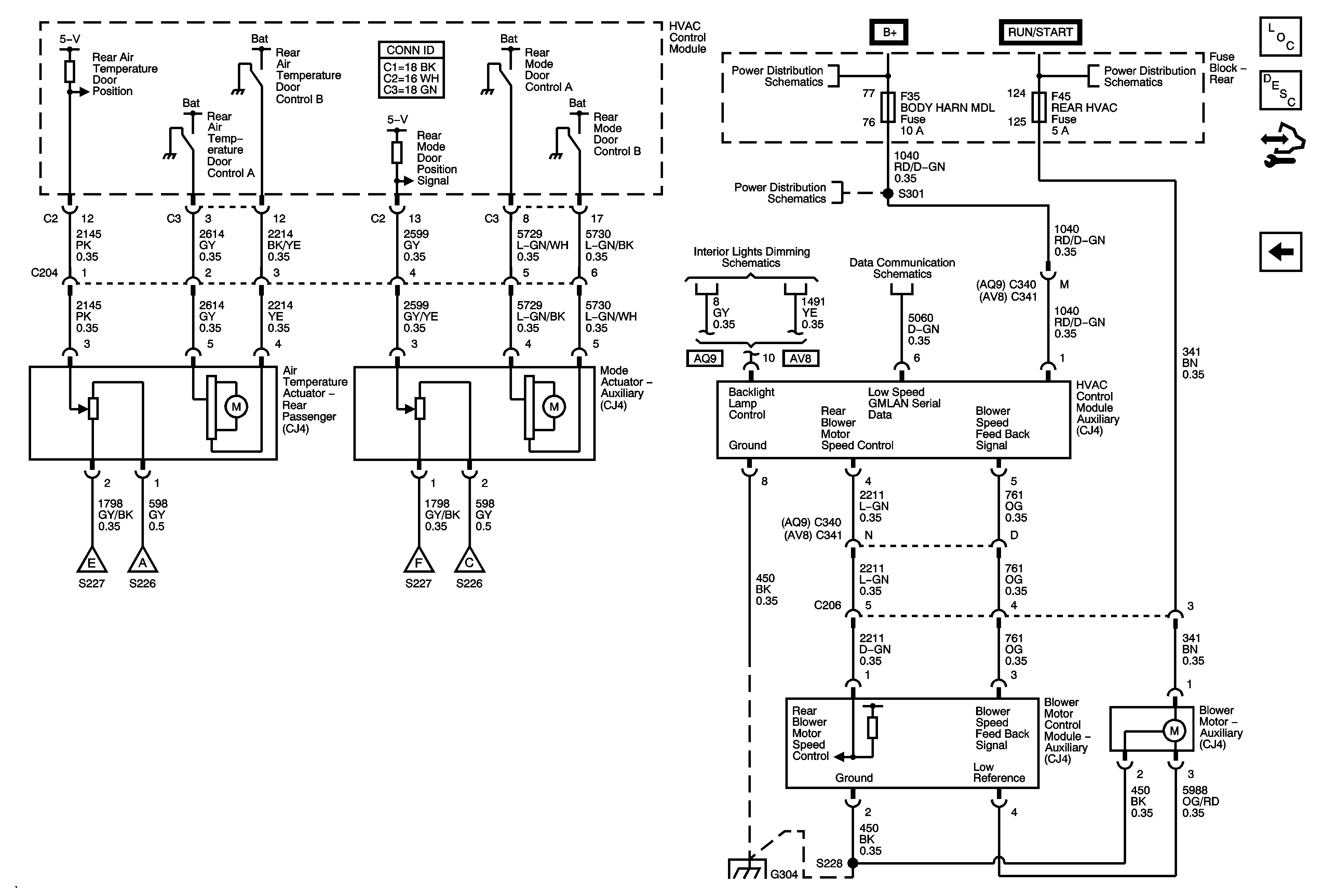
🢒 Auxiliary HVAC CJ4
Auxiliary HVAC CJ4
Auxiliary HVAC (CJ4)
Master Electrical Component List
Air Temperature Description and Operation
Control Module References
Air Temperature Sensors
Rear Fuse Block B+
Rear Fuse Block B+
Rear Fuse Block - AIRBAG, OBJ SNSR, ONSTAR/S-BAND, BODY HARN MDL Fuses
HVAC Control Module, Steering Wheel, Heated Seat KA6, Telltale Assembly Info Center
Power, Ground and Low Speed GMLAN
Mode and Air Temperature Controls
Mode and Air Temperature Controls
Mode and Air Temperature Controls
Mode and Air Temperature Controls
G304