GM Service Manual Online
For 1990-2009 cars only
Makes
🢒
Cadillac
🢒
2007
🢒
DTS
🢒 Front Park Assist UFR
Front Park Assist UFR
Front Park Assist - UFR
Master Electrical Component List
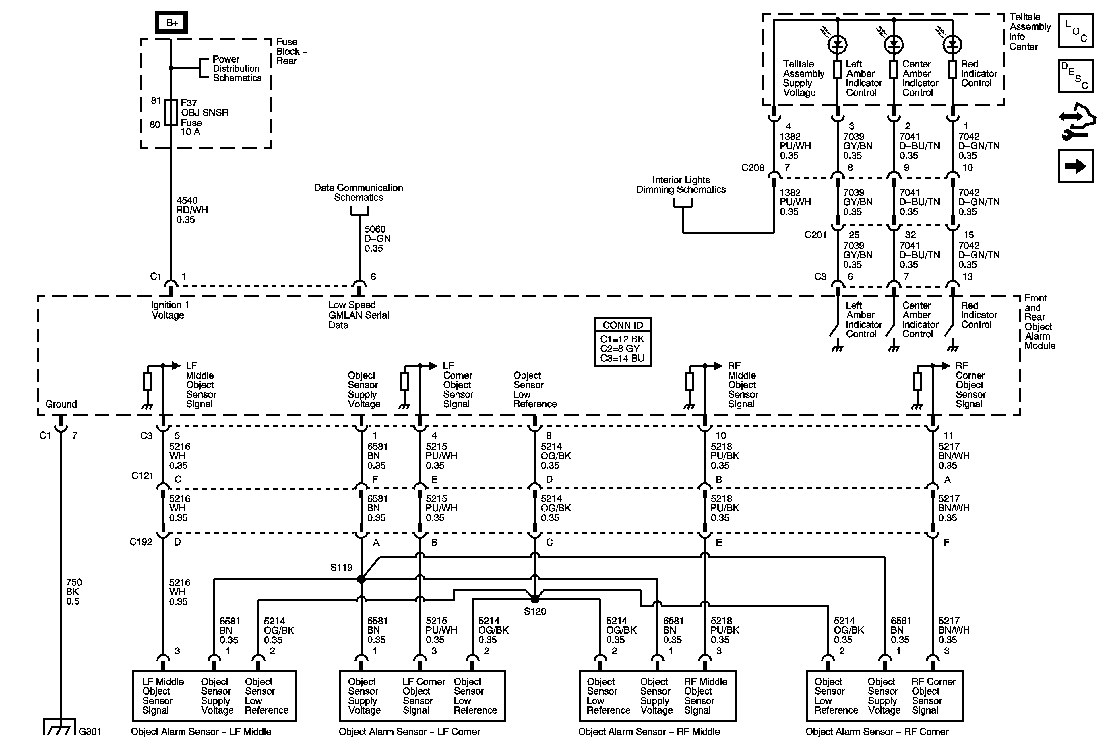
Object Detection Description and Operation
Control Module References
Rear Park Assist UFR
Rear Fuse Block B+
Power, Ground and Low Speed GMLAN
HVAC Control Module, Steering Wheel, Heated Seat KA6, Telltale Assembly Info Center
G301