GM Service Manual Online
For 1990-2009 cars only
Makes
🢒
Cadillac
🢒
2007
🢒
DTS
🢒 w/o A45
w/o A45
w/o A45
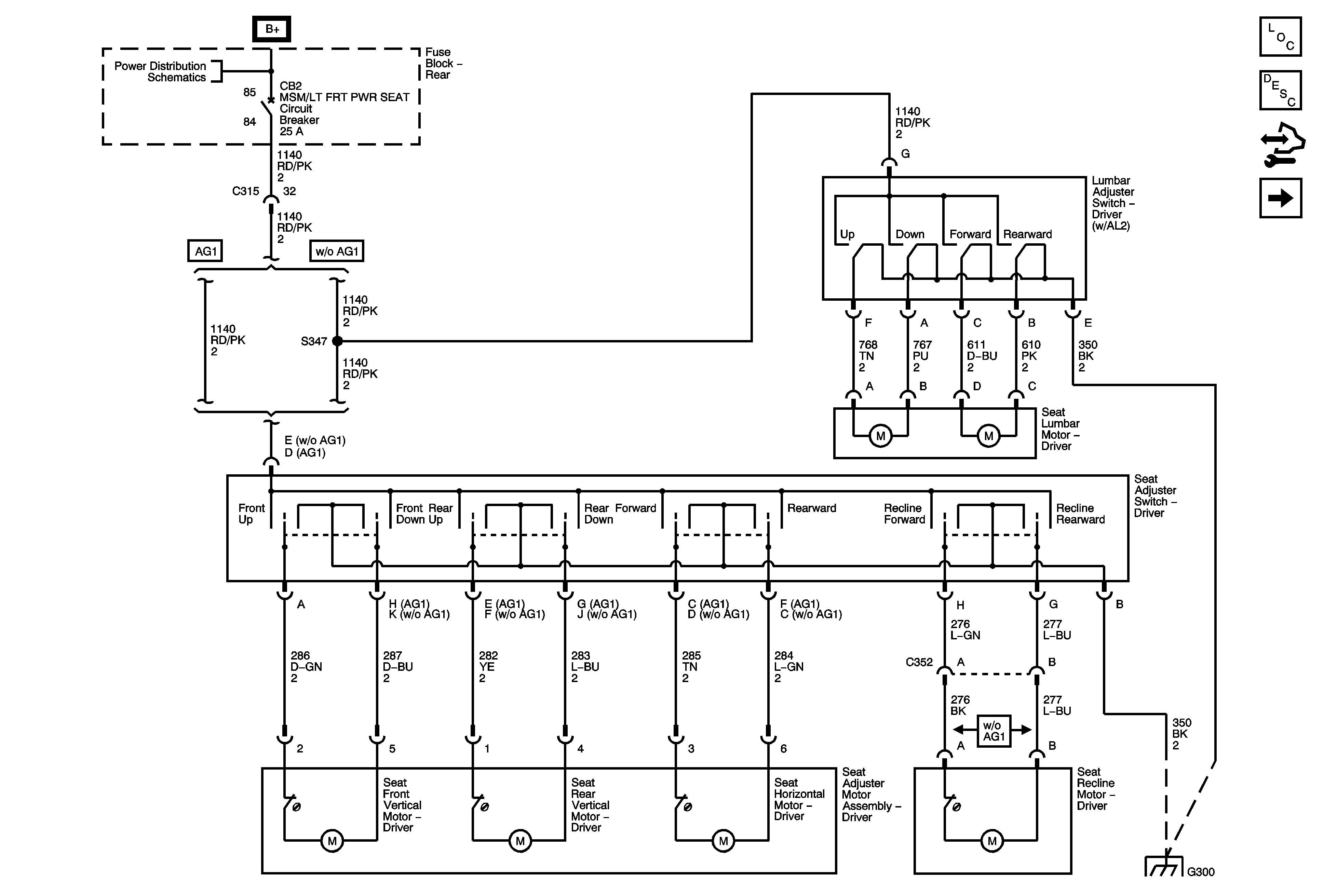
Power Seats System Description and Operation
w/ A45
Rear Fuse Block B+
G300