GM Service Manual Online
For 1990-2009 cars only
Makes
🢒
Cadillac
🢒
2007
🢒
DTS
🢒 w/ A45
w/ A45
w/A45
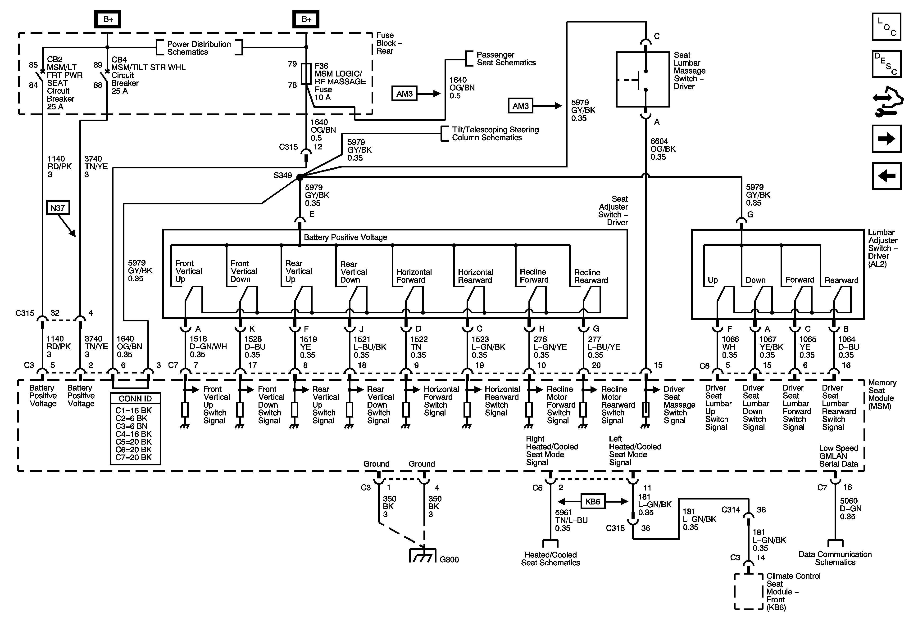
Memory Seats Description and Operation
Position Sensors
w/o A45
Rear Fuse Block B+
w/ AM3
Tilt/Telscoping N37
G300
Passenger Heated and Cooled Seat KB6
Power, Ground and Low Speed GMLAN