GM Service Manual Online
For 1990-2009 cars only
Makes
🢒
Cadillac
🢒
1999
🢒
DeVille
🢒
Engine
🢒
Engine Cooling
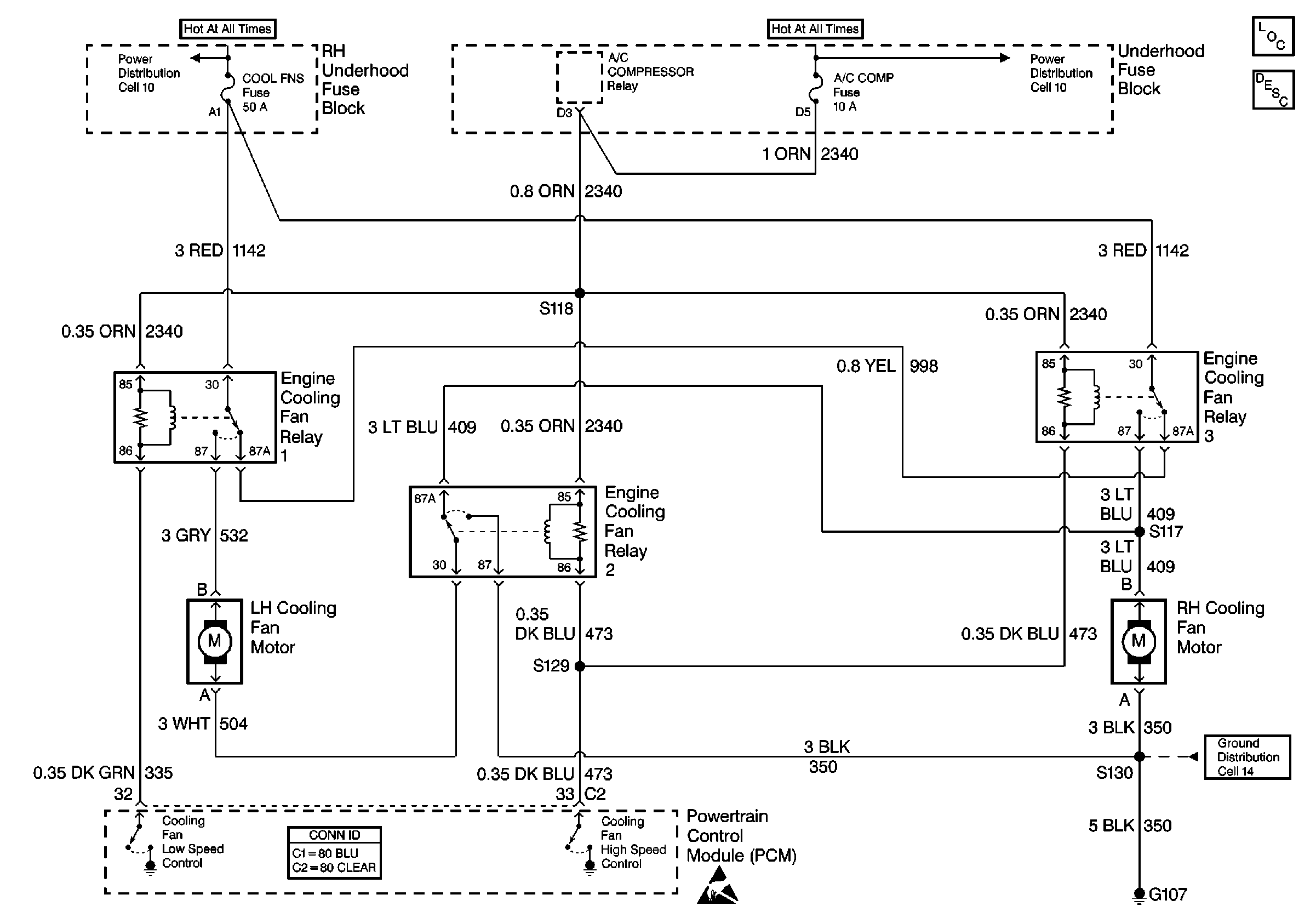
🢒 Cooling Fan Schematics
Cell 31
Cooling System Components
Coolant Description
Handling ESD Sensitive Parts Notice
Power Distribution Schematics
Power Distribution Schematics
Ground Distribution Schematics
Powertrain Control Module Connector End Views