GM Service Manual Online
For 1990-2009 cars only

Cell 10: Battery Power to Fuse Blocks


Object Number: 318067  Size: FS
Power and Grounding Components
Cell 10: BATT 2 and BATT 3 Fuses and the Ignition Switch Outputs
Cell 14: G100 and G105

Cell 10: BATT 2 and BATT 3 Fuses and the Ignition Switch Outputs


Object Number: 318072  Size: FS
Power and Grounding Components
Cell 10: RH Underhood Fuse Block IGN 1 Fuse
Cell 10: Battery Power to Fuse Blocks

Cell 10: RH Underhood Fuse Block IGN 1 Fuse


Object Number: 318077  Size: FS
Power and Grounding Components
Cell 10: BATT 1 and BRAKES Fuses
Cell 10: BATT 2 and BATT 3 Fuses and the Ignition Switch Outputs
Cell 10: Battery Power to Fuse Blocks

Cell 10: BATT 1 and BRAKES Fuses


Object Number: 318117  Size: FS
Power and Grounding Components
Cell 10: COOL FANS Fuse
Cell 10: RH Underhood Fuse Block IGN 1 Fuse
Handling ESD Sensitive Parts Notice
Cell 10: Battery Power to Fuse Blocks

Cell 10: COOL FANS Fuse


Object Number: 318121  Size: FS
Power and Grounding Components
Cell 10: BODY 1 Fuse
Cell 10: BATT 1 and BRAKES Fuses
Cell 31
Cell 10: Battery Power to Fuse Blocks

Cell 10: BODY 1 Fuse


Object Number: 318124  Size: FS
Power and Grounding Components
Cell 10: BODY 2 Fuse
Cell 10: COOL FANS Fuse
Cell 10: Battery Power to Fuse Blocks

Cell 10: BODY 2 Fuse


Object Number: 318126  Size: FS
Power and Grounding Components
Cell 10: BODY 3 Fuse
Cell 10: BODY 1 Fuse
Cell 10: Battery Power to Fuse Blocks

Cell 10: BODY 3 Fuse


Object Number: 318140  Size: FS
Power and Grounding Components
Cell 10: INADVERT Fuse
Cell 10: BODY 2 Fuse
Cell 10: Battery Power to Fuse Blocks

Cell 10: INADVERT Fuse


Object Number: 318142  Size: FS
Power and Grounding Components
Cell 10: LAMPS Fuse
Cell 10: BODY 3 Fuse
Cell 10: Battery Power to Fuse Blocks

Cell 10: LAMPS Fuse


Object Number: 318143  Size: FS
Power and Grounding Components
Cell 10: LH Underhood Fuse Block IGN 1 Fuse
Cell 10: INADVERT Fuse
Cell 10: Battery Power to Fuse Blocks

Cell 10: LH Underhood Fuse Block IGN 1 Fuse


Object Number: 318148  Size: FS
Power and Grounding Components
Cell 10: WINDOWS Circuit Breaker
Cell 10: LAMPS Fuse
Cell 10: Battery Power to Fuse Blocks

Cell 10: WINDOWS Circuit Breaker


Object Number: 318151  Size: FS
Power and Grounding Components
Cell 10: SEATS Circuit Breaker
Cell 10: LH Underhood Fuse Block IGN 1 Fuse
Cell 10: Battery Power to Fuse Blocks
Handling ESD Sensitive Parts Notice

Cell 10: SEATS Circuit Breaker


Object Number: 318154  Size: FS
Power and Grounding Components
Cell 10: INT LPS Fuse (1 of 2)
Cell 10: WINDOWS Circuit Breaker
Horn Schematics
Handling ESD Sensitive Parts Notice
Handling ESD Sensitive Parts Notice
Handling ESD Sensitive Parts Notice
Cell 10: Battery Power to Fuse Blocks

Cell 10: INT LPS Fuse (1 of 2)


Object Number: 317854  Size: FS
Power and Grounding Components
Cell 10: INT LPS Fuse (2 of 2)
Cell 10: SEATS Circuit Breaker
Interior Lights Schematics DeVille
Cell 10: INT LPS Fuse (2 of 2)
Cell 10: INADVERT Fuse

Cell 10: INT LPS Fuse (2 of 2)


Object Number: 317860  Size: FS
Power and Grounding Components
Cell 10: CIG LTR 1 and CIG LTR 2 Fuses
Cell 10: INT LPS Fuse (1 of 2)
Cell 10: INT LPS Fuse (1 of 2)

Cell 10: CIG LTR 1 and CIG LTR 2 Fuses


Object Number: 317862  Size: FS
Power and Grounding Components
Cell 10: HDLPS, DRL, L HDLP LO, L HDLP HI, R HDLP LO, and R HDLP HI Fuses
Cell 10: INT LPS Fuse (2 of 2)
Cell 10: INADVERT Fuse

Cell 10: HDLPS, DRL, L HDLP LO, L HDLP HI, R HDLP LO, and R HDLP HI Fuses


Object Number: 317863  Size: FS
Power and Grounding Components
Cell 10: MIRROR, FOG, and DRL Fuses
Cell 10: CIG LTR 1 and CIG LTR 2 Fuses
Cell 10: LAMPS Fuse

Cell 10: MIRROR, FOG, and DRL Fuses


Object Number: 317865  Size: FS
Power and Grounding Components
Cell 10: INJ Fuses
Cell 10: HDLPS, DRL, L HDLP LO, L HDLP HI, R HDLP LO, and R HDLP HI Fuses
Handling ESD Sensitive Parts Notice
Cell 10: LAMPS Fuse
Fog Lights Schematics Front
Headlights Schematics DeVille USA

Cell 10: INJ Fuses


Object Number: 317870  Size: FS
Power and Grounding Components
Cell 10: STOP, HAZARD, CNR LP, and IGN 0 (ENG) Fuses
Cell 10: MIRROR, FOG, and DRL Fuses
Cell 10: BATT 2 and BATT 3 Fuses and the Ignition Switch Outputs

Cell 10: STOP, HAZARD, CNR LP, and IGN 0 (ENG) Fuses


Object Number: 317872  Size: FS
Power and Grounding Components
Cell 10: FUEL PUMP, OXY SEN 1, and OXY SEN 2 Fuses
Cell 10: INJ Fuses
Handling ESD Sensitive Parts Notice
Cell 10: LAMPS Fuse

Cell 10: FUEL PUMP, OXY SEN 1, and OXY SEN 2 Fuses


Object Number: 317873  Size: FS
Power and Grounding Components
Cell 10: ABS and IGN 1 Fuses
Cell 10: STOP, HAZARD, CNR LP, and IGN 0 (ENG) Fuses
Engine Controls Schematics

Cell 10: ABS and IGN 1 Fuses


Object Number: 317875  Size: FS
Power and Grounding Components
Cell 10: ECS Fuse
Cell 10: FUEL PUMP, OXY SEN 1, and OXY SEN 2 Fuses

Cell 10: ECS Fuse


Object Number: 317877  Size: FS
Power and Grounding Components
Cell 10: PARK/REV Fuse
Cell 10: ABS and IGN 1 Fuses
Cell 14: G102
Cell 10: BATT 2 and BATT 3 Fuses and the Ignition Switch Outputs
Handling ESD Sensitive Parts Notice

Cell 10: PARK/REV Fuse


Object Number: 317879  Size: FS
Power and Grounding Components
Cell 10: CRUISE, DIS, and PCM (IGN) Fuses
Cell 10: ECS Fuse
Cell 10: BATT 1 and BRAKES Fuses

Cell 10: CRUISE, DIS, and PCM (IGN) Fuses


Object Number: 317880  Size: FS
Power and Grounding Components
Cell 10: PCM (BAT) and A/C COMP Fuses
Cell 10: PARK/REV Fuse
Cell 10: BATT 2 and BATT 3 Fuses and the Ignition Switch Outputs
Handling ESD Sensitive Parts Notice

Cell 10: PCM (BAT) and A/C COMP Fuses


Object Number: 317882  Size: FS
Power and Grounding Components
Cell 10: CONVENIENCE Fuse
Cell 10: CRUISE, DIS, and PCM (IGN) Fuses
Handling ESD Sensitive Parts Notice
Cell 31

Cell 10: CONVENIENCE Fuse


Object Number: 317884  Size: FS
Power and Grounding Components
Cell 10: WIPERS, ACC, and CLUSTER Fuses
Cell 10: PCM (BAT) and A/C COMP Fuses
Cell 10: BODY 1 Fuse
Cell 14: G401 (DeVille 1 of 2)
Cell 14: G401 (DeVille 1 of 2)
Door Lock/Indicator Schematics
Door Lock/Indicator Schematics
Door Lock/Indicator Schematics
Release Systems Schematics
Release Systems Schematics

Cell 10: WIPERS, ACC, and CLUSTER Fuses


Object Number: 317886  Size: FS
Power and Grounding Components
Cell 10: ELC Circuit Breaker and ELC Fuse
Cell 10: CONVENIENCE Fuse
Handling ESD Sensitive Parts Notice
Handling ESD Sensitive Parts Notice
Cell 14: G204
Cell 10: BODY 3 Fuse

Cell 10: ELC Circuit Breaker and ELC Fuse


Object Number: 317887  Size: FS
Power and Grounding Components
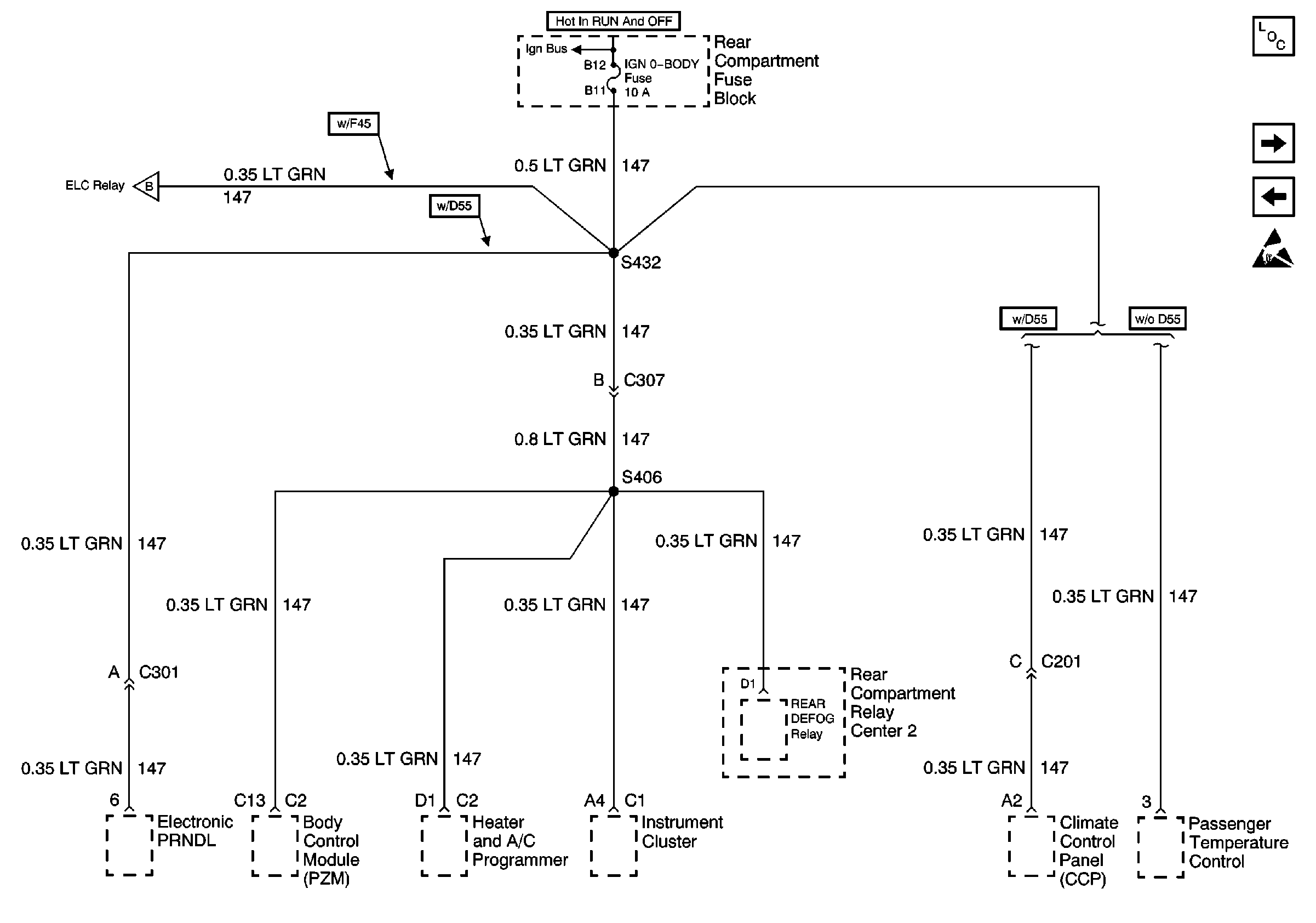
Cell 10: IGN 0 BODY Fuse (Eldorado)
Cell 10: WIPERS, ACC, and CLUSTER Fuses
Cell 10: BATT 2 and BATT 3 Fuses and the Ignition Switch Outputs
Cell 42: Automatic Level Control (Without F45)
Cell 42: Automatic Level Control - Compressor (With F45)
Cell 10: IGN 0 BODY Fuse (DeVille)
Cell 10: IGN 0 BODY Fuse (Eldorado)

Cell 10: IGN 0 BODY Fuse (Eldorado)


Object Number: 317889  Size: FS
Power and Grounding Components
Cell 10: IGN 0 BODY Fuse (DeVille)
Cell 10: ELC Circuit Breaker and ELC Fuse
Cell 10: BATT 2 and BATT 3 Fuses and the Ignition Switch Outputs
Handling ESD Sensitive Parts Notice
Cell 10: ELC Circuit Breaker and ELC Fuse

Cell 10: IGN 0 BODY Fuse (DeVille)


Object Number: 317891  Size: FS
Power and Grounding Components
Cell 10: PULLDOWN, HTD SEAT R, and HTD SEAT L Fuses
Cell 10: IGN 0 BODY Fuse (Eldorado)
Cell 10: BATT 2 and BATT 3 Fuses and the Ignition Switch Outputs
Cell 10: ELC Circuit Breaker and ELC Fuse
Handling ESD Sensitive Parts Notice

Cell 10: PULLDOWN, HTD SEAT R, and HTD SEAT L Fuses


Object Number: 317894  Size: FS
Power and Grounding Components
Cell 10: BATT Fuse
Cell 10: IGN 0 BODY Fuse (DeVille)
Handling ESD Sensitive Parts Notice
Handling ESD Sensitive Parts Notice

Cell 10: BATT Fuse


Object Number: 317895  Size: FS
Power and Grounding Components
Cell 10: SIR, RSS, and TURN Fuses
Cell 10: PULLDOWN, HTD SEAT R, and HTD SEAT L Fuses
Handling ESD Sensitive Parts Notice
Cell 10: BODY 1 Fuse

Cell 10: SIR, RSS, and TURN Fuses


Object Number: 317898  Size: FS
Power and Grounding Components
Cell 10: RLY IGN 1 Fuse
Cell 10: BATT Fuse
Cell 10: LH Underhood Fuse Block IGN 1 Fuse
Cell 10: BATT 2 and BATT 3 Fuses and the Ignition Switch Outputs
SIR Handling Caution
SIR Handling Caution
SIR Handling Caution
Handling ESD Sensitive Parts Notice

Cell 10: RLY IGN 1 Fuse


Object Number: 317900  Size: FS
Power and Grounding Components
Cell 10: CONSOLE Fuse
Cell 10: SIR, RSS, and TURN Fuses
Handling ESD Sensitive Parts Notice
Handling ESD Sensitive Parts Notice
Cell 10: LH Underhood Fuse Block IGN 1 Fuse

Cell 10: CONSOLE Fuse


Object Number: 317902  Size: FS
Power and Grounding Components
Cell 10: COMFORT Fuse
Cell 10: RLY IGN 1 Fuse
Cell 10: BATT 2 and BATT 3 Fuses and the Ignition Switch Outputs

Cell 10: COMFORT Fuse


Object Number: 317903  Size: FS
Power and Grounding Components
Cell 10: ANTENNA, HTD MIR, RSS, and HTD BACKLIT Fuses
Cell 10: CONSOLE Fuse
Handling ESD Sensitive Parts Notice
Handling ESD Sensitive Parts Notice
Handling ESD Sensitive Parts Notice
Handling ESD Sensitive Parts Notice

Cell 10: ANTENNA, HTD MIR, RSS, and HTD BACKLIT Fuses


Object Number: 317904  Size: FS
Power and Grounding Components
Cell 10: RSS, PZM, and AMP Fuses
Cell 10: COMFORT Fuse
Cell 10: BODY 1 Fuse

Cell 10: RSS, PZM, and AMP Fuses


Object Number: 317906  Size: FS
Power and Grounding Components
Cell 10: RT PARK Fuse (DeVille)
Cell 10: ANTENNA, HTD MIR, RSS, and HTD BACKLIT Fuses
Handling ESD Sensitive Parts Notice
Cell 10: BODY 1 Fuse
Cell 10: BODY 3 Fuse
Cell 10: BODY 3 Fuse
Cell 10: BODY 3 Fuse

Cell 10: RT PARK Fuse (DeVille)


Object Number: 317907  Size: FS
Power and Grounding Components
Cell 10: RT PARK Fuse (Eldorado)
Cell 10: RSS, PZM, and AMP Fuses
Cell 10: BODY 1 Fuse

Cell 10: RT PARK Fuse (Eldorado)


Object Number: 317922  Size: FS
Power and Grounding Components
Cell 10: LT PARK Fuse (DeVille)
Cell 10: RT PARK Fuse (DeVille)
Cell 10: BODY 1 Fuse

Cell 10: LT PARK Fuse (DeVille)


Object Number: 317923  Size: FS
Power and Grounding Components
Cell 10: LT PARK Fuse (Eldorado)
Cell 10: RT PARK Fuse (Eldorado)
Exterior Lights Schematics DeVille USA
Cell 10: BODY 1 Fuse

Cell 10: LT PARK Fuse (Eldorado)


Object Number: 317925  Size: FS
Power and Grounding Components
Cell 10: RADIO/PHONE Fuse
Cell 10: LT PARK Fuse (DeVille)
Cell 10: BODY 1 Fuse

Cell 10: RADIO/PHONE Fuse


Object Number: 317926  Size: FS
Power and Grounding Components
Cell 10: LT PARK Fuse (Eldorado)
Cell 10: Battery Power to Fuse Blocks
Handling ESD Sensitive Parts Notice
Handling ESD Sensitive Parts Notice
Handling ESD Sensitive Parts Notice
Cell 10: BODY 3 Fuse