GM Service Manual Online
For 1990-2009 cars only

Step

Action

Value(s)

Yes

No

1

Has Garage Door Opener System Check been performed?

--

Go to Step 2

Garage Door Opener System Check

2

Check valet switch.

Is valet switch in the OFF position?

--

Go to Step 3

Go to Step 9

3

Press rear compartment or fuel door release buttons.

Do rear compartment or fuel door releases actuate?

--

Go to Step 4

Cell 134


Object Number: 142056  Size: FS
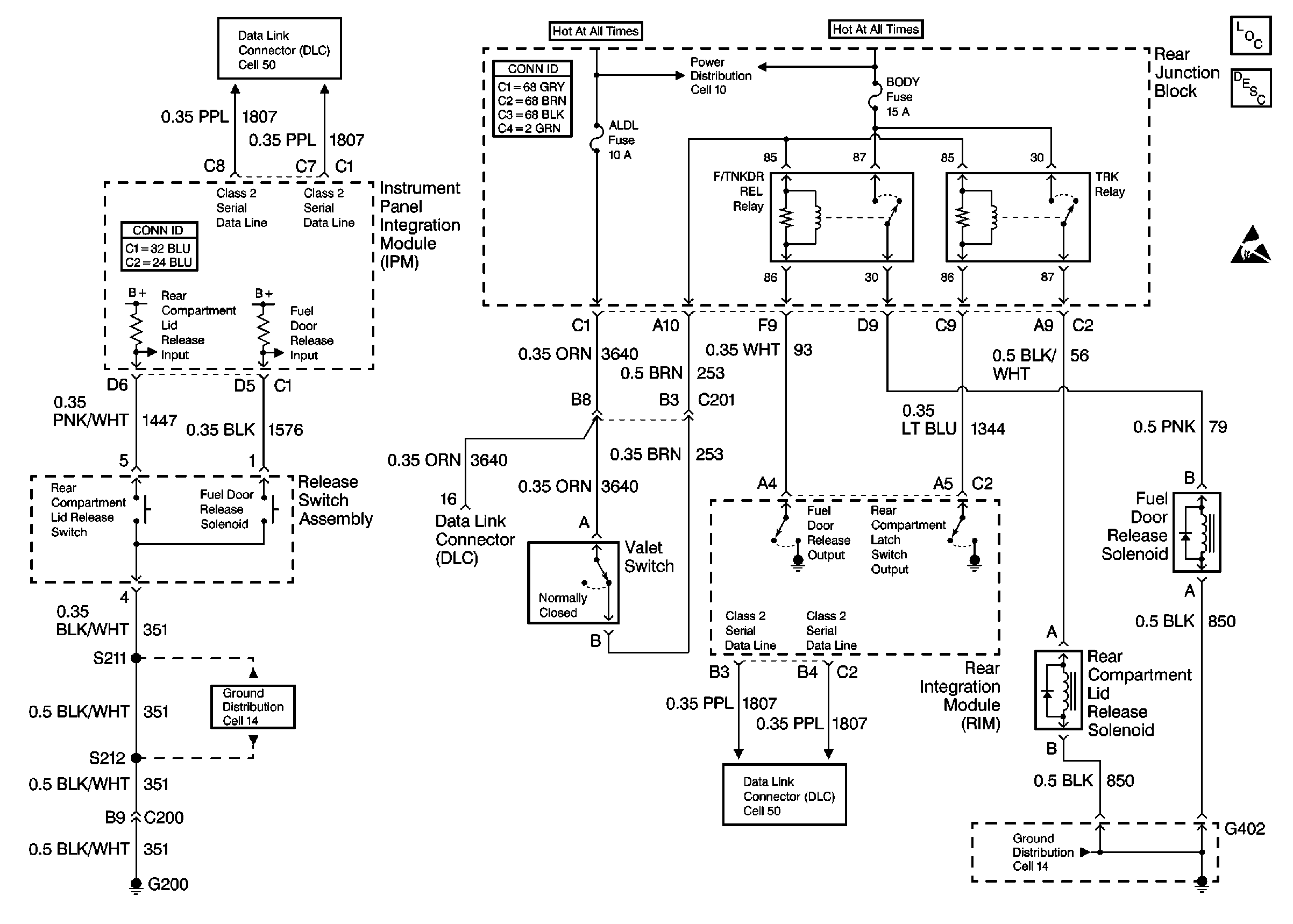
Body Rear End Components
Rear Compartment Lid Release Description
Rear Compartment Lid Release Description
Cell 50: Class Serial Data Line (2 of 2)
Cell 50: Class Serial Data Line (1 of 2)
Cell 14: G200 (1 of 2)
Cell 14: G402 (1 of 2)
Power Distribution Schematics
Handling ESD Sensitive Parts Notice
Body Control System Connector End Views
Power and Grounding Connector End Views

4

Check the Garage Door Opener for being fully seated in the overhead console.

Is Garage Door Opener installed properly?

--

Go to Step 5

Go to Step 11

5

  1. Remove Garage Door Opener from overhead console. Go to Garage Door Opener Replacement .
  2. Check for battery voltage from terminal 3 of the Garage Door Opener connector to ground with a DMM.

Is the voltage within the specified range?

10 - 15 V

Go to Step 6

Go to Step 8

6

Measure the voltage from the Garage Door Opener terminal 3 to terminal 1.

Is the voltage within the specified range?

10 - 15 V

Go to Step 10

Go to Step 7

7

Repair open in CKT 1355 (Dk BLU/WHT).

Is the repair complete?

 

Go to

Garage Door Opener System Check

Go to Step 9

8

Repair the open or short in CKT 640 (ORN).

Is the repair complete?

--

Go to

Garage Door Opener System Check

--

9

Turn valet switch to the OFF position.

Is repair complete?

--

Go to

Garage Door Opener System Check

--

10

Replace Garage Door Opener.

Refer to Garage Door Opener Replacement .

Is repair complete?

--

Go to

Garage Door Opener System Check

--

11

Replace overhead console.

Refer to Roof Console Replacement .

Is repair complete?

--

Go to

Garage Door Opener System Check

--

12

Remove overhead console. Refer to Roof Console Replacement . Assure the GDO is fully seated and making proper electrical connection to overhead console harness.

Is repair complete?

--

Go to

Garage Door Opener System Check

--

13

  1. Make sure any components removed during diagnosis are installed in place and that all connectors are connected.
  2. Repeat the system check. Refer to Garage Door Opener System Check .

Is the system check complete?

--

System OK

--