GM Service Manual Online
For 1990-2009 cars only

Heated Seats Schematics DeVille

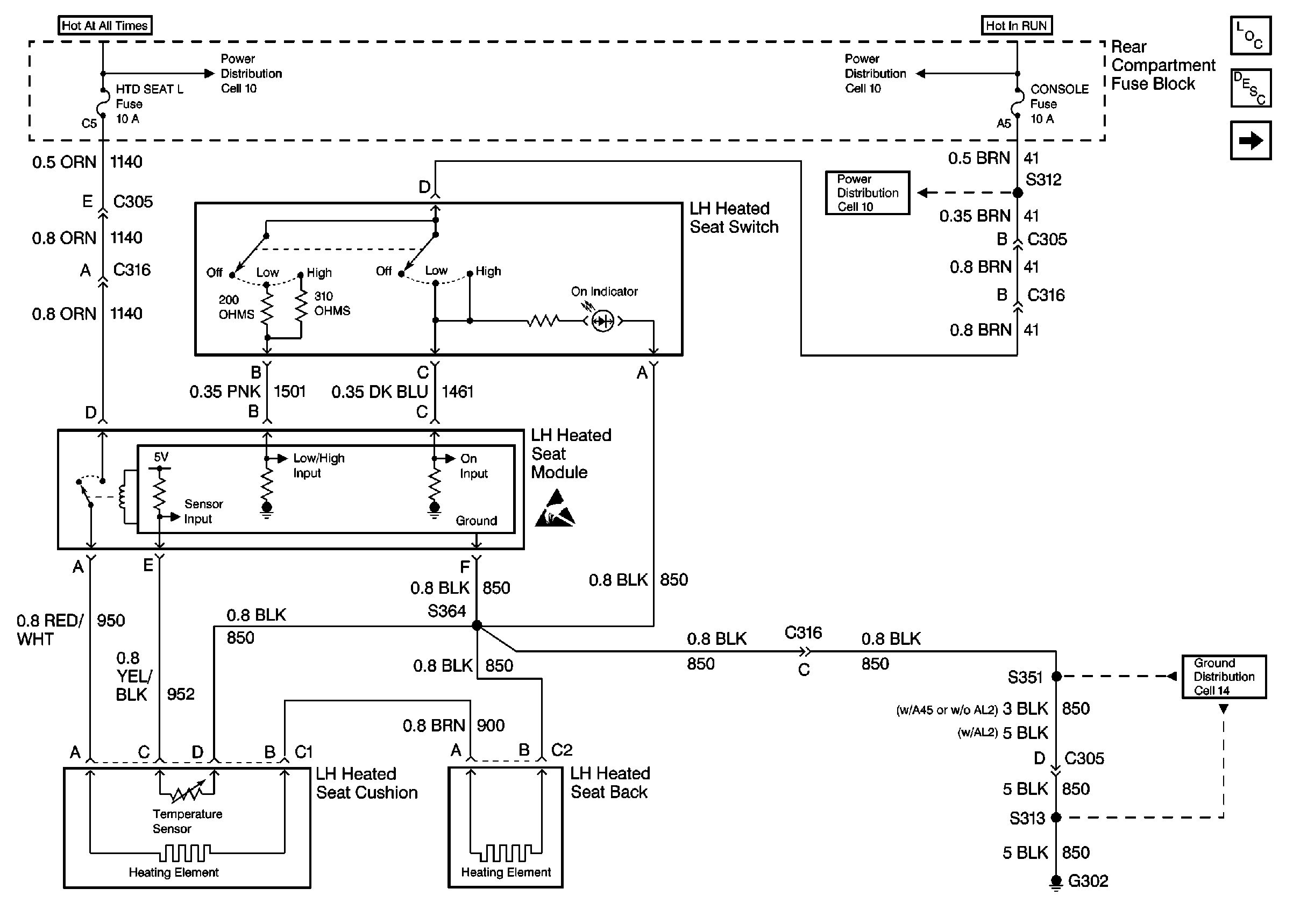
Cell 143: LH Heated Seat


Object Number: 318344  Size: FS
Power Seat Systems Components
Heated Seats Circuit Description
Cell 143: RH Heated Seat
Power Distribution Schematics
Power Distribution Schematics
Ground Distribution Schematics
Power Distribution Schematics
Handling ESD Sensitive Parts Notice

Cell 143: RH Heated Seat


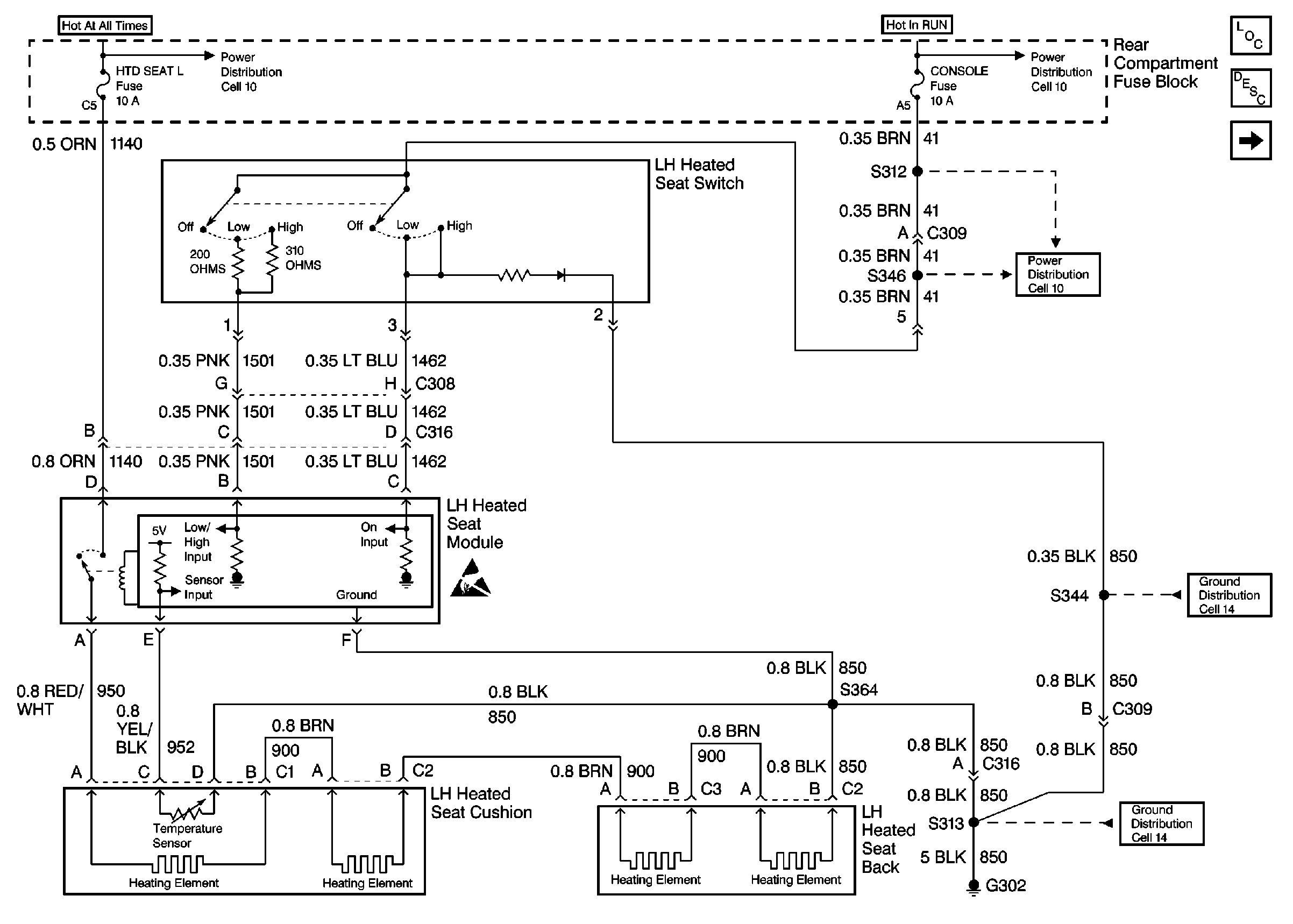
Object Number: 318345  Size: FS
Power Seat Systems Components
Heated Seats Circuit Description
Cell 143: LH Heated Seat
Power Distribution Schematics
Power Distribution Schematics
Power Distribution Schematics
Handling ESD Sensitive Parts Notice
Ground Distribution Schematics
Ground Distribution Schematics

Heated Seats Schematics Elderado

Cell 143: LH Heated Seat


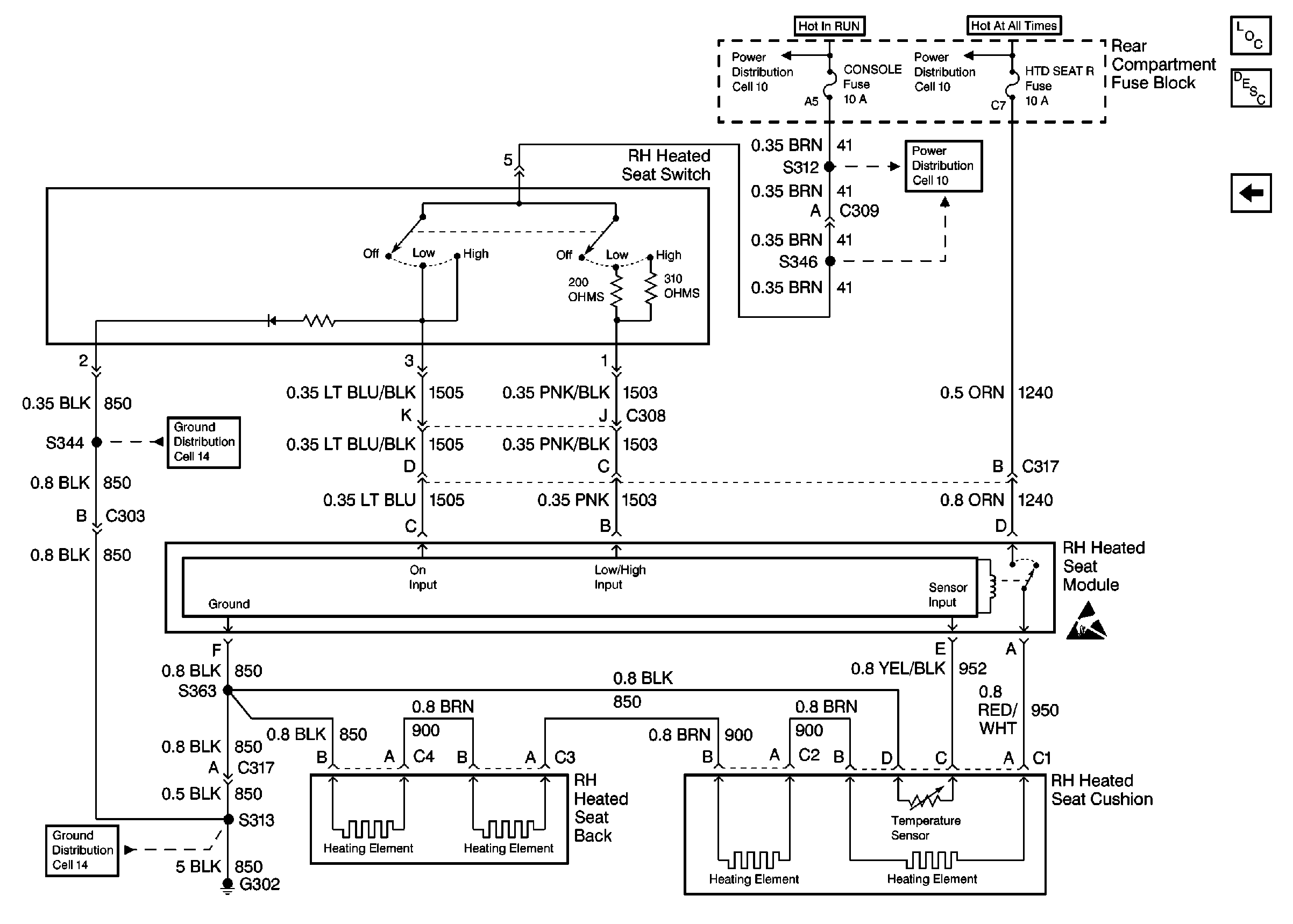
Object Number: 318346  Size: FS
Power Seat Systems Components
Heated Seats Circuit Description
Cell 143: RH Heated Seat
Power Distribution Schematics
Power Distribution Schematics
Power Distribution Schematics
Handling ESD Sensitive Parts Notice
Ground Distribution Schematics
Ground Distribution Schematics

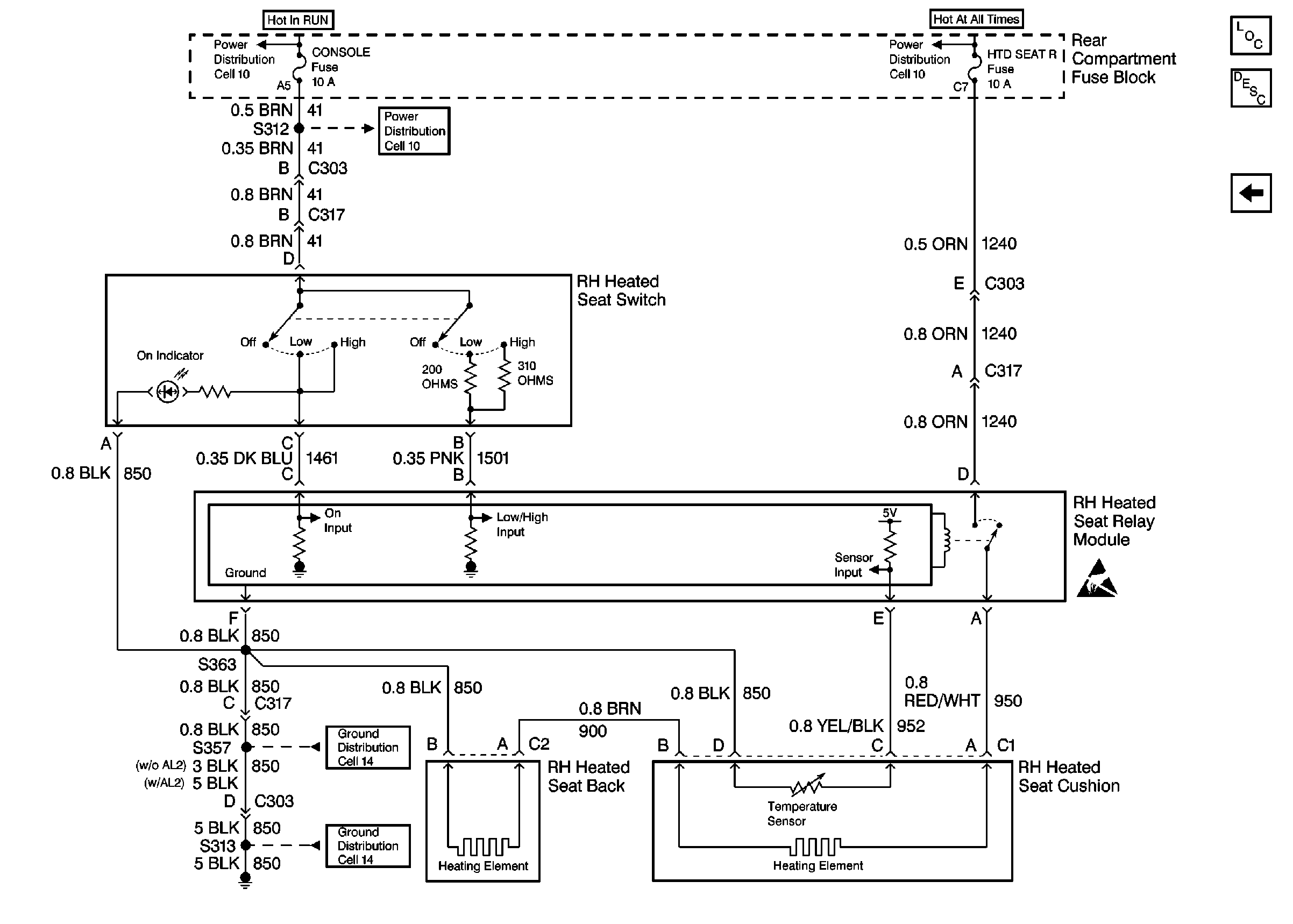
Cell 143: RH Heated Seat


Object Number: 318347  Size: FS
Power Seat Systems Components
Heated Seats Circuit Description
Cell 143: LH Heated Seat
Power Distribution Schematics
Power Distribution Schematics
Power Distribution Schematics
Ground Distribution Schematics
Ground Distribution Schematics
Handling ESD Sensitive Parts Notice