GM Service Manual Online
For 1990-2009 cars only
Makes
🢒
Cadillac
🢒
1999
🢒
DeVille
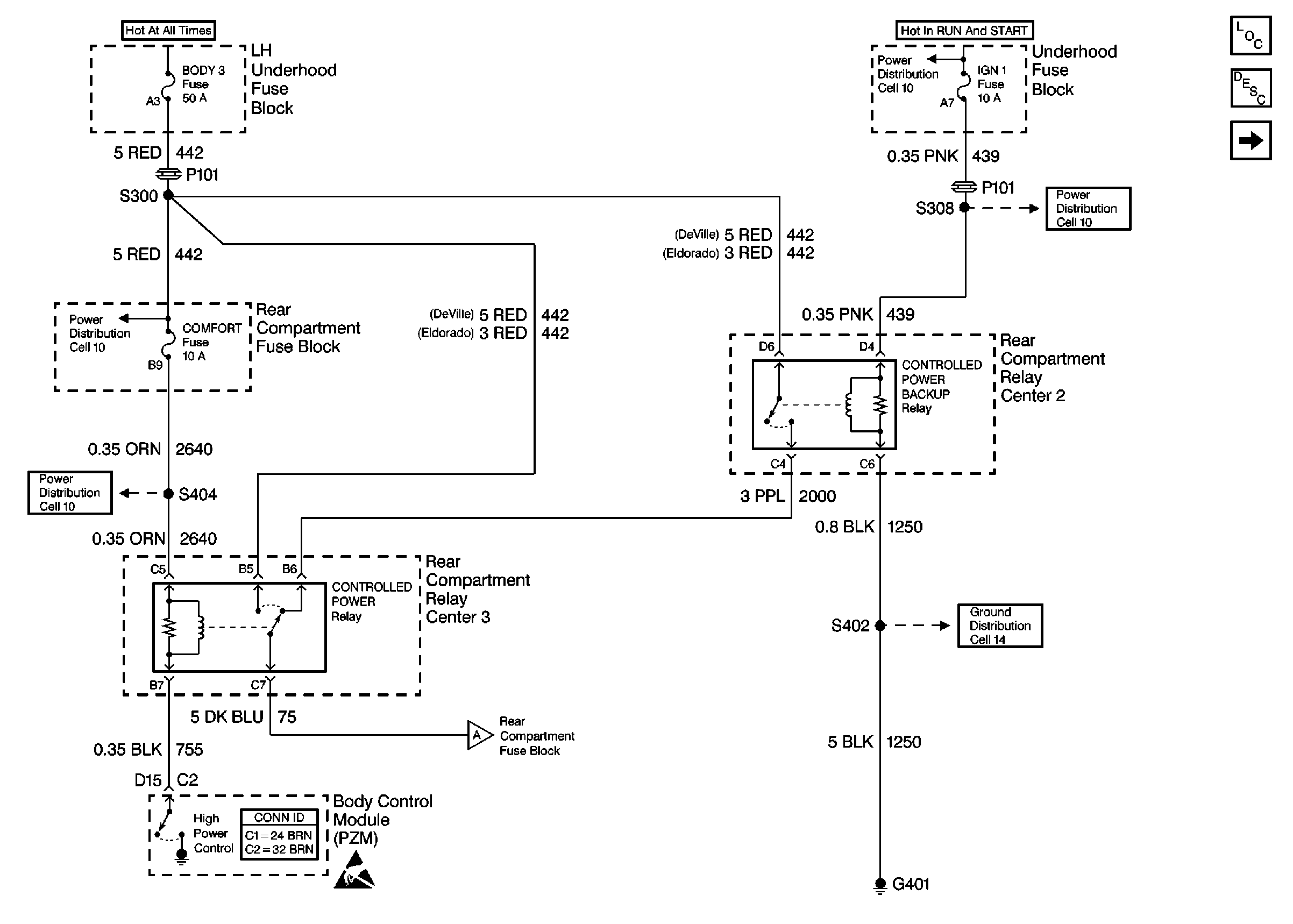
🢒 Cell 15: RAP Relay Feeds/Battery Protection Circuits
Cell 15: RAP Relay Feeds/Battery Protection Circuits
Cell 15: RAP Relay Feeds/Battery Protection Circuits
Retained Accessory Power (RAP) Components
Retained Accessory Power (RAP) Circuit Description
Cell 15: PZM, RAP Power, and Relay
Cell 10: ABS and IGN 1 Fuses
Cell 10: ABS and IGN 1 Fuses
Cell 10: BODY 3 Fuse
Cell 10: COMFORT Fuse
Cell 14: G401 (Eldorado 1 of 2)
Cell 15: PZM, RAP Power, and Relay
Handling ESD Sensitive Parts Notice