GM Service Manual Online
For 1990-2009 cars only
Makes
🢒
Cadillac
🢒
1999
🢒
DeVille
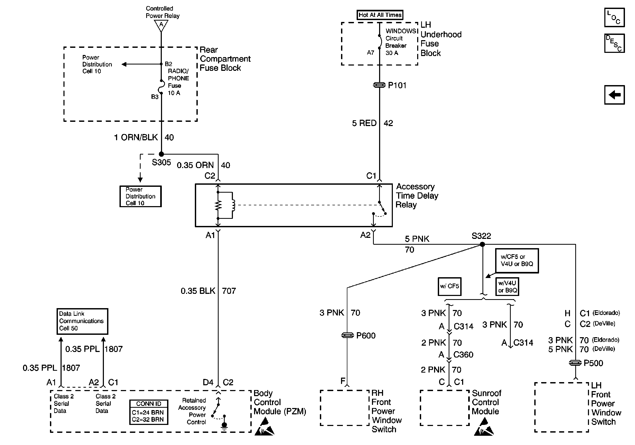
🢒 Cell 15: PZM, RAP Power, and Relay
Cell 15: PZM, RAP Power, and Relay
Cell 15: PZM, RAP Power, and Relay
Retained Accessory Power (RAP) Components
Retained Accessory Power (RAP) Circuit Description
Cell 15: RAP Relay Feeds/Battery Protection Circuits
Cell 10: RADIO/PHONE Fuse
Cell 10: BODY 3 Fuse
Cell 50: Power, Ground and Class 2
Handling ESD Sensitive Parts Notice