GM Service Manual Online
For 1990-2009 cars only
Makes
🢒
Cadillac
🢒
1999
🢒
DeVille
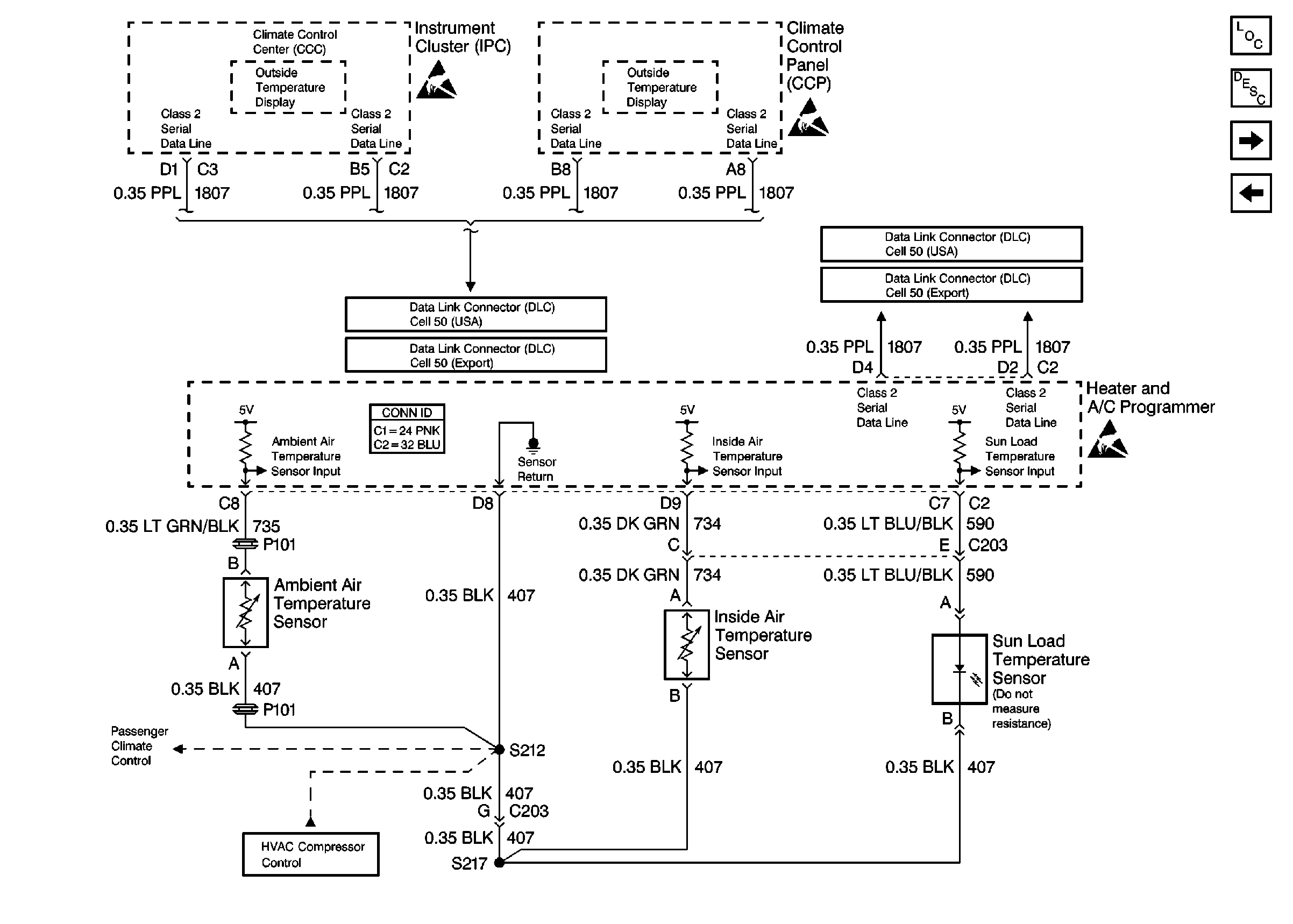
🢒 Cell 68: Temperature Sensors
Cell 68: Temperature Sensors
Cell 68: Temperature Sensors
HVAC Components
HVAC Temperature Controls Circuit Description
Cell 68: Passenger Temperature Control
Cell 68: Actuators
Handling ESD Sensitive Parts Notice
Handling ESD Sensitive Parts Notice
Handling ESD Sensitive Parts Notice
HVAC Compressor Control Schematics
HVAC Connector End Views
Data Link Connector Schematics
Data Link Connector Schematics
Data Link Connector Schematics
Data Link Connector Schematics