GM Service Manual Online
For 1990-2009 cars only
Makes
🢒
Cadillac
🢒
1999
🢒
DeVille
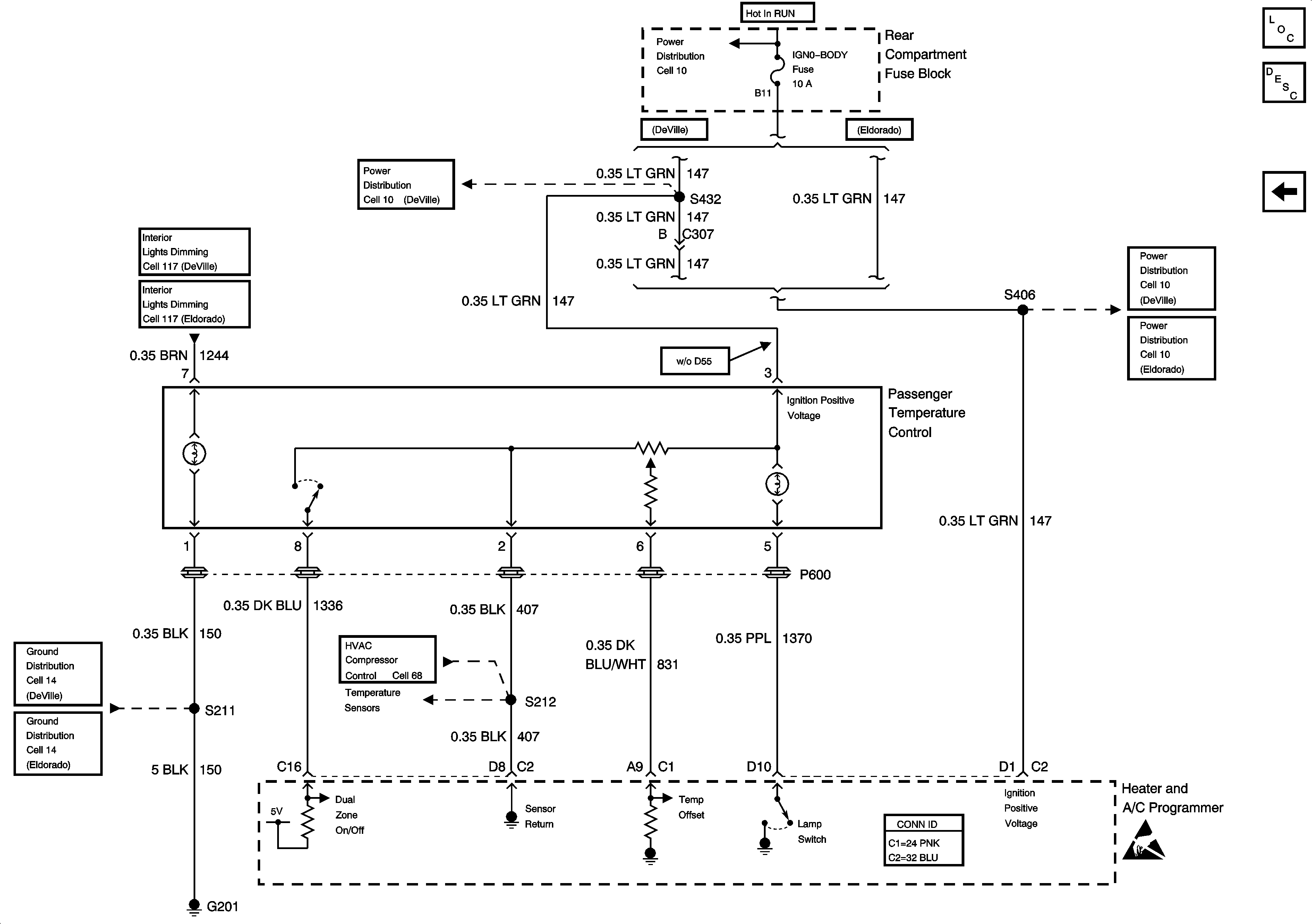
🢒 Cell 68: Passenger Temperature Control
Cell 68: Passenger Temperature Control
Cell 68: Passenger Temperature Control
HVAC Components
HVAC Temperature Controls Circuit Description
Cell 68: Temperature Sensors
Cell 10: IGN 0 BODY Fuse (Eldorado)
Cell 10: IGN 0 BODY Fuse (DeVille)
Cell 10: IGN 0 BODY Fuse (DeVille)
Cell 10: IGN 0 BODY Fuse (Eldorado)
Interior Lights Schematics DeVille
Interior Lights Schematics DeVille
Cell 14: G201
Cell 14: G201
(Cell 67 (2 of 2))
HVAC Connector End Views