GM Service Manual Online
For 1990-2009 cars only
Makes
🢒
Cadillac
🢒
2000
🢒
DeVille
🢒
Body and Accessories
🢒
Instrument Panel, Gauges, and Console
🢒 Night Vision Schematics
Figure
1:
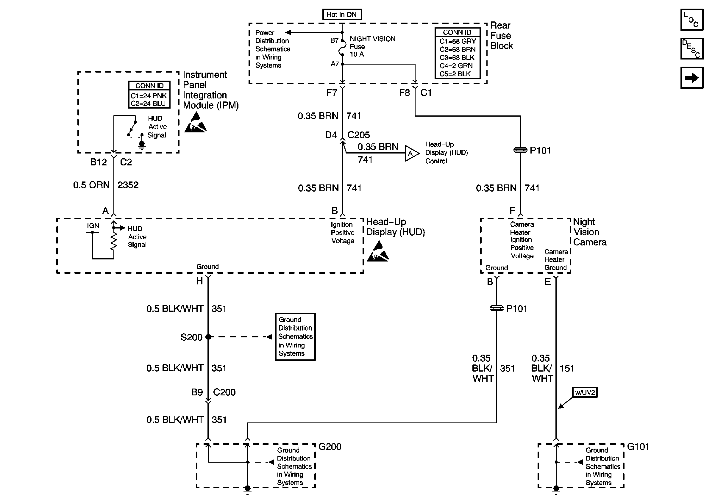
HUD and Night Vision Camera -- Power, Ground
Night Vision Components
Night Vision Description
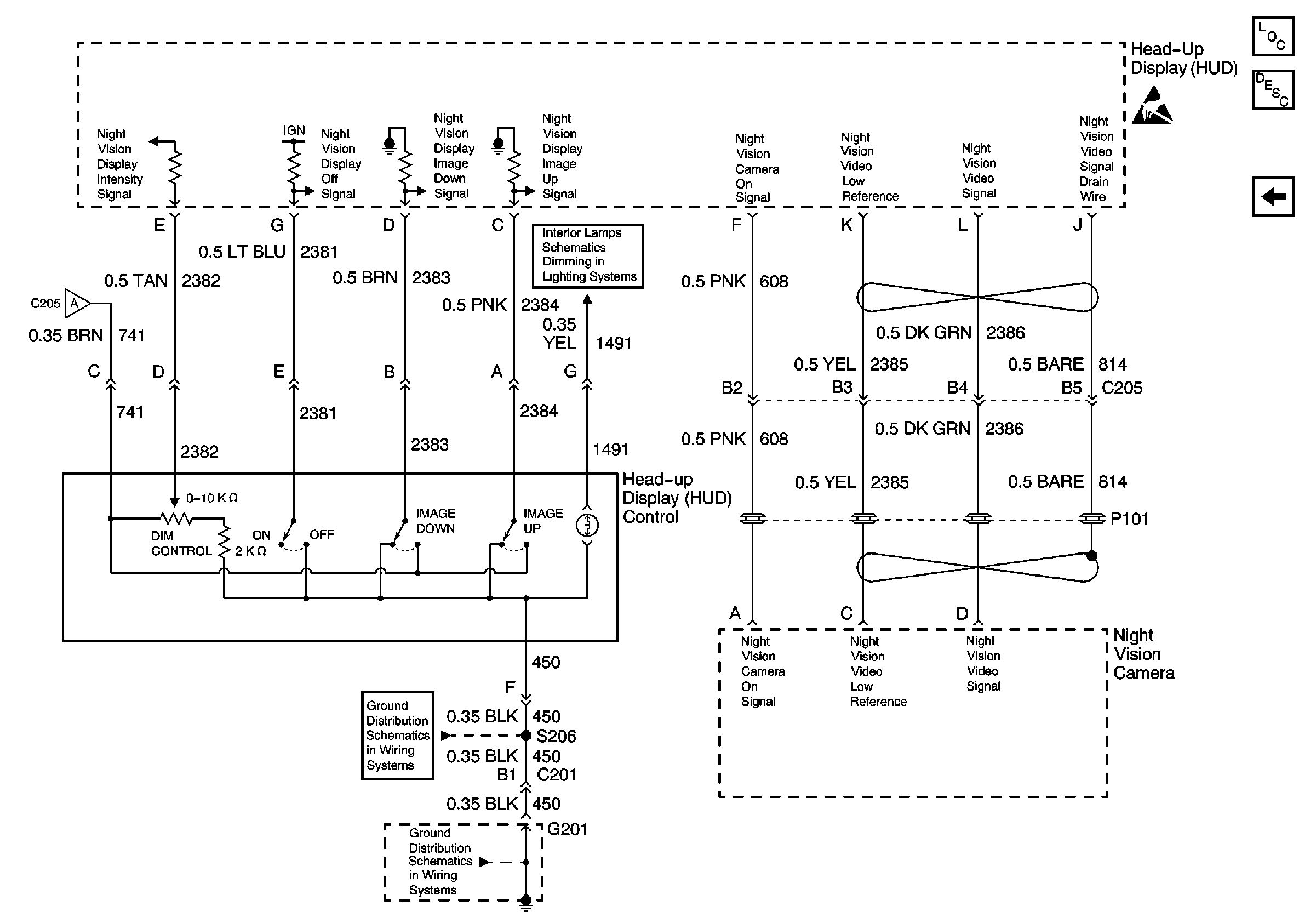
HUD Control and Night Vision Camera Video Circuits
Handling ESD Sensitive Parts Notice
Handling ESD Sensitive Parts Notice
Body Control System Connector End Views
Rear Fuse Block Battery Voltage
Power and Grounding Connector End Views Fuse Blocks and Ignition Switch
HUD Control and Night Vision Camera Video Circuits
G201 - IP Harness
G200
G101
G200
G101
Figure
2:
HUD Control and Night Vision Camera Video Circuits
Night Vision Components
Night Vision Description
HUD and Night Vision Camera - Power, Ground
Handling ESD Sensitive Parts Notice
HUD and Night Vision Camera - Power, Ground
Interior Lights Schematics w/o V4U/B9Q
G201 - IP Harness
G201 - IP Harness