GM Service Manual Online
For 1990-2009 cars only
Makes
🢒
Cadillac
🢒
2000
🢒
DeVille
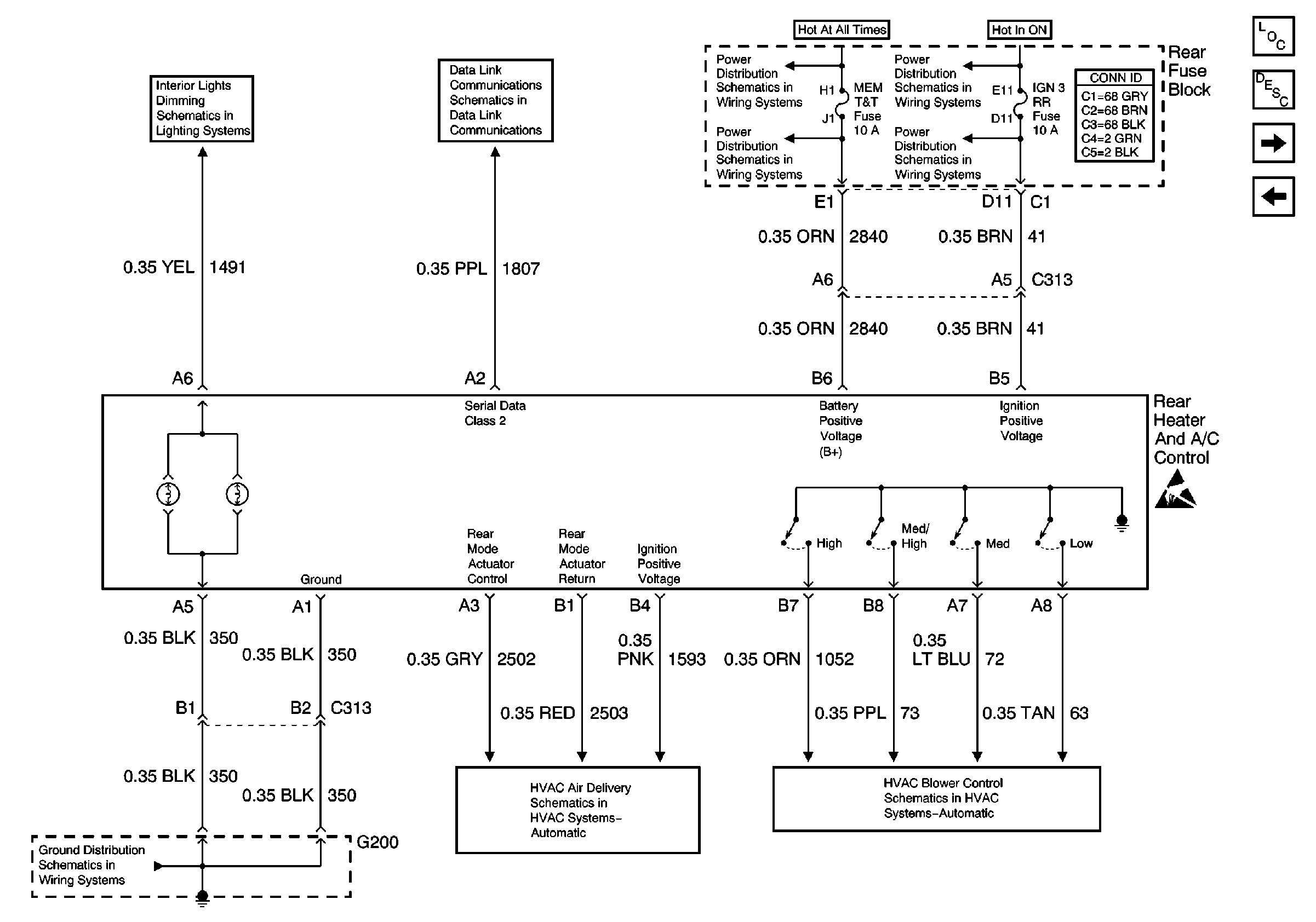
🢒 Rear Heater and A/C Control Module - DeVille/DHS
Rear Heater and A/C Control Module - DeVille/DHS
Rear Heater and A/C Control Module -- DeVille/DHS
Body Control Module Components
Body Control System Circuit Description
Rear Heater and A/C Control Module - DTS
Rear Integration Module (RIM) - Level Control and Other Inputs and Outputs
Handling ESD Sensitive Parts Notice
Interior Lights Dimming Schematics
Data Link Connector Schematics
Rear Fuse Block Battery Voltage
MEM T&T, RRLUM/ANT, and HTDST LF Fuses
IGN 3 Fuse
IGN 3 Fuse
Power and Grounding Connector End Views Fuse Blocks and Ignition Switch
G200
HVAC Air Delivery/Temperature Control Schematics
HVAC Blower Control Schematics