GM Service Manual Online
For 1990-2009 cars only
Makes
🢒
Cadillac
🢒
2000
🢒
DeVille
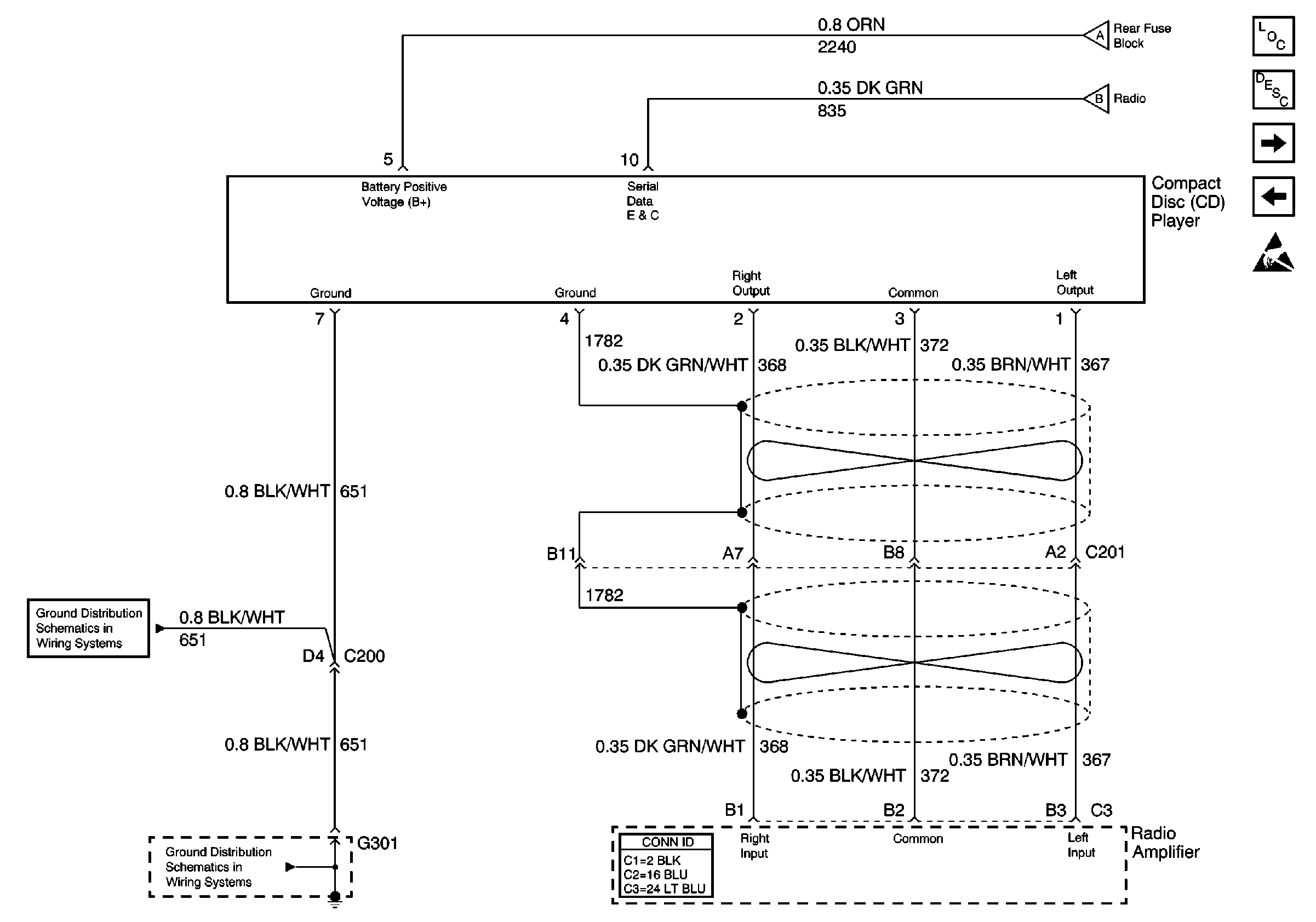
🢒 Compact Disc (CD) Player
Compact Disc (CD) Player
Compact Disc (CD) Player
Entertainment Components
Radio/Audio System Circuit Description exc UY4
Radio Amplifier
Power and Ground
Handling ESD Sensitive Parts Notice
G301
G301
Power and Ground
Power and Ground