GM Service Manual Online
For 1990-2009 cars only
Makes
🢒
Cadillac
🢒
2000
🢒
DeVille
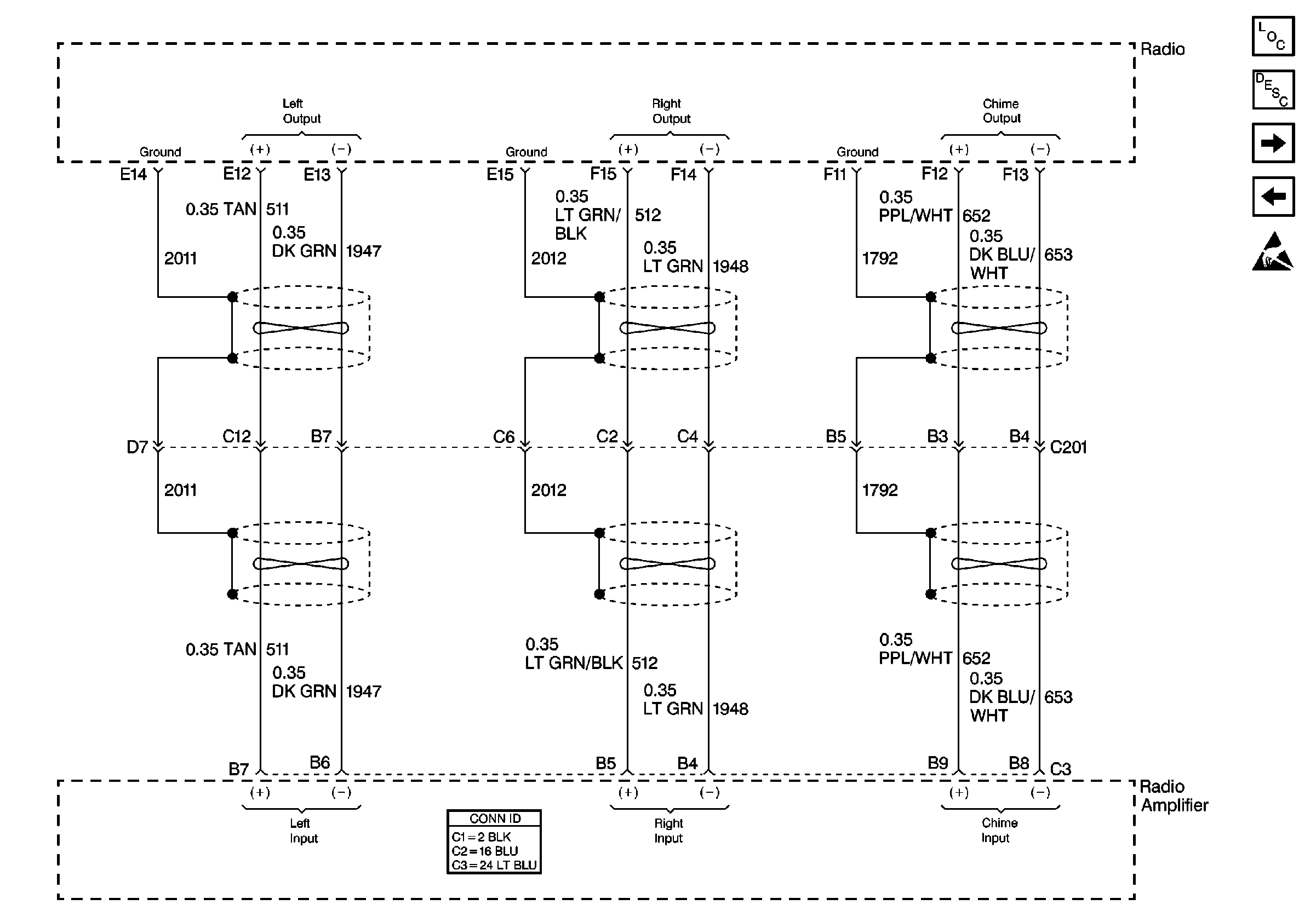
🢒 Radio Amplifier
Radio Amplifier
Radio Amplifier
Entertainment Components
Radio/Audio System Circuit Description exc UY4
Front Speakers
Compact Disc (CD) Player
Handling ESD Sensitive Parts Notice