GM Service Manual Online
For 1990-2009 cars only

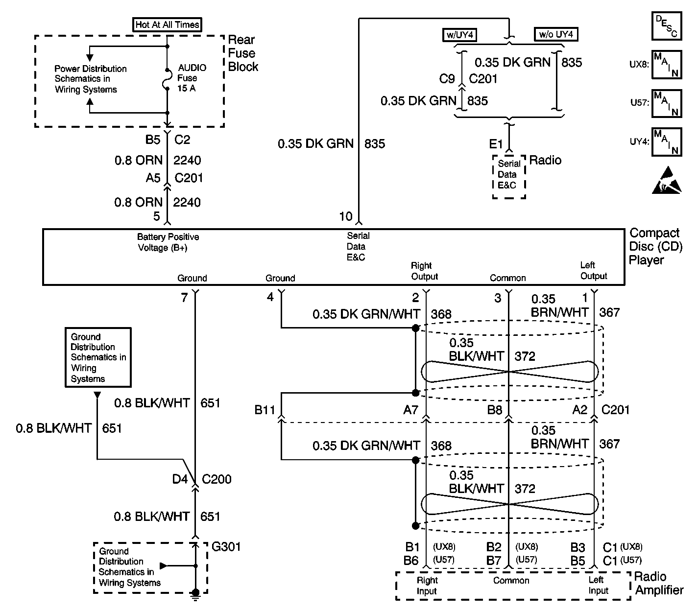
Object Number: 578198  Size: LF
Radio/Audio System Circuit Description exc UY4
Compact Disc (CD) Player
Compact Disc (CD) Player
Compact Disc (CD) Player
Handling ESD Sensitive Parts Notice

Circuit Description

The radio and remote compact disc (CD) player communicate through the serial data E&C circuit.

Conditions for Running the DTC

This test is run when the radio switches from OFF to ON. This test will run only when DTC B1327, and B1328 are not current.

Conditions for Setting the DTC

The radio shall set a current status for this DTC when it detects a loss of E&C communications with the CD changer.

Action Taken When the DTC Sets

The radio will ignore the CD changer when this DTC is current. The CD changer will not operate.

Conditions for Clearing the MIL/DTC

This DTC is cleared when the ignition cycles from the OFF to the ON position.

Step

Action

Value(s)

Yes

No

1

Did you perform the Radio/Audio System Diagnostic System Check?

--

Go to Step 2

Go to Diagnostic System Check - Radio/Audio System

2

  1. Turn OFF the ignition.
  2. Insert a CD magazine with at least 1 audio CD into the remote CD changer.
  3. Turn ON the ignition, with the engine OFF.
  4. Turn ON the radio.
  5. Attempt to play the CD in the remote CD changer.

Does the remote CD changer operate?

--

Go to Testing for Intermittent Conditions and Poor Connections in Wiring Systems

Go to Step 3

3

  1. Turn OFF the ignition
  2. Disconnect the remote CD changer.
  3. Test the battery positive voltage circuit for an open or high resistance. Refer to Circuit Testing and Wiring Repairs in Wiring Systems.

Did you find and correct the condition?

--

Go to Step 11

Go to Step 4

4

Test the ground circuit for an open or high resistance. Refer to Circuit Testing and Wiring Repairs in Wiring Systems.

Did you find and correct the condition?

--

Go to Step 11

Go to Step 5

5

Measure the voltage from the E & C serial data circuit to a good ground.

Does the voltage measure near the specified value?

12 volts

Go to Step 8

Go to Step 6

6

Test the E & C serial data circuit for a short, high resistance or an open. Refer to Circuit Testing and Wiring Repairs in Wiring Systems.

Did you find and correct the condition?

--

Go to Step 11

Go to Step 7

7

Inspect for poor connections at the harness connector of the radio.

Refer to Testing for Intermittent Conditions and Poor Connections and Connector Repairs in Wiring Systems.

Did you find and correct the condition?

--

Go to Step 11

Go to Step 9

8

Inspect for poor connections at the harness connector of the remote CD changer.

Refer to Testing for Intermittent Conditions and Poor Connections and Connector Repairs in Wiring Systems.

Did you find and correct the condition?

--

Go to Step 11

Go to Step 10

9

Replace the radio. Refer to Radio Replacement .

Did you complete the replacement?

--

Go to Step 11

--

10

Replace the remote CD changer. Refer to Remote CD Changer Replacement .

Did you complete the replacement?

--

Go to Step 11

--

11

Operate the system in order to verify the repair.

Did you correct the condition?

--

System OK

Go to Step 2