GM Service Manual Online
For 1990-2009 cars only
Figure 1:

Left/Right Belt Towers, Power, Ground, Switches and Motors


Object Number: 663381  Size: FS
Master Electrical Component List
Seat Belt System Description and Operation
G302 Left Front Seat
G302 Right Front Seat
G302 Right Front Seat
G302 Left Front Seat
G302 Left Front Seat
Lumbar Support Front Seats (AL2)
Lumbar Support Front Seats (AL2)
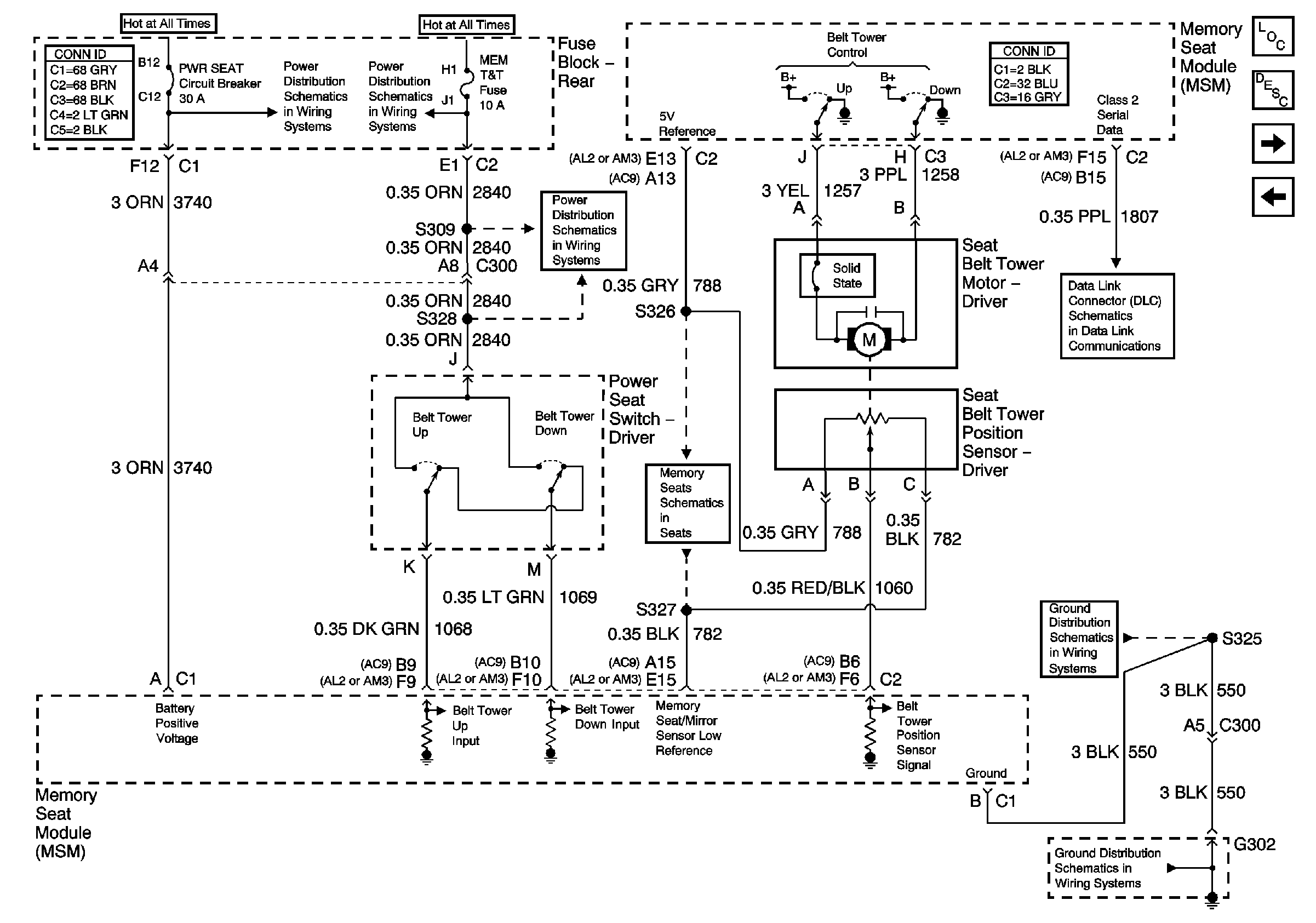
Figure 2:

Power, Ground Left Belt Tower Switch, Motor, MSM (w/A45/AL2)


Object Number: 663382  Size: FS
Master Electrical Component List
Seat Belt System Description and Operation
Fasten Seat Belt Switch and Indicator
Left/Right Belt Towers, Power, Ground, Switches and Motors
Class 2 Serial Data (3 of 3)
G302 Left Front Seat
G302 Left Front Seat
Front/Rear Vertical, Horizontal Motors, Position Sensors (w/A45/AL2)
MEM TT, RRLUM/ANT, and HTDST LF Fuses
MEM TT, RRLUM/ANT, and HTDST LF Fuses
NAV Fuse and PWR Seat Circuit Breaker
Figure 3:

Fasten Seat Belt Switch and Indicator


Object Number: 663383  Size: FS
Master Electrical Component List
Seat Belt System Description and Operation
G302 Left Front Seat
SIR Caution
Class 2 Serial Data (2 of 3)
Class 2 Serial Data (1 of 3)