GM Service Manual Online
For 1990-2009 cars only
Makes
🢒
Cadillac
🢒
2001
🢒
DeVille
🢒
Body and Accessories
🢒
Wipers/Washer Systems
🢒 Wiper/Washer Schematics
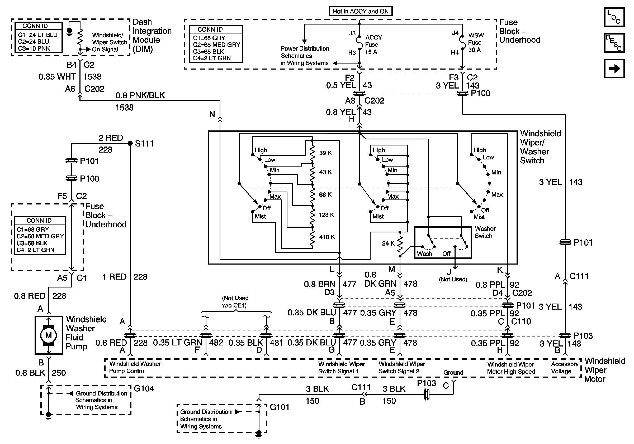
Figure
1:
Wiper/Washer Switch and Pump
Master Electrical Component List
Wiper/Washer System Description and Operation
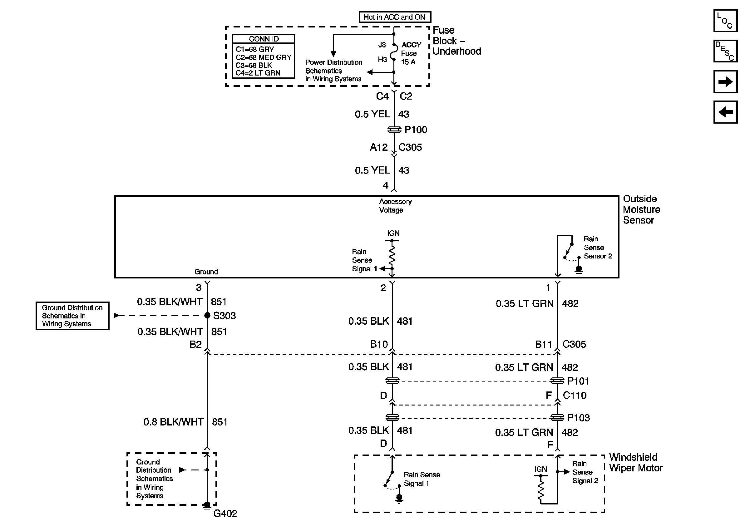
Outside Moisture Sensor
DRL, FOG, AC CLU, ACCY, Wiper, Headlamps
G104
G104
Figure
2:
Outside Moisture Sensor
Master Electrical Component List
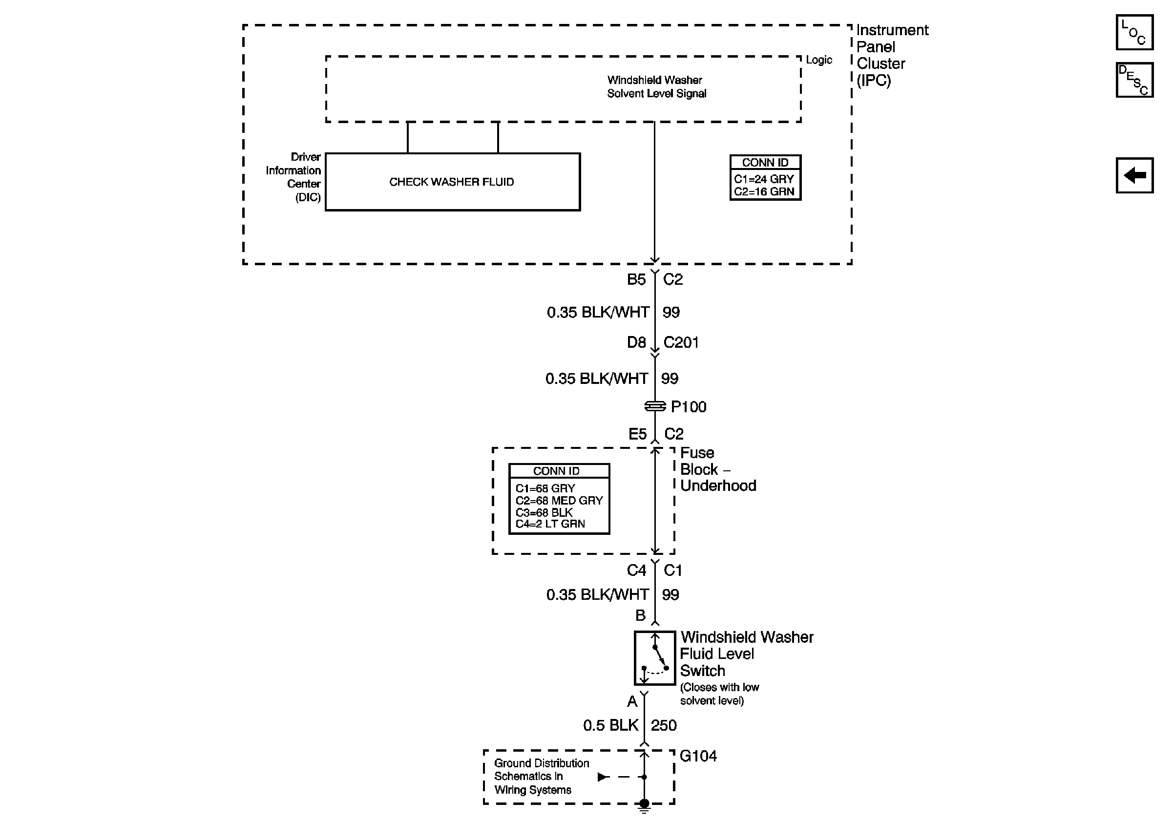
Wiper/Washer System Description and Operation
Washer Solvent Level Switch
Wiper/Washer Switch and Pump
DRL, FOG, AC CLU, ACCY, Wiper, Headlamps
G402 Headliner, Fuel Sender, V4U/B9Q
G402 Headliner, Fuel Sender, V4U/B9Q
Figure
3:
Washer Solvent Level Switch
Master Electrical Component List
Wiper/Washer System Description and Operation
Outside Moisture Sensor
G104