GM Service Manual Online
For 1990-2009 cars only
Makes
🢒
Cadillac
🢒
2001
🢒
DeVille
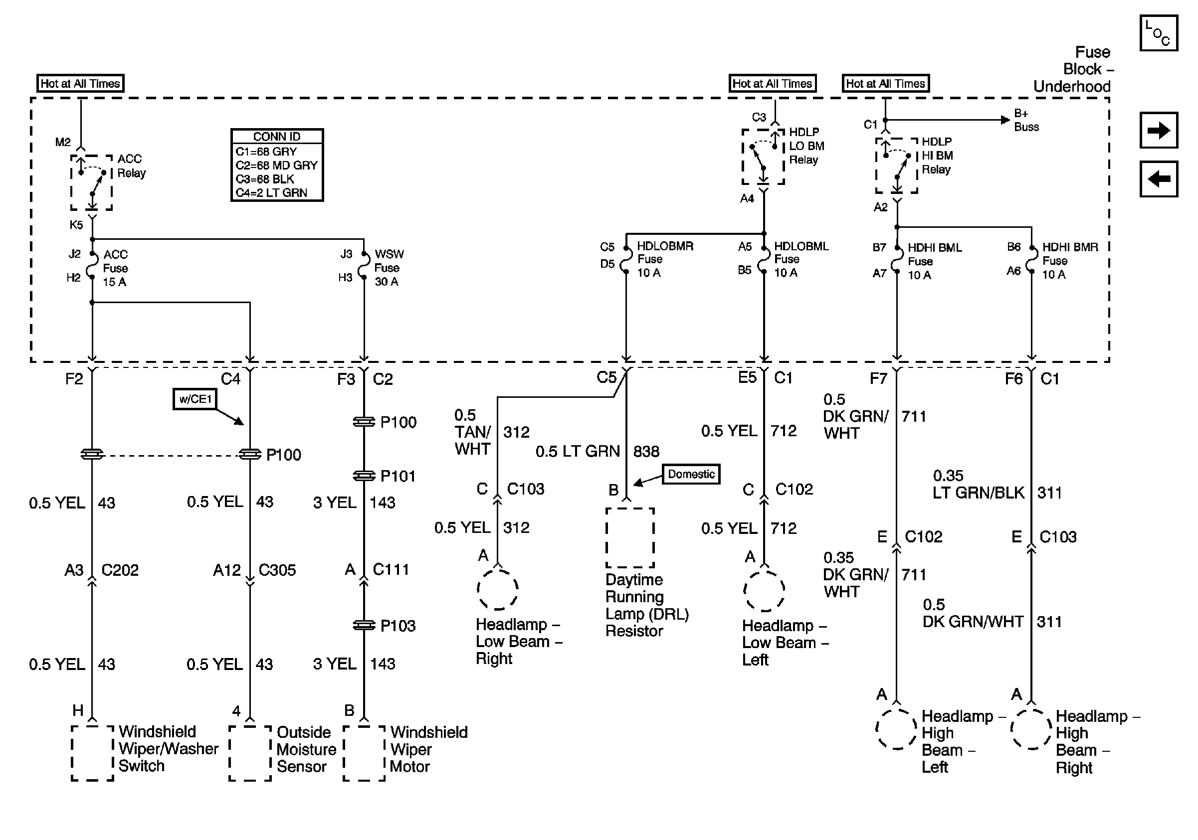
🢒 DRL, FOG, AC CLU, ACCY, Wiper, Headlamps
DRL, FOG, AC CLU, ACCY, Wiper, Headlamps
DRL, FOG, AC CLU, ACCY, Wiper, Headlamps
Master Electrical Component List
ALDL, PCM BATT, IP Fuses
Start Circuit Breaker, PCM, IGN and IGN 1 Fuses