GM Service Manual Online
For 1990-2009 cars only
Makes
🢒
Cadillac
🢒
2001
🢒
DeVille
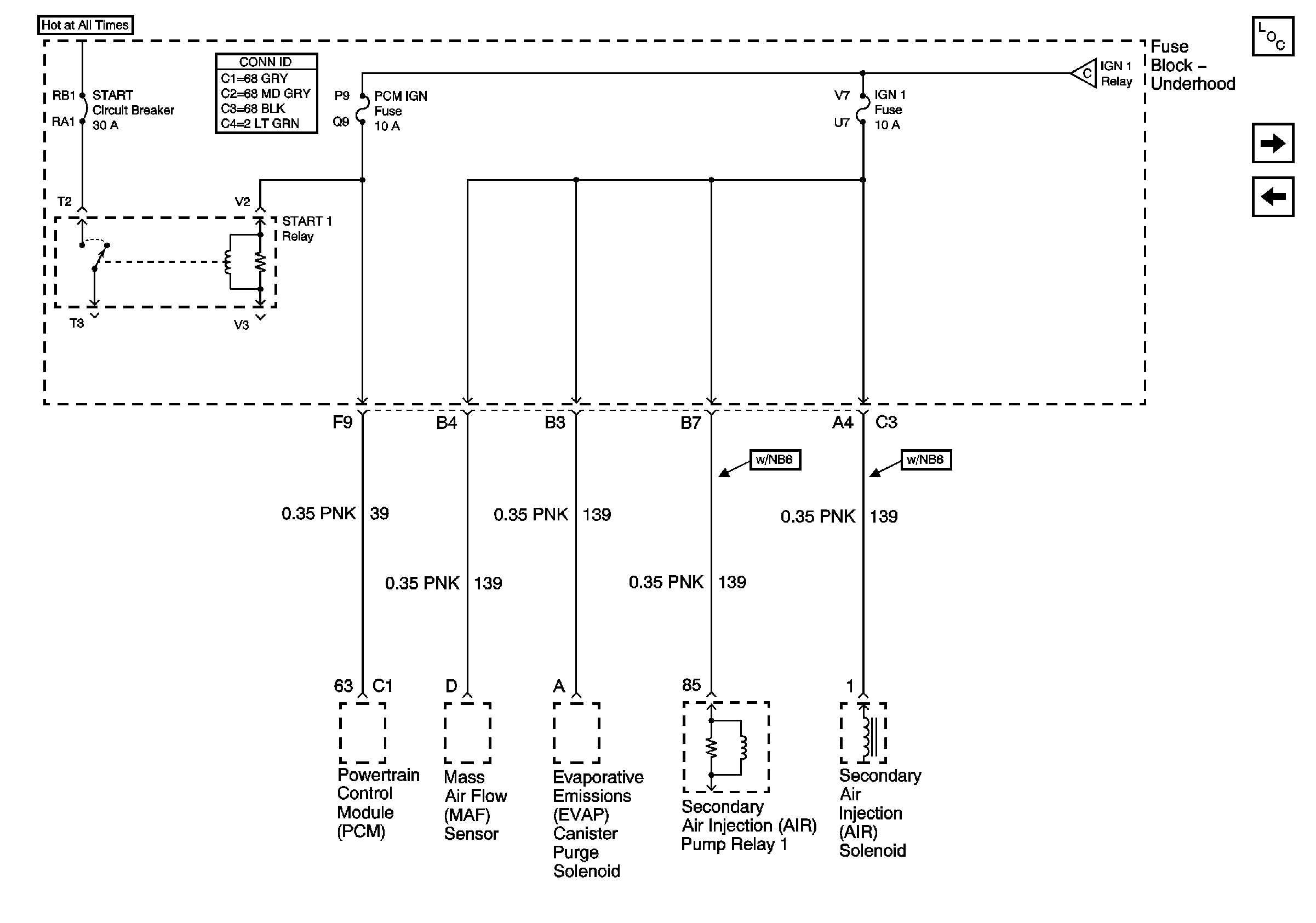
🢒 Start Circuit Breaker, PCM, IGN and IGN 1 Fuses
Start Circuit Breaker, PCM, IGN and IGN 1 Fuses
Start Circuit Breaker, PCM, IGN and IGN 1 Fuses
Master Electrical Component List
DRL, FOG, AC CLU, ACCY, Wiper, Headlamps
INJ 2 and INJ 1 Fuses