GM Service Manual Online
For 1990-2009 cars only
Makes
🢒
Cadillac
🢒
2001
🢒
DeVille
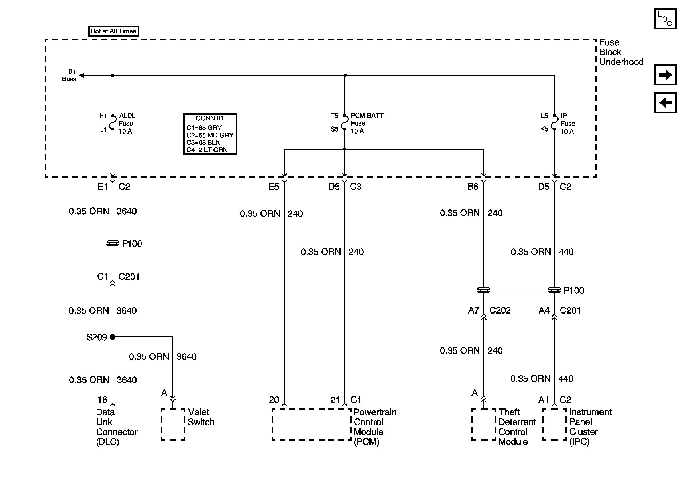
🢒 ALDL, PCM BATT, IP Fuses
ALDL, PCM BATT, IP Fuses
ALDL, PCM BATT, IP Fuses
Master Electrical Component List
CVRTD, Cigar, RAP, Sunshade Fuses
DRL, FOG, AC CLU, ACCY, Wiper, Headlamps