GM Service Manual Online
For 1990-2009 cars only
Makes
🢒
Cadillac
🢒
2001
🢒
DeVille
🢒
Body and Accessories
🢒
Wiring Systems
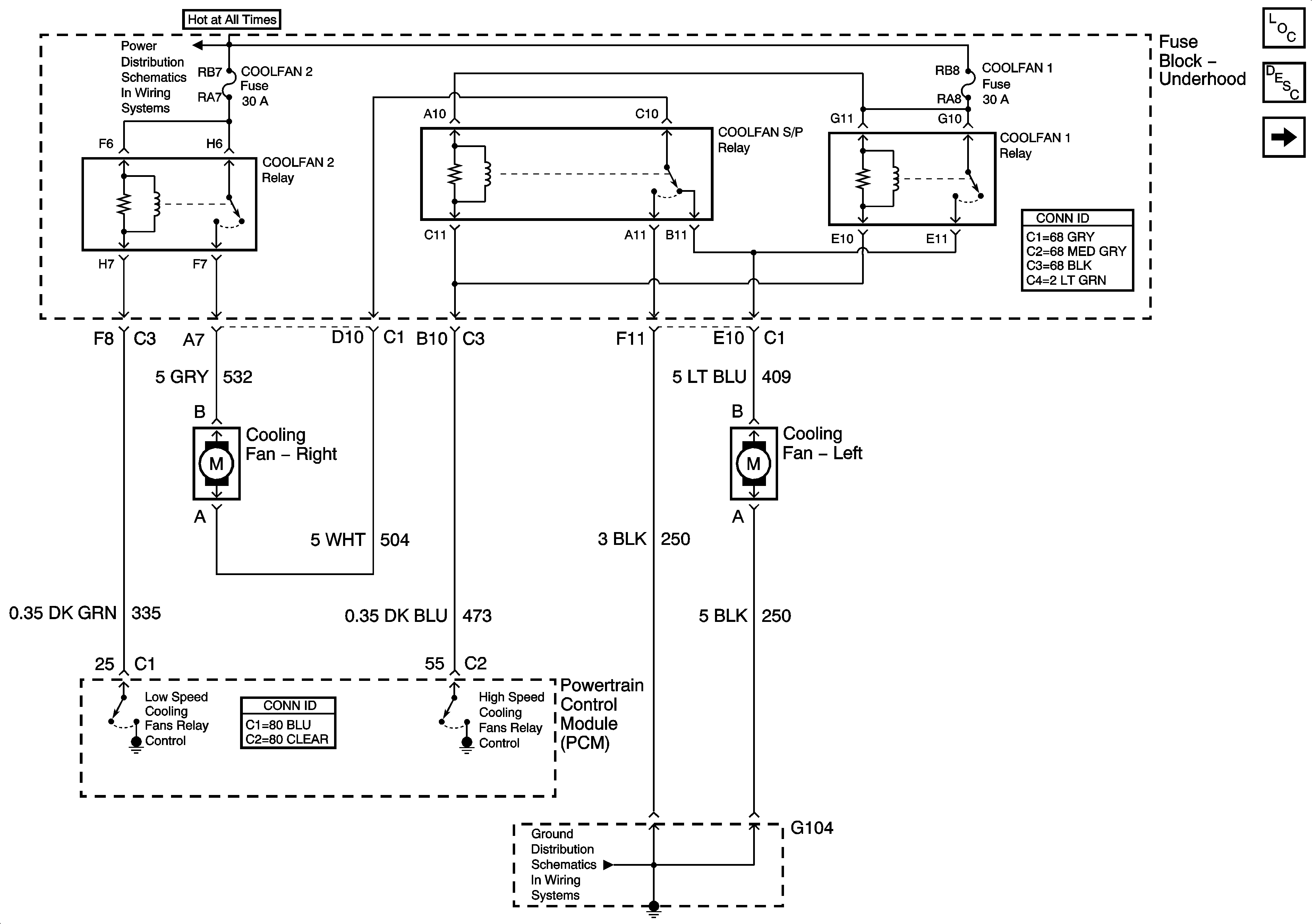
🢒 Engine Cooling Schematics
Figure
1:
Cooling Fans
Master Electrical Component List
Cooling System Description and Operation
G104
Underhood Fuse Block Battery Voltage
Figure
2:
Engine Coolant Level Switch Signal
Master Electrical Component List
Cooling System Description and Operation
Class 2 Serial Data (1 of 3)
G201 IP Harness and Console Harness