GM Service Manual Online
For 1990-2009 cars only
Makes
🢒
Cadillac
🢒
2001
🢒
DeVille
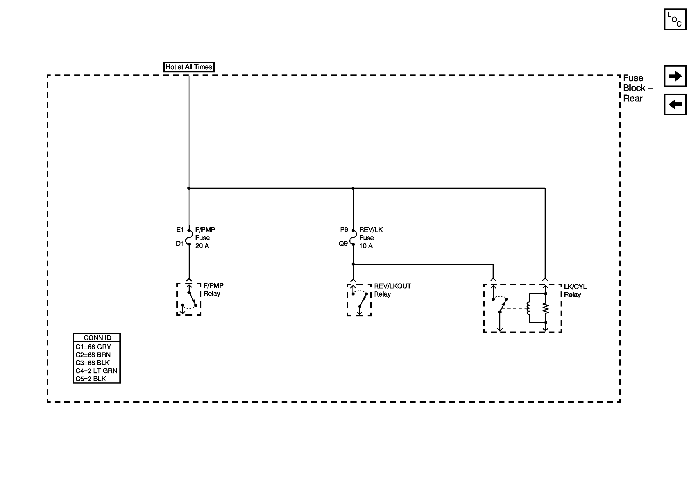
🢒 F/PMP and REV/LK Fuses
F/PMP and REV/LK Fuses
F/PMP and REV/LK Fuses
Master Electrical Component List
CVRTD, Cigar, RAP, Sunshade Fuses
ELC, Night Vision, HVAC, ABS Fuses