GM Service Manual Online
For 1990-2009 cars only
Makes
🢒
Cadillac
🢒
2001
🢒
DeVille
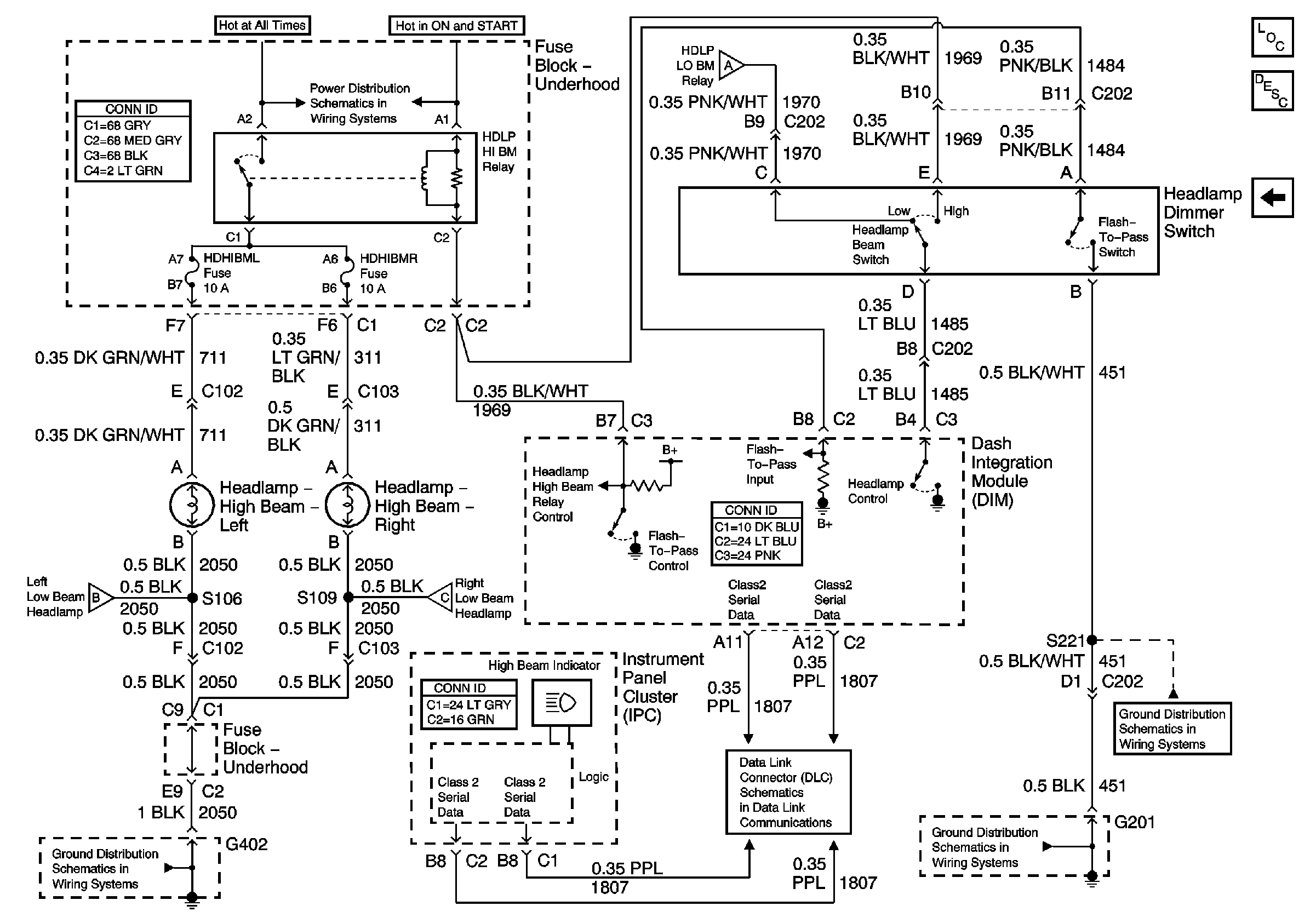
🢒 High Beam Headlamps (Domestic)
High Beam Headlamps (Domestic)
High Beam Headlamps (Domestic)
Master Electrical Component List
Exterior Lighting Systems Description and Operation
Low Beam Headlamps (Domestic)
G201
Class 2 Serial Data (1 of 3)
G201
DRL, FOG, AC CLU, ACCY, Wiper, Headlamps
G402 Headliner, Fuel Sender, V4U/B9Q