GM Service Manual Online
For 1990-2009 cars only
Makes
🢒
Cadillac
🢒
2001
🢒
DeVille
🢒 Fog Lights
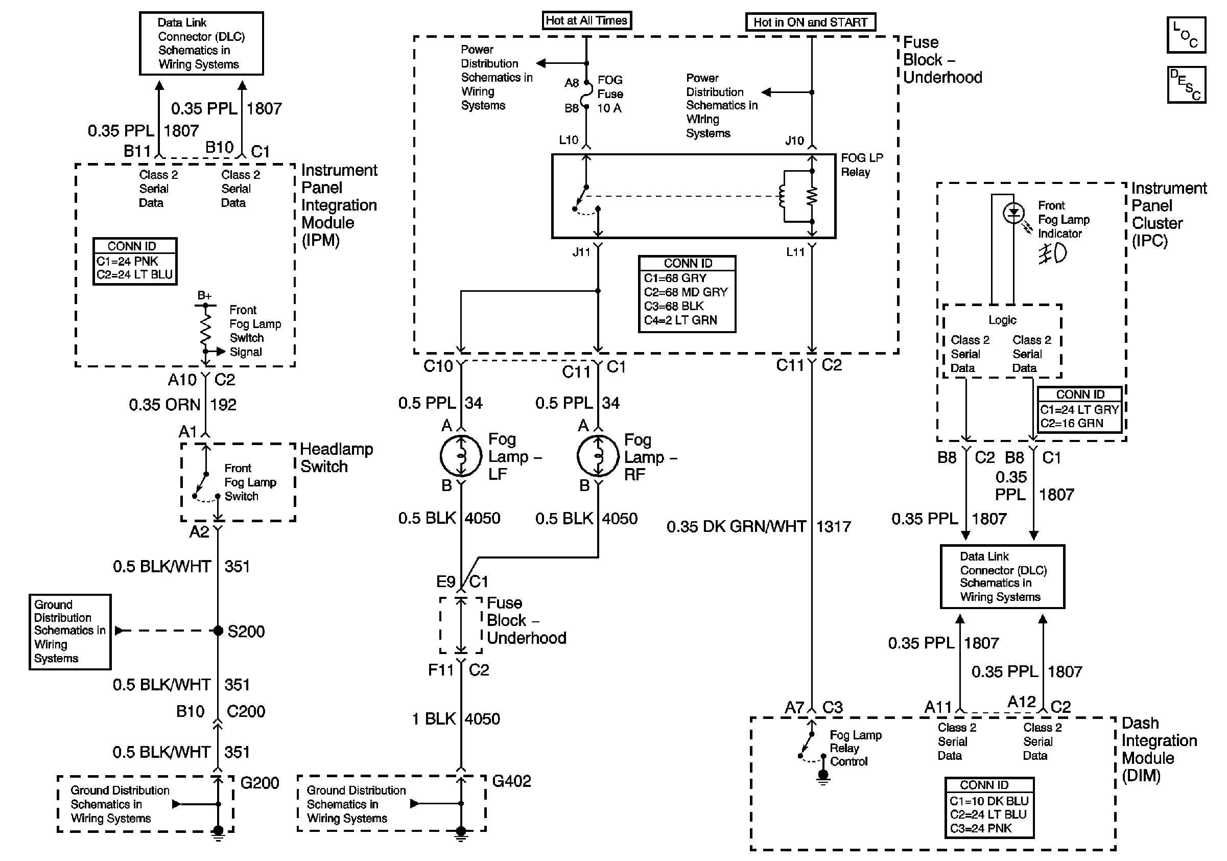
Fog Lights
Master Electrical Component List
Exterior Lighting Systems Description and Operation
Class 2 Serial Data (1 of 3)
Ignition Feeds to Underhood and Rear Fuse Blocks
Underhood Fuse Block Battery Voltage
G402 Headliner, Fuel Sender, V4U/B9Q
Class 2 Serial Data (1 of 3)
G201 IP Harness and Console Harness
G201 IP Harness and Console Harness