GM Service Manual Online
For 1990-2009 cars only
Makes
🢒
Cadillac
🢒
2001
🢒
DeVille
🢒 Console Dimming
Console Dimming
Console Dimming
Master Electrical Component List
Interior Lighting Systems Description and Operation
Front Door Dimming
Steering Wheel Controls
G201,G202 CKT 451 Steering Column
G201,G202 CKT 451 Steering Column
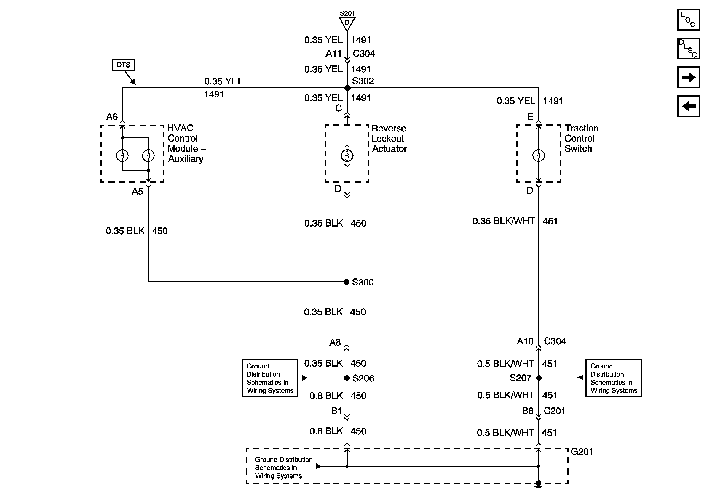
G201 IP Harness and Console Harness
G201 IP Harness and Console Harness