GM Service Manual Online
For 1990-2009 cars only
Makes
🢒
Cadillac
🢒
2001
🢒
DeVille
🢒 CTD Inputs and Outputs
CTD Inputs and Outputs
CTD Inputs and Outputs
Master Electrical Component List
CTD Door Inputs
VTD System
G104
G104
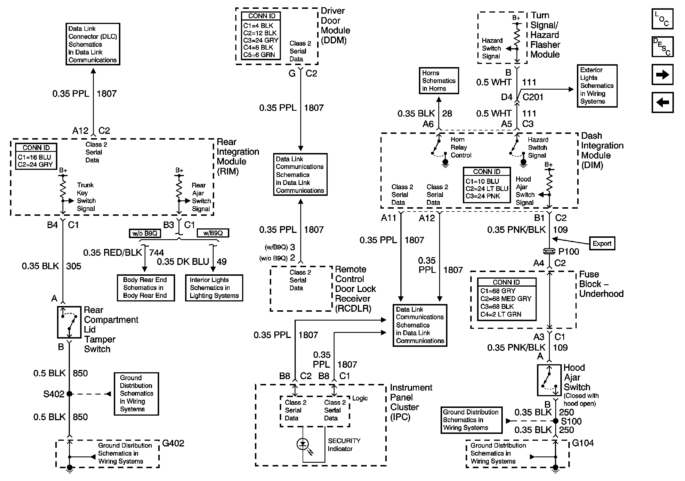
Class 2 Serial Data (1 of 3)
G402 Backup Lamps, Courtesy Lamps and License Lamp
G402 Backup Lamps, Courtesy Lamps and License Lamp
Rear Compartment Lid Ajar Signal
Door Opens Inputs (w/B9Q)
Class 2 Serial Data (3 of 3)
Class 2 Serial Data (1 of 3)
VTD System
Turn/Hazard Flasher Module, Hazard Switch