GM Service Manual Online
For 1990-2009 cars only
Makes
🢒
Cadillac
🢒
2001
🢒
DeVille
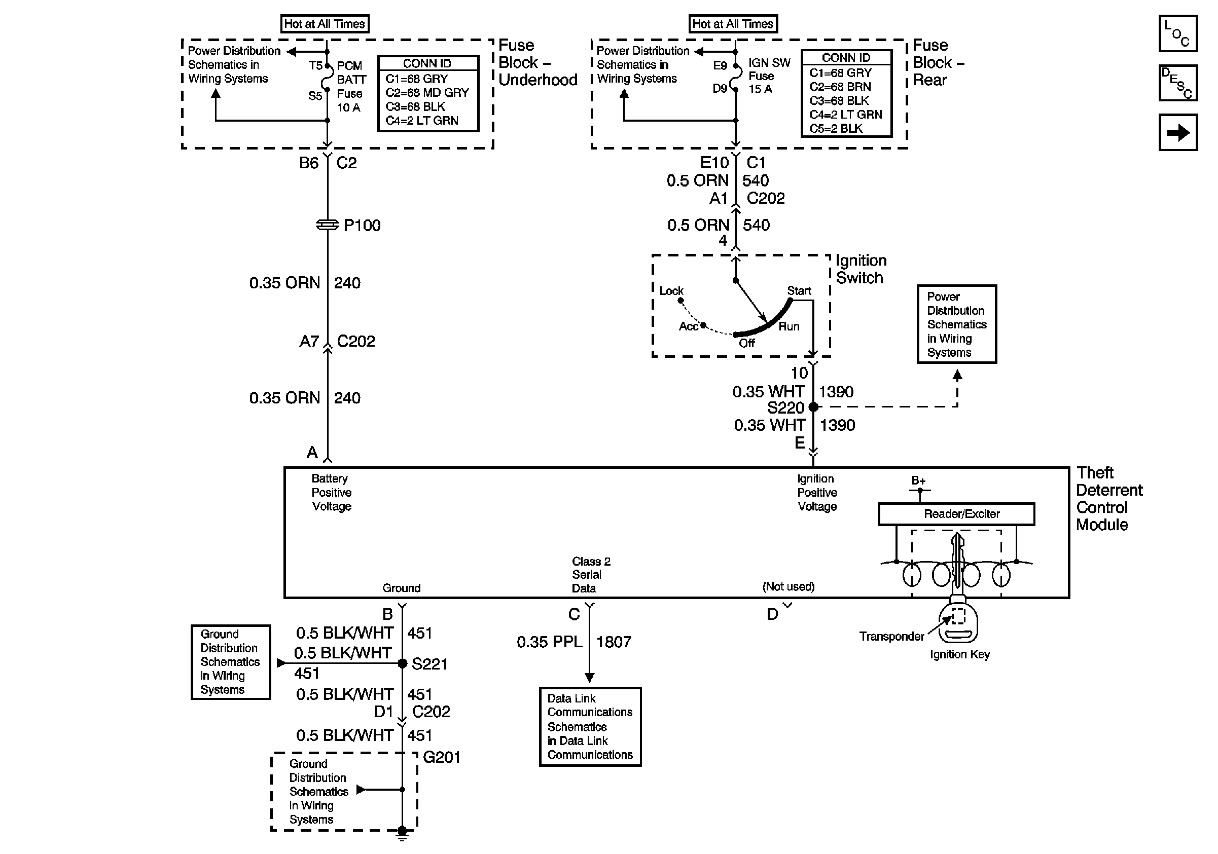
🢒 VTD System
VTD System
VTD System
Master Electrical Component List
CTD Inputs and Outputs
RR BLO, RR DR MDL, HVAC, Stop LP, IGN SW, and TSIG/HAZ Fuses
Class 2 Serial Data (2 of 3)
G201
G201
ALDL, PCM BATT, IP Fuses
RR BLO, RR DR MDL, HVAC, Stop LP, IGN SW, and TSIG/HAZ Fuses