GM Service Manual Online
For 1990-2009 cars only
Makes
🢒
Cadillac
🢒
2001
🢒
DeVille
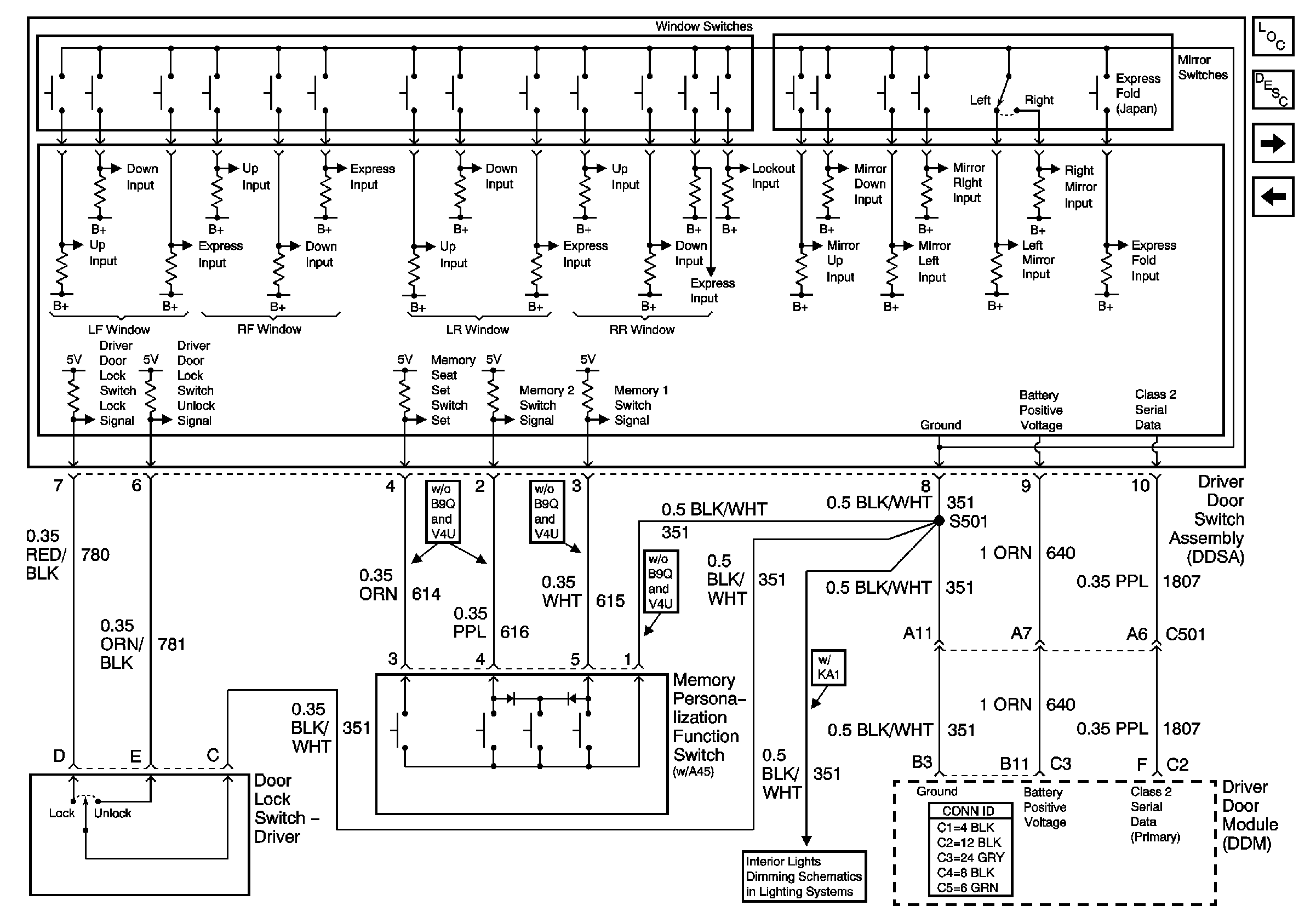
🢒 Driver Door Switch Assembly (DDSA) Internal Details w/Memory (A45)
Driver Door Switch Assembly (DDSA) Internal Details w/Memory (A45)
Driver Door Switch Assembly (DDSA) Internal Details w/Memory (A45)
Master Electrical Component List
Power Door Locks Description and Operation
Driver Door Module (DDM) Power and Ground Input and Outputs 1 of 2
Driver Door Switch Assembly (DDSA) Power, Ground Inputs and Outputs
Front Door Dimming