GM Service Manual Online
For 1990-2009 cars only
Makes
🢒
Cadillac
🢒
2001
🢒
DeVille
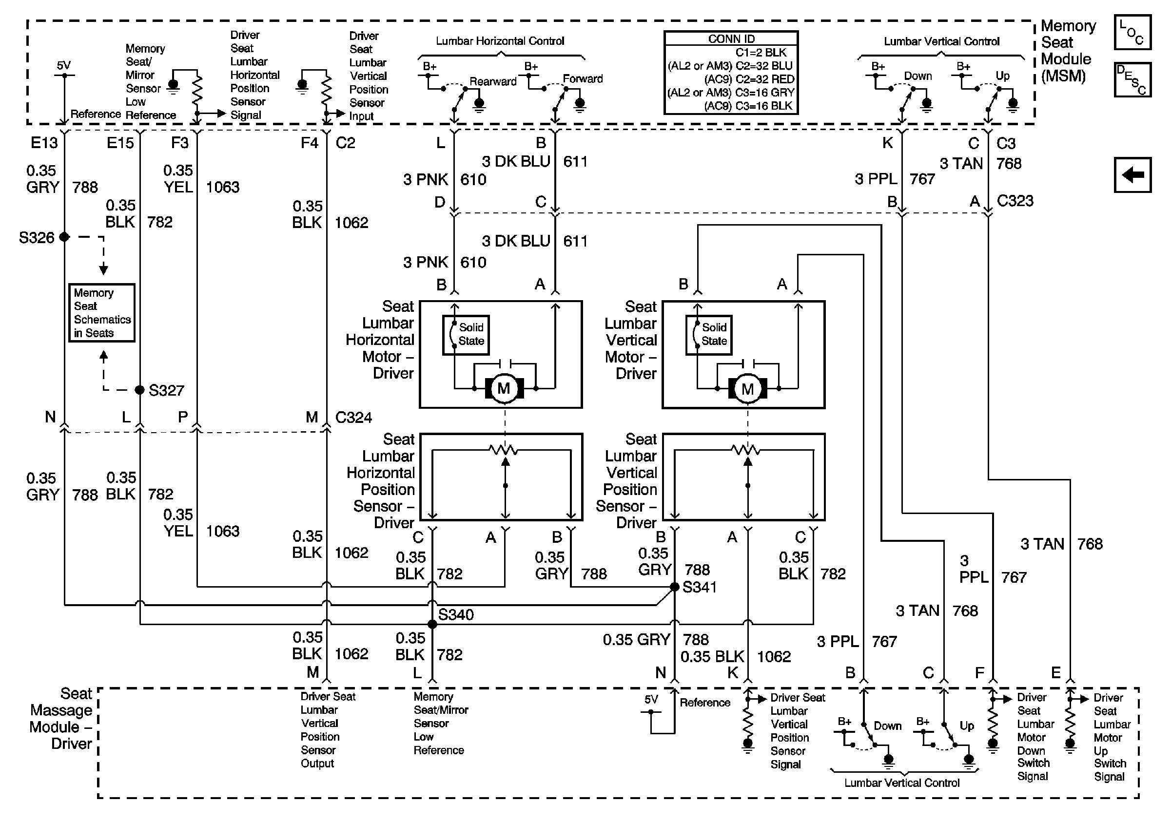
🢒 Massage Module, Motors, Positions Sensors, MSM (w/A45/AM3)
Massage Module, Motors, Positions Sensors, MSM (w/A45/AM3)
Positions Sensors (w/A45/AM3)
Master Electrical Component List
Lumbar Support Description and Operation Massaging Lumbar-AM3 with Memory-A45
Power, Ground, Massage Module, MSM Switch (w/A45/AM3)
Front/Rear Vertical, Horizontal Motors, Position Sensors (w/A45/AL2)