GM Service Manual Online
For 1990-2009 cars only
Makes
🢒
Cadillac
🢒
2004
🢒
DeVille
🢒
Accessories
🢒
Cellular Communication
🢒 OnStar Schematics
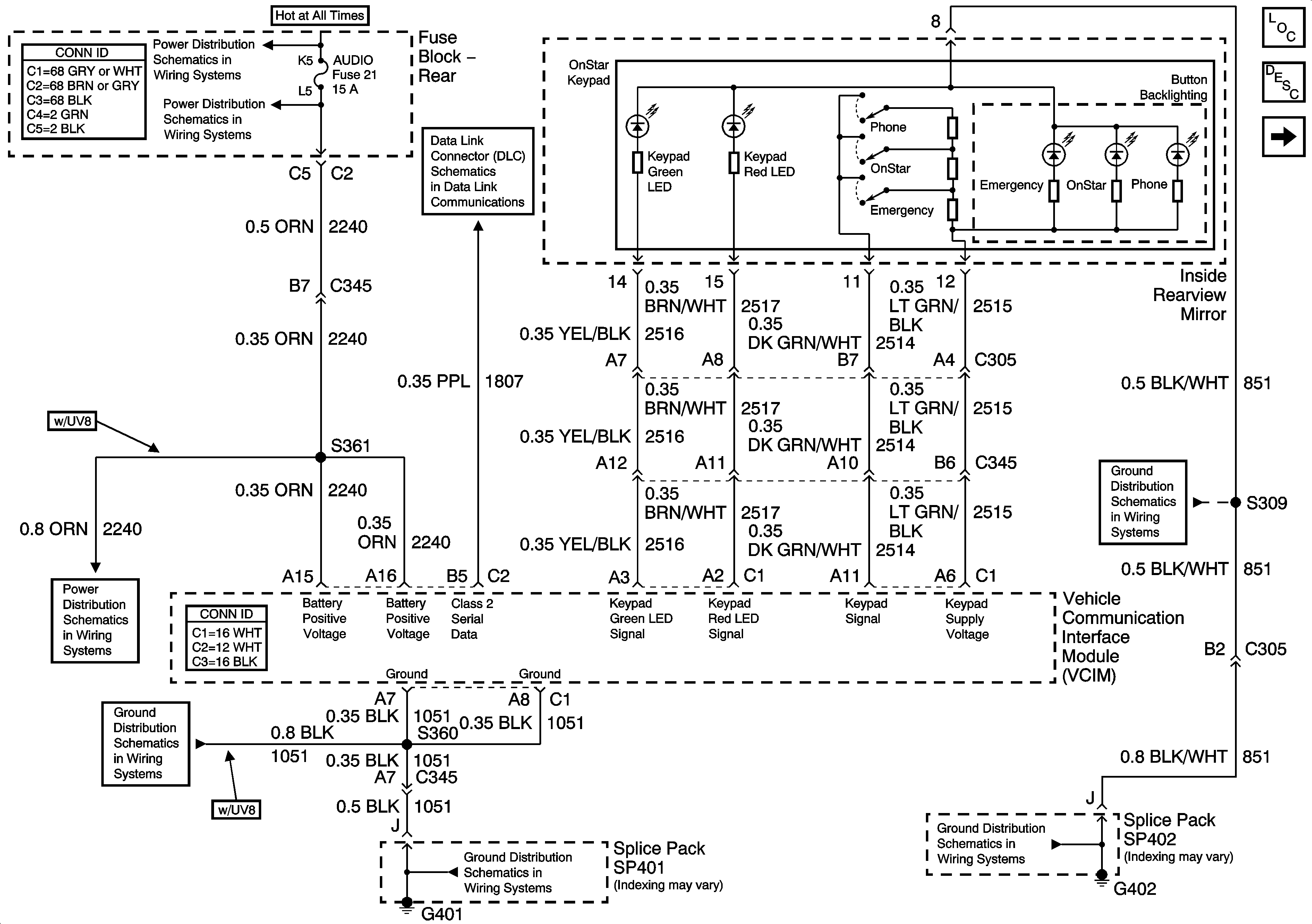
Figure
1:
Power, Ground and OnStar Keypad
Master Electrical Component List
OnStar Description and Operation
Microphone, Audio Amplifier and Antennas
Rear Fuse Block- DIMR, S-DAR, and AUDIO Fuses
Class 2 Serial Data (3 of 3)
G402 (2 of 2)
Rear Fuse Block- DIMR, S-DAR, and AUDIO Fuses
G401
G401
G402 (2 of 2)
Figure
2:
Microphone, Audio Amplifier and Antenna
Master Electrical Component List
OnStar Description and Operation
Power, Ground and OnStar Keypad
Vehicle Communication Interface Module, Microphone and Audio Amplifier
Cellular Communication Schematic Icons
Vehicle Communication Interface Module, Microphone and Audio Amplifier
Cellular Communication Schematic Icons
Domestic Microphone
G300, G303, G304, G306