GM Service Manual Online
For 1990-2009 cars only
Makes
🢒
Cadillac
🢒
2004
🢒
DeVille
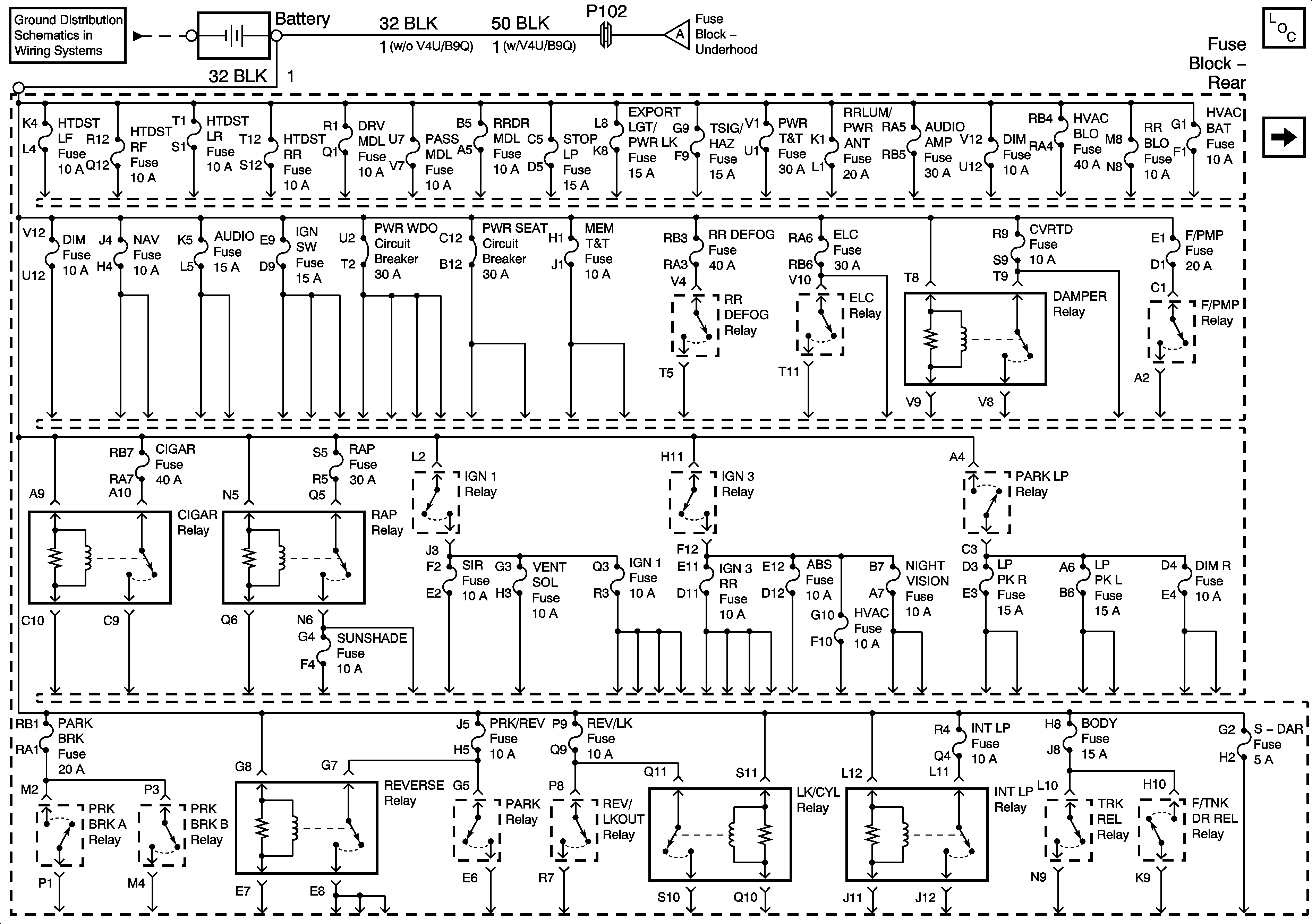
🢒 Rear Fuse Block Battery Voltage
Rear Fuse Block Battery Voltage
Rear Fuse Block Battery Voltage
Master Electrical Component List
Underhood Fuse Block Battery Voltage
G300, G303, G304, G306
Underhood Fuse Block Battery Voltage