GM Service Manual Online
For 1990-2009 cars only
Makes
🢒
Cadillac
🢒
2004
🢒
DeVille
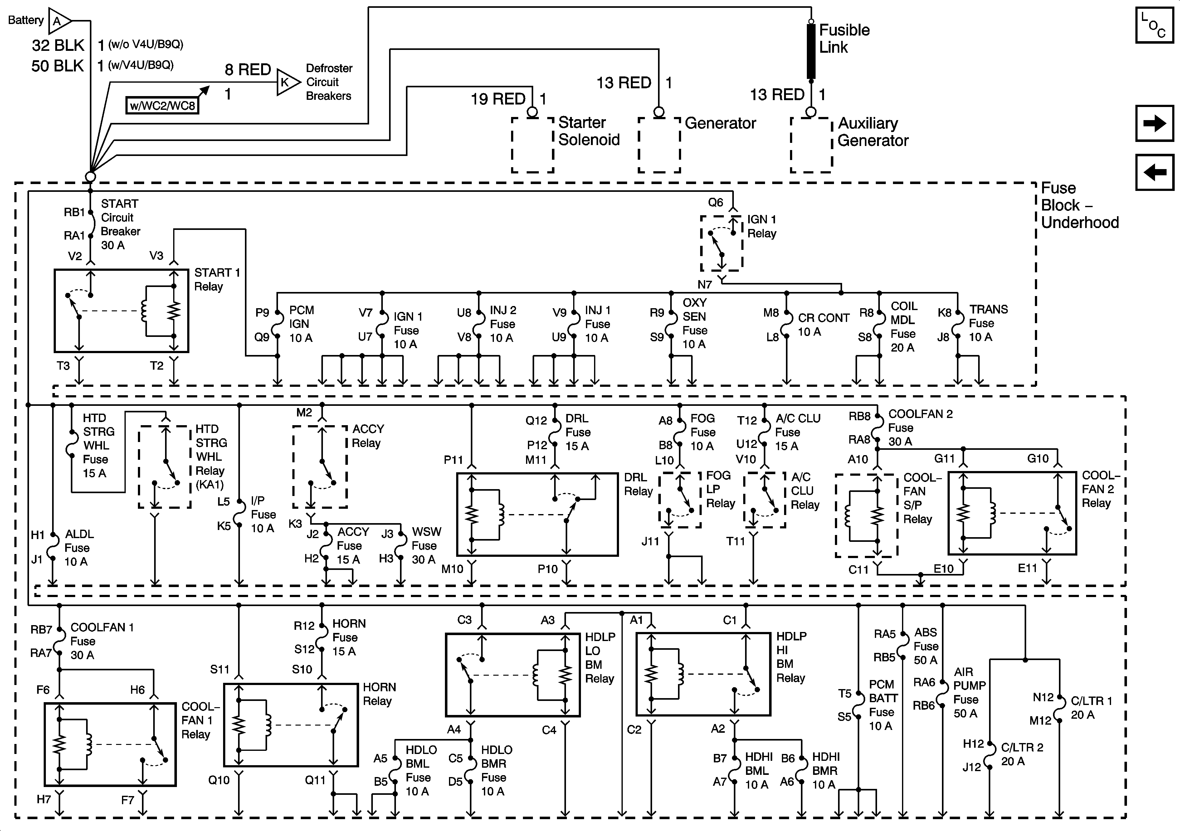
🢒 Underhood Fuse Block Battery Voltage
Underhood Fuse Block Battery Voltage
Underhood Fuse Block Battery Voltage
Master Electrical Component List
Driver and Passenger Defog Circuit Breakers (w/WC2/WC8)
Rear Fuse Block Battery Voltage
Rear Fuse Block Battery Voltage
Driver and Passenger Defog Circuit Breakers (w/WC2/WC8)