GM Service Manual Online
For 1990-2009 cars only
Makes
🢒
Cadillac
🢒
2004
🢒
DeVille
🢒 Fog Lights Schematics
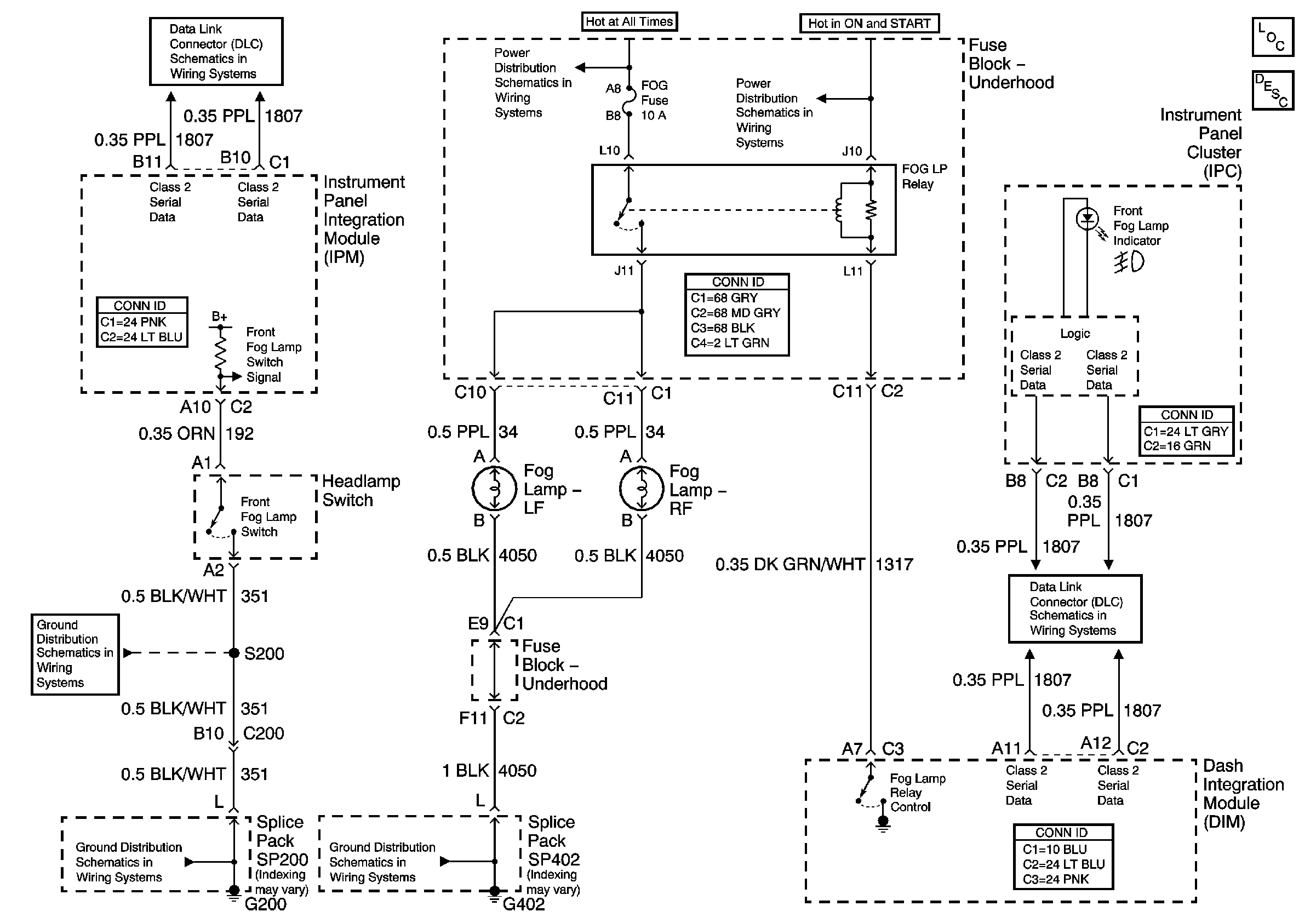
Fog Lights Schematics
Master Electrical Component List
Exterior Lighting Systems Description and Operation
Class 2 Serial Data (1 of 3)
G402 (2 of 2)
G200
G200
Class 2 Serial Data (1 of 3)
Underhood Fuse Block Battery Voltage
Underhood Fuse Block Battery Voltage