GM Service Manual Online
For 1990-2009 cars only
Makes
🢒
Cadillac
🢒
2004
🢒
DeVille
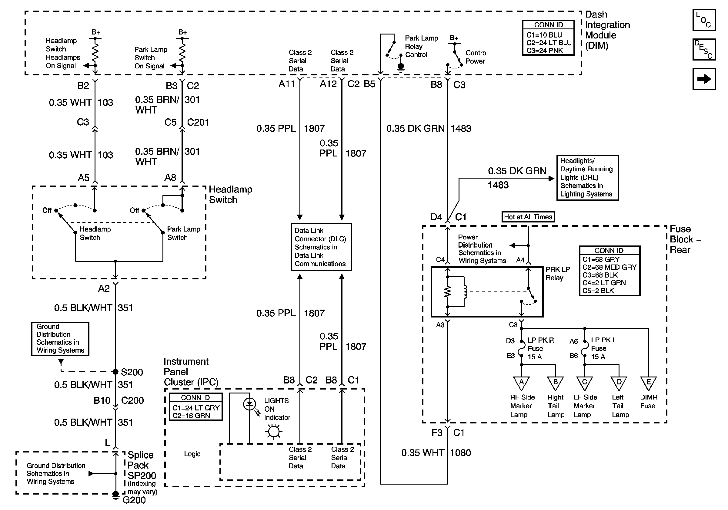
🢒 Headlamp Switch and Park Lamp Relay
Headlamp Switch and Park Lamp Relay
Headlamp Switch, Park Lamp Relay
Master Electrical Component List
Exterior Lighting Systems Description and Operation
Flasher Module, Turn Signal and Hazard Switch
Low Beam Headlamps (Domestic)
Rear Fuse Block- LP PK R and LP PK L Fuses, PRK LP Relay
License and Cornering Lamps
Left Tail Lamp
Front Park/Turn and Side Marker Lamps
Right Tail Lamps
Front Park/Turn and Side Marker Lamps
G200
Class 2 Serial Data (1 of 3)