GM Service Manual Online
For 1990-2009 cars only
Makes
🢒
Cadillac
🢒
2004
🢒
DeVille
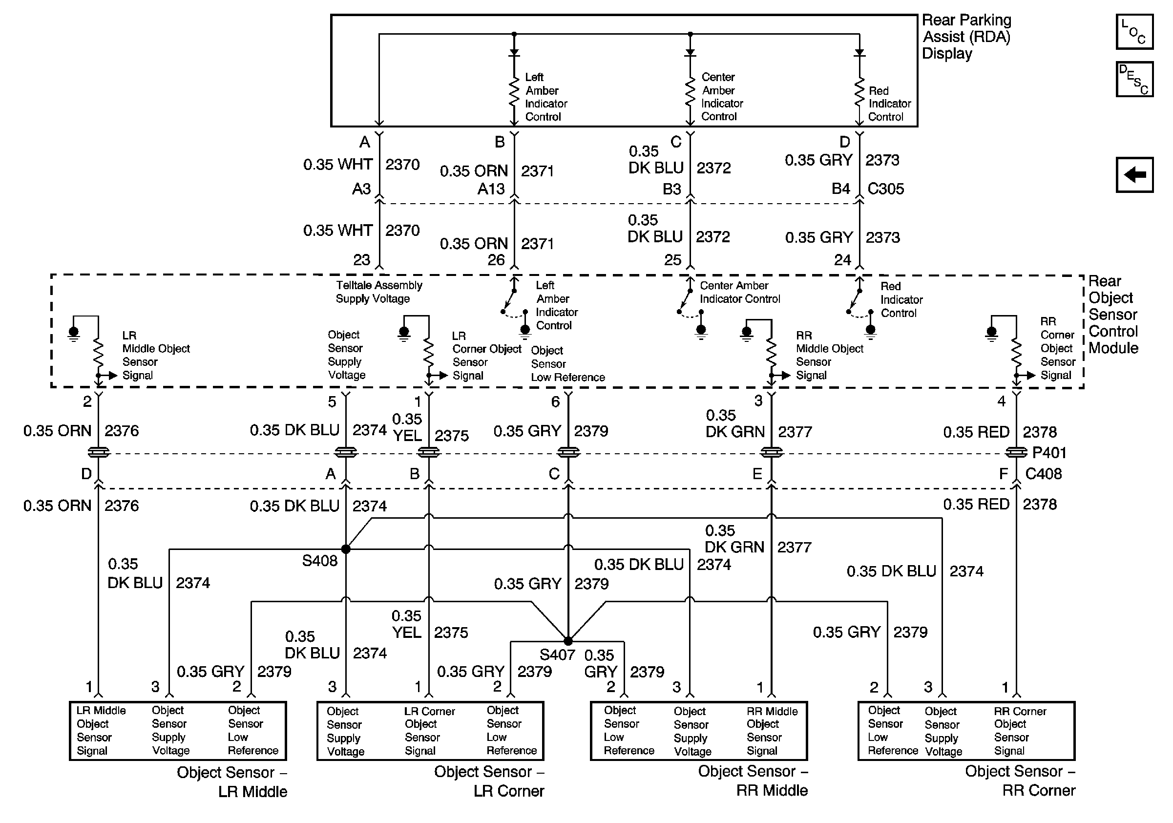
🢒 Object Sensors
Object Sensors
Object Sensors
Master Electrical Component List
Object Detection Description and Operation
Rear Object Sensor Control Module Power and Ground