GM Service Manual Online
For 1990-2009 cars only
Makes
🢒
Cadillac
🢒
2004
🢒
DeVille
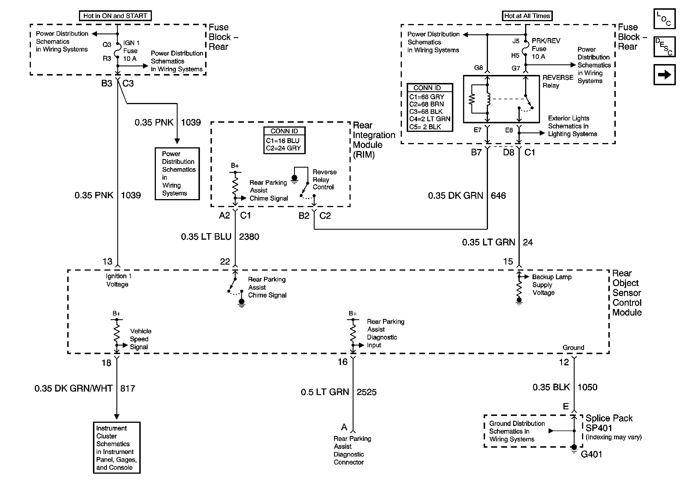
🢒 Rear Object Sensor Control Module Power and Ground
Rear Object Sensor Control Module Power and Ground
Rear Object Sensor Control Module -- Power and Ground
Master Electrical Component List
Object Detection Description and Operation
Object Sensors
Backup Lamps Schematics
G401
Console Shift
Gages
Rear Fuse Block- SIR, VENT SOL, IGN 1Fuse
Rear Fuse Block- SIR, VENT SOL, IGN 1Fuse
Rear Fuse Block- SIR, VENT SOL, IGN 1Fuse
Rear Fuse Block Battery Voltage