GM Service Manual Online
For 1990-2009 cars only
Makes
🢒
Cadillac
🢒
2004
🢒
DeVille
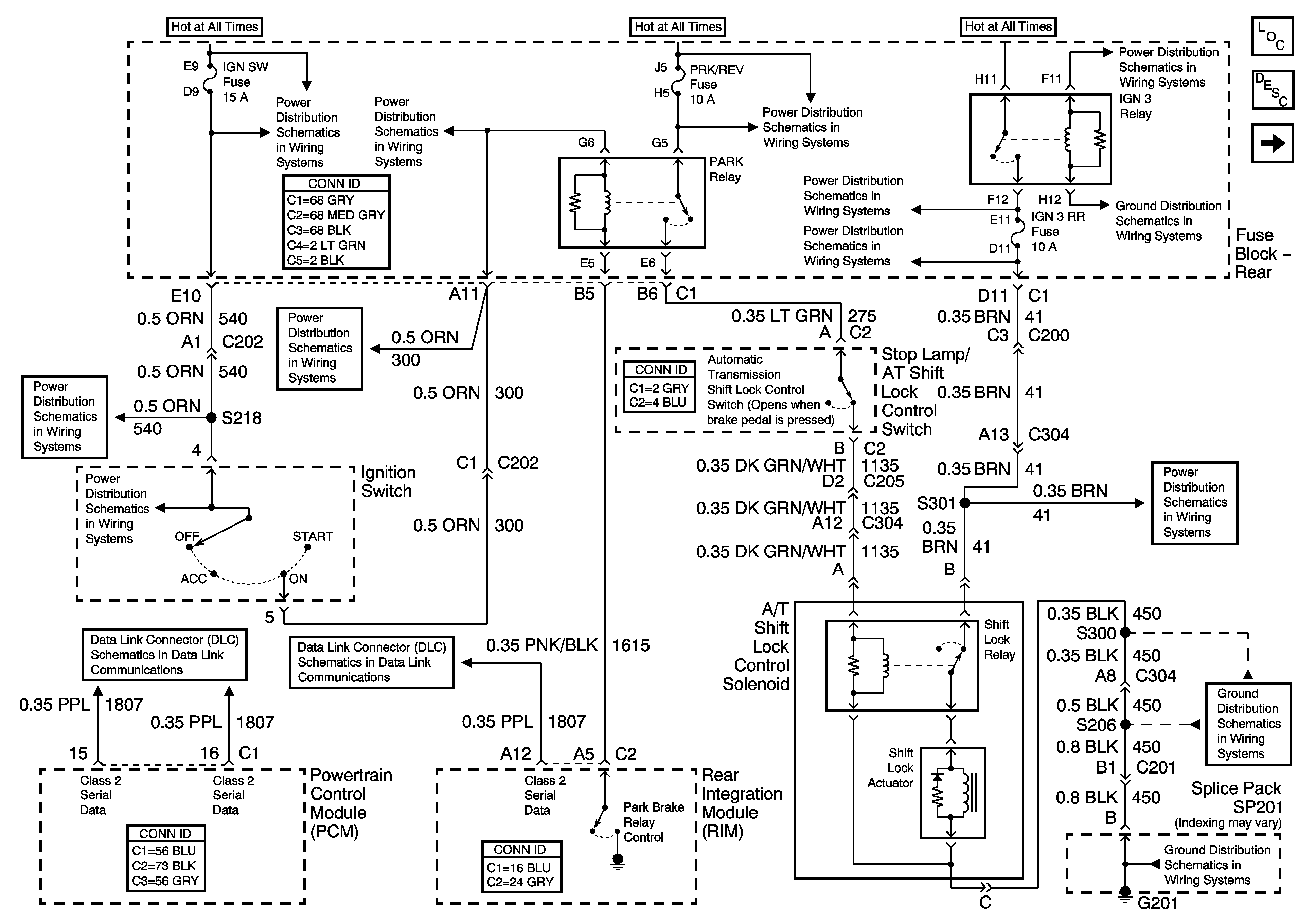
🢒 Console Shift
Console Shift
Console Shift
Master Electrical Component List
Automatic Transmission Shift Lock Control Description and Operation
Column Shift
G301
Rear Fuse Block- IGN 3 Relay, IGN 3 RR Fuse
G201 (2 of 3)
G201 (2 of 3)
Class 2 Serial Data (1 of 3)
Class 2 Serial Data (1 of 3)
Ignition Switch
Ignition Feeds to Underhood and Rear Fuse Blocks
Rear Fuse Block- RR BLO, RRDR MDL, HVAC BAT, STOP LP, IGN SW, TSIG/HAZ Fuse
Ignition Feeds to Underhood and Rear Fuse Blocks
Rear Fuse Block Battery Voltage
Rear Fuse Block- IGN 3 Relay, IGN 3 RR Fuse
Rear Fuse Block- IGN 3 Relay, IGN 3 RR Fuse
Rear Fuse Block- RR BLO, RRDR MDL, HVAC BAT, STOP LP, IGN SW, TSIG/HAZ Fuse